Для студентов МГТУ им. Н.Э.Баумана по предмету Системы автоматического управления (САУ) (МТ-11)Установка газофазного выращивания УНТУстановка газофазного выращивания УНТ
4,78522549
2017-12-22СтудИзба

Курсовая работа: Установка газофазного выращивания УНТ

Описание

Готовая курсовая работа, которая была защищена в 2011-м году

Основы проектирования систем автоматического управления оборудованием электронных технологий »

на тему:

«Установка газофазного выращивания углеродных нано трубок ».


Москва, 2011 г.


ЗАДАНИЕ

на курсовой проект по курсу «Основы проектирования систем автоматического управления оборудования электронных технологий».


Тема проекта: Установка выращивания углеродных нанотрубок


1. Проработать описание работы машины, выбрать и обосновать состав его основных целевых функций, сервисных функций, функций коррекции цели.

2. Разработать комплексную принципиальную схему, как совокупность системы целевых механизмов, системы их энергообеспечения и системы управления, связанных материальными, энергетическими и информационными потоками.

3. Описать механический, энергетический и информационный интерфейс компонентов машины. Дать техническое задание и техническое предложение на САУ и основные элементы машины.

4. Разработать принципиальную электрическую схему элемента САУ или САУ в целом.


Содержание графической части.

  1. Процессная модель машины..................................................1 л.
  2. Комплексная принципиальная схема....................................2 л.
  3. Принципиальная электрическая схема..................................1 л.


Содержание расчетно-пояснительной записки.

  1. Введение. Описание целевого, механического и энергетического интерфейса спроектированной технологической машины.
  2. Описание процессной модели. Выбор и обоснование целевых, сервисных функций, и функций коррекции цели.
  3. Техническое задание и техническое предложение на систему управления машины по приведенной в Приложении 1 форме.
  4. Описание комплексной принципиальной схемы ФС. Обоснование структурно-компоновочного решения, выбор и согласование уровней потоков элементов.
  5. Документы, сопровождающие комплексную принципиальную схему:
  6. перечень элементов ПЭ;
  7. перечень потоков и сигналов ПС;
  8. технические задания на основные подсистемы и узлы машины ТЗ.
  9. Информационный поиск датчиков и исполнительных элементов машины и ее САУ, описание целевого, механического, энергетического и информационного интерфейса этих элементов ОЭ.
  10. Расчет и описание принципиальной электрической схемы.
  11. Заключение.








СОДЕРЖАНИЕ

Содержание ...................................................................................... .....................3

Введение ...................................................................................... ..........................4

1. Описание процессной модели ........................................................................6

1.1 Деление технологии выращивания УНТ на процессы..................7

1.2 Выбор сервисных функций ..............................................................11

1.3 Выбор функции коррекции цели ....................................................12

2. Описание комплексной принципиальной схемы ....................................13

3. Информационный поиск датчиков и исполнительных элементов машины и ее САУ ...............................................................................................14

3.1 ТЗ на элементы САУ ..........................................................................14

3.2 ТЗ на элементы установки ...............................................................17

3.3 ТЗ на силовой модуль и источники питания ................................22

4. Расчет и описание принципиальной электрической схемы ..................24

Заключение ...................................................................................... ...................25

Список литературы ............................................................................................26


Введение


Производственное оборудование становится всё более автоматизированным во многих сферах его применения. Без управляющей электроники уже не может обойтись ни одна отрасль промышленности, особенно электронное машиностроение, где необходимо управление множеством технологических параметров при высочайшей точности и жестких требованиях к соблюдению технологии.


При конструировании необходимо:

  • внимательно изучить и продумать все возможные варианты применения САУ в данной конструкции и выбрать оптимальный из этих вариантов, как по цене, так и по сложности изготовления и эксплуатации;
  • обеспечить проектируемое оборудование более высоким сроком службы, то есть, чтобы его физическое и моральное старение настало как можно позже (для этого в конструкцию изделия заранее закладывают модули, которые легко можно заменить или доработать).

Целью данного курсового проекта является автоматизация процессов газофазного выращивания углеродных нано трубок, овладение навыками, методами и средствами комплексных разработок электронных компонентов оборудования САУ.

К механическому интерфейсу установки относятся:

  • клапана;
  • насос;
  • манометр;

К энергетическому интерфейсу установки относятся:

  • блоки питания;
  • контроллер;
  • ПК.


Задачи проекта состоят в:

  • распределении функций машины между различными компонентами и обоснование этих функций;
  • постановке четких технических заданий перед разработчиками отдельных компонентов;
  • выполнении технической документации на электронные компоненты.

Для упрощения работы оператора и повышения производительности предложен вариант полностью автоматизированной установки вместо существующей установки с ручным управлением.

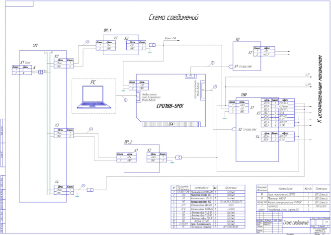
Курсовой проект выполнен в объеме 4-х листов А1 и расчетно-пояснительной записки. На первом листе приведены алгоритм протекания процессов работы установки, таблица процессов (процессная модель). На втором, третьем – комплексная принципиальная схема установки: механика, энергообеспечение, системы автоматического управления. На четвертом листе - принципиальная схема электрических соединений.

В расчетно-пояснительной записке приведены необходимые пояснения и расчеты, отражены принципы построения САУ установки, даны описания листов проекта.


1. Описание процессной модели

В данном курсовом проекте разработана процессная модель автоматического управления установкой газофазного выращивания углеродных нано трубок (см. Лист 1 – «Процессная модель» ).

Пиролитический газофазный метод выращивания углеродистых нано трубок (УНТ) позволяет получать нано структуры длиной более 60 мкм при среднем выходе продукта около 80%. Метод характеризуется высокой скоростью роста УНТ, простотой реализации и возможность применения в массовом производстве.

В данной работе рассматривается технологический процесс выращивания УНТ методом пиролиза углеродосодержащих газов.

Процесс реализуют, как правило, в трубчатых реакторах, типовая схема которого представлена на рис. 1.16



Нагретую до температуры пиролиза (550…1000 °С) реакционную зону продувают инертным газом (Ar, He), затем подают углеродсодержащий газ. Движущийся вдоль катализатора газ диффундирует сквозь его слой и сорбируется на поверхности активных центров (металл), где протекает ряд последовательных химических реакций, конечными продуктами которых являются углерод и водород.

Продуктами данного процесса, который классифицируется как газофазное химическое осаждение (ГФХО) или CVD- процесс, являются УНМ – ОУНТ, МУНТ и УНВ.


Перед выращиванием углеродных нано трубок методом газофазного осаждения катализатор устанавливается на столик через загрузочную камеру. Затем производится откачка рабочей камеры до низкого давления. Далее с помощью спирального нагревателя рабочая камера нагревается до температуры около 1000оС. После нагрева камеры производится открытие электромагнитного клапана, отвечающего за подачу углеродосодержащего газа и получение УНТ путем газофазного осаждения. В момент начала и в процессе выращивания производится замер давления в камере.

Измерение температуры проводятся с помощью термопары (помещенной внутрь камеры), сигнал с которой через нормализующий преобразователь НП002 поступает на микроконтроллер и в последствии обрабатывается. Давление в камере определяется обработкой сигналов ac_P.

Характеристики курсовой работы

Список файлов

Установка газофазного выращивания УНТ
Задание.doc
Лист (1).cdw
Лист (2).cdw
Лист (3).cdw
Лист (4).cdw
Презентация.ppt
Прочти меня.txt
САУ.doc
Чертёж (1).jpg
Чертёж (2).jpg
Чертёж (3).jpg
Чертёж (4).jpg
Картинка-подпись
Зарабатывай на студизбе! Просто выкладывай то, что так и так делаешь для своей учёбы: ДЗ, шпаргалки, решённые задачи и всё, что тебе пригодилось.
Начать зарабатывать

Комментарии

Нет комментариев
Стань первым, кто что-нибудь напишет!
Поделитесь ссылкой:
Цена: 1 200 руб.
Расширенная гарантия +3 недели гарантии, +10% цены
Рейтинг автора
4,78 из 5
Поделитесь ссылкой:
Сопутствующие материалы

Подобрали для Вас услуги

-26%
Вы можете использовать курсовую работу для примера, а также можете ссылаться на неё в своей работе. Авторство принадлежит автору работы, поэтому запрещено копировать текст из этой работы для любой публикации, в том числе в свою курсовую работу в учебном заведении, без правильно оформленной ссылки. Читайте как правильно публиковать ссылки в своей работе.
Свежие статьи
Популярно сейчас
Почему делать на заказ в разы дороже, чем купить готовую учебную работу на СтудИзбе? Наши учебные работы продаются каждый год, тогда как большинство заказов выполняются с нуля. Найдите подходящий учебный материал на СтудИзбе!
Ответы на популярные вопросы
Да! Наши авторы собирают и выкладывают те работы, которые сдаются в Вашем учебном заведении ежегодно и уже проверены преподавателями.
Да! У нас любой человек может выложить любую учебную работу и зарабатывать на её продажах! Но каждый учебный материал публикуется только после тщательной проверки администрацией.
Вернём деньги! А если быть более точными, то автору даётся немного времени на исправление, а если не исправит или выйдет время, то вернём деньги в полном объёме!
Да! На равне с готовыми студенческими работами у нас продаются услуги. Цены на услуги видны сразу, то есть Вам нужно только указать параметры и сразу можно оплачивать.
Отзывы студентов
Ставлю 10/10
Все нравится, очень удобный сайт, помогает в учебе. Кроме этого, можно заработать самому, выставляя готовые учебные материалы на продажу здесь. Рейтинги и отзывы на преподавателей очень помогают сориентироваться в начале нового семестра. Спасибо за такую функцию. Ставлю максимальную оценку.
Лучшая платформа для успешной сдачи сессии
Познакомился со СтудИзбой благодаря своему другу, очень нравится интерфейс, количество доступных файлов, цена, в общем, все прекрасно. Даже сам продаю какие-то свои работы.
Студизба ван лав ❤
Очень офигенный сайт для студентов. Много полезных учебных материалов. Пользуюсь студизбой с октября 2021 года. Серьёзных нареканий нет. Хотелось бы, что бы ввели подписочную модель и сделали материалы дешевле 300 рублей в рамках подписки бесплатными.
Отличный сайт
Лично меня всё устраивает - и покупка, и продажа; и цены, и возможность предпросмотра куска файла, и обилие бесплатных файлов (в подборках по авторам, читай, ВУЗам и факультетам). Есть определённые баги, но всё решаемо, да и администраторы реагируют в течение суток.
Маленький отзыв о большом помощнике!
Студизба спасает в те моменты, когда сроки горят, а работ накопилось достаточно. Довольно удобный сайт с простой навигацией и огромным количеством материалов.
Студ. Изба как крупнейший сборник работ для студентов
Тут дофига бывает всего полезного. Печально, что бывают предметы по которым даже одного бесплатного решения нет, но это скорее вопрос к студентам. В остальном всё здорово.
Спасательный островок
Если уже не успеваешь разобраться или застрял на каком-то задание поможет тебе быстро и недорого решить твою проблему.
Всё и так отлично
Всё очень удобно. Особенно круто, что есть система бонусов и можно выводить остатки денег. Очень много качественных бесплатных файлов.
Отзыв о системе "Студизба"
Отличная платформа для распространения работ, востребованных студентами. Хорошо налаженная и качественная работа сайта, огромная база заданий и аудитория.
Отличный помощник
Отличный сайт с кучей полезных файлов, позволяющий найти много методичек / учебников / отзывов о вузах и преподователях.
Отлично помогает студентам в любой момент для решения трудных и незамедлительных задач
Хотелось бы больше конкретной информации о преподавателях. А так в принципе хороший сайт, всегда им пользуюсь и ни разу не было желания прекратить. Хороший сайт для помощи студентам, удобный и приятный интерфейс. Из недостатков можно выделить только отсутствия небольшого количества файлов.
Спасибо за шикарный сайт
Великолепный сайт на котором студент за не большие деньги может найти помощь с дз, проектами курсовыми, лабораторными, а также узнать отзывы на преподавателей и бесплатно скачать пособия.
Популярные преподаватели
Добавляйте материалы
и зарабатывайте!
Продажи идут автоматически
6823
Авторов
на СтудИзбе
275
Средний доход
с одного платного файла
Обучение Подробнее