Главная » Учебные материалы » Системы автоматического управления (САУ) (МТ-11) » Курсовые работы » МГТУ им. Н.Э.Баумана » 11 семестр (3 семестр магистратуры) » Проектирование системы сверхточного позиционирования координатного стола на основе МЭ-демпферов

Курсовая работа: Проектирование системы сверхточного позиционирования координатного стола на основе МЭ-демпферов

Описание

Готовая курсовая работа, которая была защищена в 2011-м году

Расчетно-пояснительная записка


К КУРСОВОМУ ПРОЕКТУ НА ТЕМУ:


«Проектирование системы сверхточного позиционирования координатного стола на основе МЭ - демпферов »


Москва 2011

Техническое задание

на курсовой проект по курсу «Основы проектирования систем автоматического управления оборудования электронных технологий».


Тема проекта: Проектирование системы сверхточного позиционирования координатного стола на основе МЭ – демпферов.


1. Проработать описание работы машины, выбрать и обосновать состав его основных целевых функций, сервисных функций, функций коррекции цели.

2. Разработать комплексную принципиальную схему, как совокупность системы целевых механизмов, системы их энергообеспечения и системы управления, связанных материальными, энергетическими и информационными потоками.

3. Описать механический, энергетический и информационный интерфейс компонентов машины. Дать техническое задание и техническое предложение на САУ и основные элементы машины.

4. Разработать принципиальную электрическую схему элемента САУ или САУ в целом.


Содержание графической части.

  1. Процессная модель машины..................................................1 л.
  2. Комплексная принципиальная схема....................................2 л.
  3. Источник тока.................................................. ..................1 л.


Содержание расчетно-пояснительной записки.

  1. Введение. Описание целевого, механического и энергетического интерфейса спроектированной технологической машины.
  2. Описание процессной модели. Выбор и обоснование целевых, сервисных функций, и функций коррекции цели.
  3. Техническое задание и техническое предложение на систему управления машины по приведенной в Приложении 1 форме.
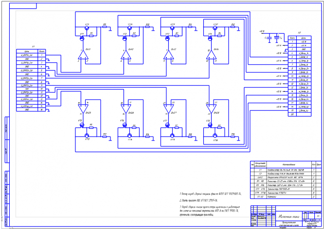
  4. Описание комплексной принципиальной схемы . Обоснование структурно-компоновочного решения, выбор и согласование уровней потоков элементов.
  5. Документы, сопровождающие комплексную принципиальную схему:
  6. перечень элементов ПЭ;
  7. перечень потоков и сигналов ПС;
  8. технические задания на основные подсистемы и узлы машины ТЗ.
  9. Информационный поиск датчиков и исполнительных элементов машины и ее САУ, описание целевого, механического, энергетического и информационного интерфейса этих элементов ОЭ.
  10. Расчет и описание усилителя источника тока.
  11. Заключение.





РЕФЕРАТ


В данном курсовом проекте рассмотрена система автоматического управления установкой визуального контроля и измерений печатных плат.

Рассмотрены основные узлы САУ и проведено проектирование печатной платы одного из блоков.

Расчетно-пояснительная записка составляет 30 страниц, выполненных в среде MicrosoftWord® 2011. Записка содержит 7 таблиц, 13 рисунок.

Графическую часть проекта составляют 4 листа формата А1 и 1 лист формата А3, выполненных в среде Kompas®V13.

Графическая часть курсового проекта содержит:

  • Принципиальную схему установки.
  • Процессную модель установки.
  • Функциональную схему установки.
  • Схему источника тока.
  • Схему разводки печатной платы.









Оглавление




Техническое задание. 2

Введение. 5

Технические характеристики МЭ-демпфера: 6

1. Состав установки. 7

2. Процессная модель. 8

2.1 Целевые процессы работы установки. 8

2.2 Алгоритмы последовательных процессов работы установки. 10

2.3 Сервисные процессы.. 11

3. Комплексная принципиальная схема. 12

3.1 Механическая часть. 12

3.2 Блок питания. 14

3.2 Шаговый двигатель. 16

3.4 Блок управления шаговыми двигателями. 18

3.6 Блок управления лазерным энкодером.. 21

3.7 Блок управления демпферами. 23

4. Требования к обеспечению персонального компьютера. 27

Заключение. 28

Список литературы.. 29










Введение


Современное прецизионное оборудование для лазерной и плазменной резки, раскроя листового материала, гравировально-фрезерные используются вкоординатных системах, где требуется высокая скорость перемещения в сочетании с высокой точностью позиционирования. Простым примером координатной системы является 2ух координатный стол на основе шаговых двигателях. Но добиться требуемой точности позиционирования не всегда возможно используя лишь одну систему. Проблема сверхточного позиционирования в координатных столах на основе шаговых двигателях может быть решена с помощью демпферов на основе магнитоуправляемого эластомера (МЭ-демпфер), идея которых заключаются в использовании материала, меняющего при воздействии управляющего магнитного поля модуль упругости и относительную деформацию. На основе данного материала разработаны и исследуются МЭ-демпферы, обладающие высокой точностью, быстродействием и диапазоном перемещений. МЭ-демпфер позволяет обеспечить:

  • малую погрешность линейного перемещения до 0,1 мкм;
  • малое время отклика £ 0,05 с;
  • диапазон линейных перемещений до 1 мм;


Установка состоит из координатного стола, плиты, четырех демпферов, двух датчиков положения. платформа, располагающееся на демпферах, подвижна в диапазоне 1мм по осям Х и Y. Она необходимо для уменьшения погрешности создаваемой шаговыми двигателями. Количество демпферов - четыре. Перемещение каждого демпфера строго одинаково по направлению и амплитуде. Демпферы крепятся с помощью болтового соединения к платформе.

Обрабатываемый материал закрепляется на платформе, которая располагается на демпферах.

Перемещение фиксируется с помощью 2ух лазерных датчиков. Демпфер является основным элементом привода установки сверхточного позиционирования.


Технические характеристики МЭ-демпфера:

  • Максимальная погрешность перемещения платформы по осям X, Y ……...…….0.1 мкм
  • Диапазон перемещений по оси X, Y ………………………………………………1 мм
  • Постоянная времени t ……………………………………………………………….0,05 с
  • Максимальный ток в катушке I ……………………………………………………..2 А
  • Температура узла в рабочем состоянии t ……………………………………………20 ° С


Характеристики курсовой работы

Список файлов

Проектирование системы сверхточного позиционирования координатного стола на основе МЭ-демпферов
5.lay
plata.JPG
Презентация.ppt
Прочти меня.txt
РПЗ.docx
Чертёж (1).cdw
Чертёж (2).cdw
Чертёж (3).cdw
Чертёж (4).cdw
Картинка-подпись
Зарабатывай на студизбе! Просто выкладывай то, что так и так делаешь для своей учёбы: ДЗ, шпаргалки, решённые задачи и всё, что тебе пригодилось.
Начать зарабатывать

Комментарии

Нет комментариев
Стань первым, кто что-нибудь напишет!
Поделитесь ссылкой:
Цена: 1 200 руб.
Расширенная гарантия +3 недели гарантии, +10% цены
Рейтинг покупателей
5 из 5
Поделитесь ссылкой:
Сопутствующие материалы

Подобрали для Вас услуги

-26%
Вы можете использовать курсовую работу для примера, а также можете ссылаться на неё в своей работе. Авторство принадлежит автору работы, поэтому запрещено копировать текст из этой работы для любой публикации, в том числе в свою курсовую работу в учебном заведении, без правильно оформленной ссылки. Читайте как правильно публиковать ссылки в своей работе.
Свежие статьи
Популярно сейчас
Зачем заказывать выполнение своего задания, если оно уже было выполнено много много раз? Его можно просто купить или даже скачать бесплатно на СтудИзбе. Найдите нужный учебный материал у нас!
Ответы на популярные вопросы
Да! Наши авторы собирают и выкладывают те работы, которые сдаются в Вашем учебном заведении ежегодно и уже проверены преподавателями.
Да! У нас любой человек может выложить любую учебную работу и зарабатывать на её продажах! Но каждый учебный материал публикуется только после тщательной проверки администрацией.
Вернём деньги! А если быть более точными, то автору даётся немного времени на исправление, а если не исправит или выйдет время, то вернём деньги в полном объёме!
Да! На равне с готовыми студенческими работами у нас продаются услуги. Цены на услуги видны сразу, то есть Вам нужно только указать параметры и сразу можно оплачивать.
Отзывы студентов
Ставлю 10/10
Все нравится, очень удобный сайт, помогает в учебе. Кроме этого, можно заработать самому, выставляя готовые учебные материалы на продажу здесь. Рейтинги и отзывы на преподавателей очень помогают сориентироваться в начале нового семестра. Спасибо за такую функцию. Ставлю максимальную оценку.
Лучшая платформа для успешной сдачи сессии
Познакомился со СтудИзбой благодаря своему другу, очень нравится интерфейс, количество доступных файлов, цена, в общем, все прекрасно. Даже сам продаю какие-то свои работы.
Студизба ван лав ❤
Очень офигенный сайт для студентов. Много полезных учебных материалов. Пользуюсь студизбой с октября 2021 года. Серьёзных нареканий нет. Хотелось бы, что бы ввели подписочную модель и сделали материалы дешевле 300 рублей в рамках подписки бесплатными.
Отличный сайт
Лично меня всё устраивает - и покупка, и продажа; и цены, и возможность предпросмотра куска файла, и обилие бесплатных файлов (в подборках по авторам, читай, ВУЗам и факультетам). Есть определённые баги, но всё решаемо, да и администраторы реагируют в течение суток.
Маленький отзыв о большом помощнике!
Студизба спасает в те моменты, когда сроки горят, а работ накопилось достаточно. Довольно удобный сайт с простой навигацией и огромным количеством материалов.
Студ. Изба как крупнейший сборник работ для студентов
Тут дофига бывает всего полезного. Печально, что бывают предметы по которым даже одного бесплатного решения нет, но это скорее вопрос к студентам. В остальном всё здорово.
Спасательный островок
Если уже не успеваешь разобраться или застрял на каком-то задание поможет тебе быстро и недорого решить твою проблему.
Всё и так отлично
Всё очень удобно. Особенно круто, что есть система бонусов и можно выводить остатки денег. Очень много качественных бесплатных файлов.
Отзыв о системе "Студизба"
Отличная платформа для распространения работ, востребованных студентами. Хорошо налаженная и качественная работа сайта, огромная база заданий и аудитория.
Отличный помощник
Отличный сайт с кучей полезных файлов, позволяющий найти много методичек / учебников / отзывов о вузах и преподователях.
Отлично помогает студентам в любой момент для решения трудных и незамедлительных задач
Хотелось бы больше конкретной информации о преподавателях. А так в принципе хороший сайт, всегда им пользуюсь и ни разу не было желания прекратить. Хороший сайт для помощи студентам, удобный и приятный интерфейс. Из недостатков можно выделить только отсутствия небольшого количества файлов.
Спасибо за шикарный сайт
Великолепный сайт на котором студент за не большие деньги может найти помощь с дз, проектами курсовыми, лабораторными, а также узнать отзывы на преподавателей и бесплатно скачать пособия.
Популярные преподаватели
Добавляйте материалы
и зарабатывайте!
Продажи идут автоматически
7137
Авторов
на СтудИзбе
254
Средний доход
с одного платного файла
Обучение Подробнее