Для студентов МГТУ им. Н.Э.Баумана по предмету Системы автоматического управления (САУ) (МТ-11)Разработка САУ установки травления погружного типаРазработка САУ установки травления погружного типа
4,78522926
2017-12-22СтудИзба

Курсовая работа: Разработка САУ установки травления погружного типа

Описание

Курсовая работа по САУ 2010-го года (сдана и защищена)

«Разработка системы автоматического управления установки травления »


Расчетно-пояснительная записка


Москва, 2010


Содержание


Техническое задание

3

Реферат

4

Введение

5

Описание процессной модели

6

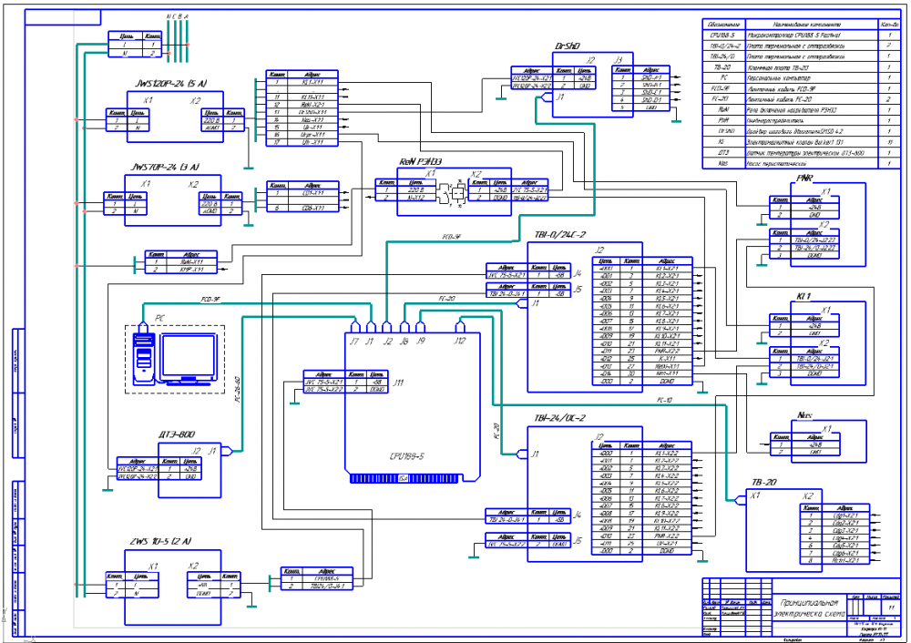
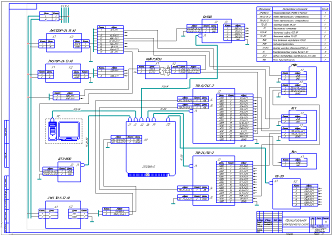
Описание комплексной принципиальной схемы

7

Сервисные функции

9

Коррекция цели

9

Система энергообеспечения и пневмосистема

9

Перечень информационных сигналов системы управления

10

Техническое задание на основные подсистемы машины

10

Заключение

26

Список литературы

27





Реферат.


Графические работы в объеме 4 листов выполнены на ПК с помощью программы АСКОН КОМПАС V12. Записка выполнена с использованием программного продукта Microsoft Word 2007.


Целью данного курсового проекта является овладение навыками, методами и средствами комплексных разработок механических и электронных компонентов оборудования САУ, а также правилами и методами составления технического задания на программное обеспечение САУ.


Задачи проекта состоят в:

  • распределении функций машины между различными компонентами и обоснование этих функций;
  • постановке четких технических заданий перед разработчиками отдельных компонентов;
  • выполнении технической документации на электронные компоненты.


В проекте разработана система автоматического управления установки травления. Курсовой проект выполнен в следующем объеме:

  • процессная модель (алгоритм работы системы управления установкой);
  • комплексная принципиальная схема (КПС) установки, включающая разработку КПС механической части и КПС систем энергообеспечения и управления; схема соединений; экран монитора персонального компьютера.
  • Принципиальная электрическая схема. Соединение всех основных элементов САУ


В расчетно-пояснительной записке приведены необходимые пояснения, описания и отражены принципы построения САУ установки.


Введение.


Автоматизация производства является одним из основных факторов современной научно-технической революции, открывающей перед человечеством беспрецедентные возможности преобразования природы, создания огромных материальных богатств, умножения творческих способностей человека.

Производственное оборудование становится всё более автоматизированным во многих сферах его применения. Без управляющей электроники уже не может обойтись ни одна отрасль промышленности, особенно электронное машиностроение, где необходимо управление множеством технологических параметров при высочайшей точности и жестких требованиях к соблюдению технологии.


Перед началом проекта необходимо:


  • внимательно изучить и продумать все возможные варианты применения САУ в данной конструкции и выбрать оптимальный из этих вариантов, как по цене, так и по сложности изготовления и эксплуатации;
  • обеспечить проектируемое оборудование более высоким сроком службы, то есть, чтобы его физическое и моральное старение настало как можно позже.


Процессы травления, являются неотъемлемой частью производства ПП и от качества их выполнения в значительной степени зависит производство изделий в целом.

В результате травления происходит удаление медного токопроводящего покрытия и вскрытие стеклотекстолитового основания печатной платы. Однако на практике получить проектный размер проводника не удается, так как имеет место процесс бокового подтрава. При протекании этого процесса, боковые стенки проводника стравливаются, теряется исходная геометрия, вследствие чего, параметры, заложенные на этапе проектирования ПП не будут соблюдены.


К качеству травления предъявляют повышенные требования и можно сказать, что именно травление – одна из важнейших операций в процессе изготовления ПП.


Травление производиться в несколько этапов. После установки заготовки в корзину заготовка совершая вертикальные возвратно-поступательные движения поммещается в раствор травителя, FeCl3 или CuCl, далее заготовка перемещаетс в ванну со слабоконцентрируемым раствором HCl, после его следует трехкаскадная промывка заготовки в ваннах с водой.


  • 1 ванна травления (нагревателями на 500Вт);
  • 1 ванна обработки;
  • 3 ванны промывки.


Кроме того установка травления должна обладать следующими характеристиками:


  • Малые габаритные размеры
  • Высокая производительность
  • Низкая стоимость
  • Универсальность
  • Простота наладки
  • Автоматизация процесса.



Характеристики курсовой работы

Список файлов

Разработка САУ установки травления погружного типа
1_1.cdw
Записка.doc
Исходник чертежа (1).cdw
Исходник чертежа (2).cdw
Исходник чертежа (3).cdw
Исходник чертежа (4).cdw
Презентация.pptx
Прочти меня.txt
Чертёж (1).jpg
Чертёж (2).jpg
Чертёж (3).jpg
Чертёж (4).jpg
Картинка-подпись
Зарабатывай на студизбе! Просто выкладывай то, что так и так делаешь для своей учёбы: ДЗ, шпаргалки, решённые задачи и всё, что тебе пригодилось.
Начать зарабатывать

Комментарии

Нет комментариев
Стань первым, кто что-нибудь напишет!
Поделитесь ссылкой:
Цена: 1 200 руб.
Расширенная гарантия +3 недели гарантии, +10% цены
Рейтинг автора
4,78 из 5
Поделитесь ссылкой:
Сопутствующие материалы

Подобрали для Вас услуги

Вы можете использовать курсовую работу для примера, а также можете ссылаться на неё в своей работе. Авторство принадлежит автору работы, поэтому запрещено копировать текст из этой работы для любой публикации, в том числе в свою курсовую работу в учебном заведении, без правильно оформленной ссылки. Читайте как правильно публиковать ссылки в своей работе.
Свежие статьи
Популярно сейчас
Как Вы думаете, сколько людей до Вас делали точно такое же задание? 99% студентов выполняют точно такие же задания, как и их предшественники год назад. Найдите нужный учебный материал на СтудИзбе!
Ответы на популярные вопросы
Да! Наши авторы собирают и выкладывают те работы, которые сдаются в Вашем учебном заведении ежегодно и уже проверены преподавателями.
Да! У нас любой человек может выложить любую учебную работу и зарабатывать на её продажах! Но каждый учебный материал публикуется только после тщательной проверки администрацией.
Вернём деньги! А если быть более точными, то автору даётся немного времени на исправление, а если не исправит или выйдет время, то вернём деньги в полном объёме!
Да! На равне с готовыми студенческими работами у нас продаются услуги. Цены на услуги видны сразу, то есть Вам нужно только указать параметры и сразу можно оплачивать.
Отзывы студентов
Ставлю 10/10
Все нравится, очень удобный сайт, помогает в учебе. Кроме этого, можно заработать самому, выставляя готовые учебные материалы на продажу здесь. Рейтинги и отзывы на преподавателей очень помогают сориентироваться в начале нового семестра. Спасибо за такую функцию. Ставлю максимальную оценку.
Лучшая платформа для успешной сдачи сессии
Познакомился со СтудИзбой благодаря своему другу, очень нравится интерфейс, количество доступных файлов, цена, в общем, все прекрасно. Даже сам продаю какие-то свои работы.
Студизба ван лав ❤
Очень офигенный сайт для студентов. Много полезных учебных материалов. Пользуюсь студизбой с октября 2021 года. Серьёзных нареканий нет. Хотелось бы, что бы ввели подписочную модель и сделали материалы дешевле 300 рублей в рамках подписки бесплатными.
Отличный сайт
Лично меня всё устраивает - и покупка, и продажа; и цены, и возможность предпросмотра куска файла, и обилие бесплатных файлов (в подборках по авторам, читай, ВУЗам и факультетам). Есть определённые баги, но всё решаемо, да и администраторы реагируют в течение суток.
Маленький отзыв о большом помощнике!
Студизба спасает в те моменты, когда сроки горят, а работ накопилось достаточно. Довольно удобный сайт с простой навигацией и огромным количеством материалов.
Студ. Изба как крупнейший сборник работ для студентов
Тут дофига бывает всего полезного. Печально, что бывают предметы по которым даже одного бесплатного решения нет, но это скорее вопрос к студентам. В остальном всё здорово.
Спасательный островок
Если уже не успеваешь разобраться или застрял на каком-то задание поможет тебе быстро и недорого решить твою проблему.
Всё и так отлично
Всё очень удобно. Особенно круто, что есть система бонусов и можно выводить остатки денег. Очень много качественных бесплатных файлов.
Отзыв о системе "Студизба"
Отличная платформа для распространения работ, востребованных студентами. Хорошо налаженная и качественная работа сайта, огромная база заданий и аудитория.
Отличный помощник
Отличный сайт с кучей полезных файлов, позволяющий найти много методичек / учебников / отзывов о вузах и преподователях.
Отлично помогает студентам в любой момент для решения трудных и незамедлительных задач
Хотелось бы больше конкретной информации о преподавателях. А так в принципе хороший сайт, всегда им пользуюсь и ни разу не было желания прекратить. Хороший сайт для помощи студентам, удобный и приятный интерфейс. Из недостатков можно выделить только отсутствия небольшого количества файлов.
Спасибо за шикарный сайт
Великолепный сайт на котором студент за не большие деньги может найти помощь с дз, проектами курсовыми, лабораторными, а также узнать отзывы на преподавателей и бесплатно скачать пособия.
Популярные преподаватели
Добавляйте материалы
и зарабатывайте!
Продажи идут автоматически
6906
Авторов
на СтудИзбе
267
Средний доход
с одного платного файла
Обучение Подробнее