Курсовая работа: Малогабаритная вакуумная установка модульного типа

-13%

Описание

Готовый курсовой проект по САУ, который был защищён в 2009-м году

Расчетно-пояснительная записка

к курсовому проекту по курсу

«Основы проектирования систем автоматического управления оборудованием электронных технологий »

на тему:

«Малогабаритная вакуумная установка модульного типа ».

Москва, 2009 г.


ЗАДАНИЕ

на курсовой проект по курсу

«Основы проектирования систем автоматического управления оборудования электронных технологий».


Тема проекта: Малогабаритная вакуумная установка модульного типа


1. Проработать описание работы машины, выбрать и обосновать состав его основных целевых функций, сервисных функций, функций коррекции цели.

2. Разработать комплексную принципиальную схему, как совокупность системы целевых механизмов, системы их энергообеспечения и системы управления, связанных материальными, энергетическими и информационными потоками.

3. Описать механический, энергетический и информационный интерфейс компонентов машины. Дать техническое задание и техническое предложение на САУ и основные элементы машины.

4. Разработать принципиальную электрическую схему элемента САУ или САУ в целом.


Содержание графической части.

  1. Процессная модель машины.....................................................1 л.
  2. Комплексная принципиальная схема.......................................2 л.
  3. Принципиальная электрическая схема..................................1 л.


Содержание расчетно-пояснительной записки.

  1. Введение. Описание целевого, механического и энергетического интерфейса спроектированной технологической машины.
  2. Описание процессной модели. Выбор и обоснование целевых, сервисных функций, и функций коррекции цели.
  3. Техническое задание и техническое предложение на систему управления машины по приведенной в Приложении 1 форме.
  4. Описание комплексной принципиальной схемы ФС. Обоснование структурно-компоновочного решения, выбор и согласование уровней потоков элементов.
  5. Документы, сопровождающие комплексную принципиальную схему:
  6. перечень элементов ПЭ;
  7. перечень потоков и сигналов ПС;
  8. технические задания на основные подсистемы и узлы машины ТЗ.
  9. Информационный поиск датчиков и исполнительных элементов машины и ее САУ, описание целевого, механического, энергетического и информационного интерфейса этих элементов ОЭ.
  10. Расчет и описание принципиальной электрической схемы.
  11. Заключение.








СОДЕРЖАНИЕ

Содержание ...................................................................................... .....................3

Введение ...................................................................................... ..........................4

1. Описание процессной модели ........................................................................7

1.1 Деление технологии напыления на процессы ................................7

1.2 Выбор сервисных функций ..............................................................14

1.3 Выбор функции коррекции цели ....................................................14

2. Описание комплексной принципиальной схемы ....................................16

3. Информационный поиск датчиков и исполнительных элементов машины и ее САУ ...............................................................................................18

3.1 ТЗ на элементы САУ ..........................................................................18

3.2 ТЗ на элементы установки .........................................................21

3.3 ТЗ на силовой модуль и источники питания ................................29

4. Расчет и описание принципиальной электрической схемы ..................33

Заключение ...................................................................................... ...................34

Список литературы ............................................................................................35

Приложение .........................................................................................................36
Введение


Производственное оборудование становится всё более автоматизированным во многих сферах его применения. Без управляющей электроники уже не может обойтись ни одна отрасль промышленности, особенно электронное машиностроение, где необходимо управление множеством технологических параметров при высочайшей точности и жестких требованиях к соблюдению технологии.


Рис. 1 – Малогабаритная вакуумная установка модульного типа


При конструировании необходимо:

  • внимательно изучить и продумать все возможные варианты применения САУ в данной конструкции и выбрать оптимальный из этих вариантов, как по цене, так и по сложности изготовления и эксплуатации;
  • обеспечить проектируемое оборудование более высоким сроком службы, то есть, чтобы его физическое и моральное старение настало как можно позже (для этого в конструкцию изделия заранее закладывают модули, которые легко можно заменить или доработать).

Целью данного курсового проекта является автоматизация процессов нанесения тонкопленочных покрытий на малогабаритной вакуумной установке модульного типа, овладение навыками, методами и средствами комплексных разработок электронных компонентов оборудования САУ.

К механическому интерфейсу установки относятся:

  • клапана;
  • затворы;
  • насосы
  • манипулятор;
  • вентилятор;

К энергетическому интерфейсу установки относятся:

  • блоки питания;
  • контроллер;
  • ПК.

Задачи проекта состоят в:

  • распределении функций машины между различными компонентами и обоснование этих функций;
  • постановке четких технических заданий перед разработчиками отдельных компонентов;
  • выполнении технической документации на электронные компоненты.

Для упрощения работы оператора и повышения производительности предложен вариант полностью автоматизированной установки вместо существующей установки с ручным управлением.

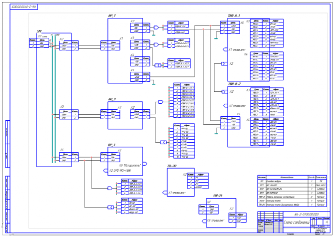
Курсовой проект выполнен в объеме 4-х листов А1 и расчетно-пояснительной записки. На первом листе приведены алгоритм протекания процессов работы установки, таблица процессов (процессная модель). На втором, третьем – комплексная принципиальная схема установки: механика, энергообеспечение, системы автоматического управления. На четвертом листе - принципиальная схема электрических соединений.

В расчетно-пояснительной записке приведены необходимые пояснения и расчеты, отражены принципы построения СУ установки, даны описания листов проекта.


1. Описание процессной модели

В данном курсовом проекте разработана процессная модель автоматического управления малогабаритной вакуумной установкой модульного типа (см. Лист 1 – «Процессная модель» ).

Перед нанесением тонкопленочного покрытия методом резистивного испарения очищенная подложка устанавливается на держатель манипулятора через загрузочную камеру. Затем производится предварительная откачка рабочей и загрузочной камеры до низкого давления. Затем с помощью манипулятора подложка перемещается в рабочую камеру до срабатывания конечного выключателя и закрепляется на подложкодержателе, к которому прикреплен нагреватель. После закрытия затворов и переключения на высоковакуумную откачку, производится откачка рабочей камеры до высокого вакуума (10-3 Па) и получение покрытия путем испарения материала со спирали. В момент начала и в процессе осаждения одновременно с подачей напряжения и тока производится замер давления в камере.

Измерение температуры проводятся с помощью термопары (помещенной внутрь камеры), сигнал с которой через нормализующий преобразователь НП002 поступает на микроконтроллер и в последствии обрабатывается. Давление в камере определяется обработкой сигналов ac_P2.

Давление в загрузочной камере и в форвакуумной магистрали измеряется по средством вакуумных датчиков Р1 и Р3 соответсвенно.


1.1 Деление технологии напыления на процессы


В работе установки можно выделить следующие основные процессы:

1. Загрузка подложки

  • В загрузочную камеру
  • В рабочую камеру

2. Откачка:

Характеристики курсовой работы

Список файлов

Малогабаритная вакуумная установка модульного типа
приложение
CPU
CPU188-5v3_DS.pdf
Cpu188-5v3_UM.pdf
TB20
TBxx.pdf
TBI24
tbi.pdf
TBR8
TBR-8_Ds.pdf
БП_IQ-60D
IQ60.pdf
БП_JWS240P-24
JWSP.pdf
БП_ZUP36-12
128866775906521250_ZUP Rev.C.pdf
ZUP.pdf
Вакуумное оборудование BOC Edwards
BOC Product Catalog 2007.pdf
Вакуумное оборудование MDC
catalog-section7.pdf
Датчик конечного положения
DOC000053896.pdf
DOC000272349.pdf
DOC000274056.pdf
Каркас
icc19xx.pdf
НП002
tspu002.pdf
Картинка-подпись
Зарабатывай на студизбе! Просто выкладывай то, что так и так делаешь для своей учёбы: ДЗ, шпаргалки, решённые задачи и всё, что тебе пригодилось.
Начать зарабатывать

Комментарии

Нет комментариев
Стань первым, кто что-нибудь напишет!
Поделитесь ссылкой:
Цена: 1 200 1 039 руб.
Скидка закончится 27 марта в 23:59
Расширенная гарантия +3 недели гарантии, +10% цены
Рейтинг автора
4,79 из 5
Поделитесь ссылкой:
Сопутствующие материалы

Подобрали для Вас услуги

-20%
-55%
-50%
Вы можете использовать курсовую работу для примера, а также можете ссылаться на неё в своей работе. Авторство принадлежит автору работы, поэтому запрещено копировать текст из этой работы для любой публикации, в том числе в свою курсовую работу в учебном заведении, без правильно оформленной ссылки. Читайте как правильно публиковать ссылки в своей работе.
Свежие статьи
Популярно сейчас
Зачем заказывать выполнение своего задания, если оно уже было выполнено много много раз? Его можно просто купить или даже скачать бесплатно на СтудИзбе. Найдите нужный учебный материал у нас!
Ответы на популярные вопросы
Да! Наши авторы собирают и выкладывают те работы, которые сдаются в Вашем учебном заведении ежегодно и уже проверены преподавателями.
Да! У нас любой человек может выложить любую учебную работу и зарабатывать на её продажах! Но каждый учебный материал публикуется только после тщательной проверки администрацией.
Вернём деньги! А если быть более точными, то автору даётся немного времени на исправление, а если не исправит или выйдет время, то вернём деньги в полном объёме!
Да! На равне с готовыми студенческими работами у нас продаются услуги. Цены на услуги видны сразу, то есть Вам нужно только указать параметры и сразу можно оплачивать.
Отзывы студентов
Ставлю 10/10
Все нравится, очень удобный сайт, помогает в учебе. Кроме этого, можно заработать самому, выставляя готовые учебные материалы на продажу здесь. Рейтинги и отзывы на преподавателей очень помогают сориентироваться в начале нового семестра. Спасибо за такую функцию. Ставлю максимальную оценку.
Лучшая платформа для успешной сдачи сессии
Познакомился со СтудИзбой благодаря своему другу, очень нравится интерфейс, количество доступных файлов, цена, в общем, все прекрасно. Даже сам продаю какие-то свои работы.
Студизба ван лав ❤
Очень офигенный сайт для студентов. Много полезных учебных материалов. Пользуюсь студизбой с октября 2021 года. Серьёзных нареканий нет. Хотелось бы, что бы ввели подписочную модель и сделали материалы дешевле 300 рублей в рамках подписки бесплатными.
Отличный сайт
Лично меня всё устраивает - и покупка, и продажа; и цены, и возможность предпросмотра куска файла, и обилие бесплатных файлов (в подборках по авторам, читай, ВУЗам и факультетам). Есть определённые баги, но всё решаемо, да и администраторы реагируют в течение суток.
Маленький отзыв о большом помощнике!
Студизба спасает в те моменты, когда сроки горят, а работ накопилось достаточно. Довольно удобный сайт с простой навигацией и огромным количеством материалов.
Студ. Изба как крупнейший сборник работ для студентов
Тут дофига бывает всего полезного. Печально, что бывают предметы по которым даже одного бесплатного решения нет, но это скорее вопрос к студентам. В остальном всё здорово.
Спасательный островок
Если уже не успеваешь разобраться или застрял на каком-то задание поможет тебе быстро и недорого решить твою проблему.
Всё и так отлично
Всё очень удобно. Особенно круто, что есть система бонусов и можно выводить остатки денег. Очень много качественных бесплатных файлов.
Отзыв о системе "Студизба"
Отличная платформа для распространения работ, востребованных студентами. Хорошо налаженная и качественная работа сайта, огромная база заданий и аудитория.
Отличный помощник
Отличный сайт с кучей полезных файлов, позволяющий найти много методичек / учебников / отзывов о вузах и преподователях.
Отлично помогает студентам в любой момент для решения трудных и незамедлительных задач
Хотелось бы больше конкретной информации о преподавателях. А так в принципе хороший сайт, всегда им пользуюсь и ни разу не было желания прекратить. Хороший сайт для помощи студентам, удобный и приятный интерфейс. Из недостатков можно выделить только отсутствия небольшого количества файлов.
Спасибо за шикарный сайт
Великолепный сайт на котором студент за не большие деньги может найти помощь с дз, проектами курсовыми, лабораторными, а также узнать отзывы на преподавателей и бесплатно скачать пособия.
Популярные преподаватели
Добавляйте материалы
и зарабатывайте!
Продажи идут автоматически
7137
Авторов
на СтудИзбе
254
Средний доход
с одного платного файла
Обучение Подробнее