Главная » Учебные материалы » Системы автоматического управления (САУ) (МТ-11) » Курсовые работы » МГТУ им. Н.Э.Баумана » 11 семестр (3 семестр магистратуры) » Проектирование системы управления установки монтажа проволочных межсоединений Delvotec 6400

Курсовая работа: Проектирование системы управления установки монтажа проволочных межсоединений Delvotec 6400

Описание

Защищённый курсовой проект 2008-го года по САУ

Проект курсовой


На тему: «Проектирование системы управления установки монтажа проволочных межсоединений Delvotec 6400»


Расчетно-пояснительная записка


Москва 2008


Задание.

на курсовой проект по САУ оборудования электронных технологий

Тема проекта:

Электронная система управления установки разварки выводов.

1. Объем проекта - минимум 4 листа графических работ, (формат А1) и пояснительная записка, объемом около 30 стр. Проект представляется для защиты на бумажном носителе и в электронном виде, как выходные файлы ACAD для графических листов и Word для расчетно-пояснительной записки.

Для выполнения графических работ, по согласованию с консультантом, допускается использование программ, совместимых с ACAD (КОМПАС и др.).

2. Первый лист – процессная модель, должен представлять графические материалы по техническому заданию и техническому предложению на функции и процессы, реализуемые САУ.

Сопровождается лист документом "Техническое задание и предложение на систему управления", рекомендуемая форма которого приведена в Приложении 1. ТЗ и ТП приводится в пояснительной записке.

3. На втором и третьем листах проекта (комплексной принципиальной или функциональной схеме) должна быть представлена ресурсная модель машины со взаимной увязкой материальных, энергетических и информационных потоков между ее целевыми механизмами, системой их энергообеспечения и системой управления. Каждый из листов должен сопровождаться перечнем элементов (расширение ПЭ) и перечнем потоков (сигналов ПС) по приведенной в Приложении 1 форме.

По комплектующим элементам составляется документ "Описание элементов ОЭ ", по подсистемам и узлам, подлежащим последующей разработке - технические задания ТЗ на них.

4. На четвертом листе проекта должна быть представлена принципиальная электрическая схема (Э3) нестандартного элемента САУ или системы энергообеспечения. Если в процессе проектирования разработчик смог обойтись только стандартными элементами, что является его неоспоримой заслугой, приводится схема соединений (Э4) на всю установку.

5. Содержание расчетно-пояснительной записки.

  • Введение. Описание целевого, механического и энергетического интерфейса спроектированной технологической машины.
  • Описание процессной модели. Выбор и обоснование целевых, сервисных функций, и функций коррекции цели.
  • Техническое задание и техническое предложение на систему управления машины по приведенной в Приложении 1 форме.
  • Описание комплексной принципиальной схемы ФС. Выбор и согласование уровней потоков элементов.
  • Документы, сопровождающие комплексную принципиальную схему:

- перечень элементов ПЭ; - перечень потоков и сигналов ПС; - технические задания на основные подсистемы и узлы машины ТЗ.

  • Информационный поиск датчиков и исполнительных элементов машины и ее САУ, описание целевого, механического, энергетического и информационного интерфейса этих элементов ОЭ.
  • Расчет и описание схемы соединений.
  • Заключение.

Содержание

Задание. 2

Реферат. 4

1. Введение. 5

2. Описание целевого, механического и энергетического интерфейсов установки. 5

2.1 Описание процессной модели установки, 6

постановка ТЗ на программное обеспечение. 6

2.2. Режимы процессов. 9

Описание КПС. Выбор и согласование потоков. 10

Описание покупных элементов и систем. 10

Датчик положения (6) 17

Оптические угловые энкодеры. Omron E6B2. 20

Прецизионные преобразователи угловых перемещений. 20

Линейный синхронные двигатели серии LSM-32. 22

Шаговый двигатель Escap 110-064. 24

Лазерные датчик положения. Серия OD / OD Hi / OD Max. 24

Пьезо актуатор PSI-5A4E от компании PIEZO SYSTEMS, INC. 25

Расчет тока подаваемого на пьезоэлемент. 26

Расчет передаточного числа шагового двигателя. 28

Информационный поиск исполнительных элементов. 29

Список использованных источников. 30

Приложение 2. Перечень сигналов, соответствующий КПС целевых механизмов. 31

Приложение 3.Перечень элементов, соответствующий КПС САУ. 32

Приложение 4.Перечень сигналов, соответствующий КПС САУ. 32

Приложение 5.Перечень элементов, соответствующий схеме соединений. 33


Реферат

В данном курсовом проекте рассмотрена система автоматизированного управления установкой разваривания выводов методом клин-клин.

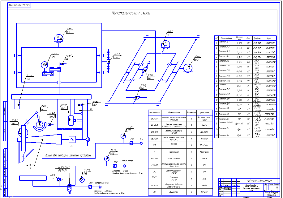
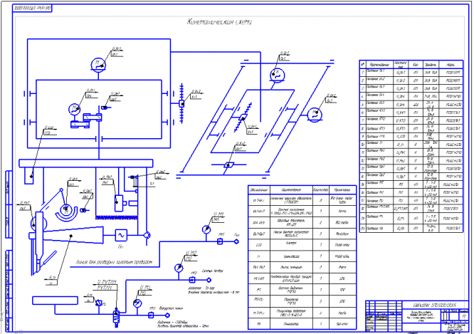
Рассмотрены основные узлы САУ. Проект выполнен в объеме 5 листов и расчетно-пояснительной записки. На первом листе показана принципиальная схема установки и КПС целевых механизмов. Интерфейс и принцип работы приведен на 2 и 3 листе. На четвертом листе проекта приведена комплексная принципиальная схема САУ. На пятом листе показана схема соединения установки.

Расчетно-пояснительная записка содержит 28 листов, 11 таблиц, 10 рисунков.


1. Введение

В данной работе будет рассматриваться проект системы автоматического управления установки монтажа проволочных межсоединений Delvotec 6400.

Назначение установки: использование в технологическом процессе сборки кристаллов в корпус. Соединение контактных площадок корпуса и кристалла проволокой диаметром 25 мкм.


Назначение:

- обеспечение приемлемой прочности монтажа межсоединений, более 3г;

- обеспечение точности расположения соединения на контактной площадке кристалла и корпуса, не более ±3 мкм.

В последнее время широкое распространение в технологии сборки интегральных микросхем получил процесс разварки выводов методом ультразвуковой сварки, о чем свидетельствуют многочисленные публикации и массовый выпуск соответствующего оборудования. Разваривание микросхем происходит методом клин-клин. При ультразвуковой сварке, соединение проволоки с контактной площадкой достигается за счет ультразвуковых колебаний волновода и усилия прижима проволоки. Его преимуществами, по сравнению с другими методами разваривания: максимальное усилие на отрыв, более высокая прочность соединения, не требуется дополнительная защита зоны сварки от воздуха, высокая производительность, надежность и небольшая стоимость установки, абсолютная экологическая безопасность.

2. Описание целевого, механического и энергетического интерфейсов установки.

Установка, рассмотренная в данной работе является прототипом установки Delvotec 6400 (Германия). В России такая установка работает на кристальном производстве НИИСИ РАН..

Целевой интерфейс: Установка предназначена для разварки выводов методом клин-клин.

Тип инструмента: Карбитовольфрамовая игла с углом подачи проволоки под углами 45, 30, 60 градусов.

Минимальные размеры контактных площадок: 40x75 мкм.

Точность разварки: позиционирование = ±3 мкм.

Производительность: 4-5 соединения в секунду.

Механический интерфейс:

Технические и технологические параметры установки:

Габаритные размеры установки, мм, не более:

  • Высота: 1826 мм
  • Длина: 1109 мм
  • Ширина: 575 мм
  • Вес: 700кг


Энергетический интерфейс:

Потребляемая электрическая мощность: не более 3,84 кВт;

Напряжение питания: 230-5%+10%, 50-60 Гц;

Требование по сжатому воздуху: 1.5 бар, внутренний диаметр подводящей магистрали 6 мм;

Требование по вакууму: 300 мбар, внутренний диаметр подводящей магистрали 10 мм;

Характеристики курсовой работы

Список файлов

Проектирование системы управления установки монтажа проволочных межсоединений Delvotec 6400
1.cdw
2.cdw
3.cdw
4.cdw
5.cdw
Прочти меня.txt
РПЗ.doc
САУ.doc
Фрагмент.frw
Картинка-подпись
Зарабатывай на студизбе! Просто выкладывай то, что так и так делаешь для своей учёбы: ДЗ, шпаргалки, решённые задачи и всё, что тебе пригодилось.
Начать зарабатывать

Комментарии

Нет комментариев
Стань первым, кто что-нибудь напишет!
Поделитесь ссылкой:
Цена: 1 200 руб.
Расширенная гарантия +3 недели гарантии, +10% цены
Рейтинг покупателей
5 из 5
Поделитесь ссылкой:
Сопутствующие материалы

Подобрали для Вас услуги

-26%
-55%
Вы можете использовать курсовую работу для примера, а также можете ссылаться на неё в своей работе. Авторство принадлежит автору работы, поэтому запрещено копировать текст из этой работы для любой публикации, в том числе в свою курсовую работу в учебном заведении, без правильно оформленной ссылки. Читайте как правильно публиковать ссылки в своей работе.
Свежие статьи
Популярно сейчас
А знаете ли Вы, что из года в год задания практически не меняются? Математика, преподаваемая в учебных заведениях, никак не менялась минимум 30 лет. Найдите нужный учебный материал на СтудИзбе!
Ответы на популярные вопросы
Да! Наши авторы собирают и выкладывают те работы, которые сдаются в Вашем учебном заведении ежегодно и уже проверены преподавателями.
Да! У нас любой человек может выложить любую учебную работу и зарабатывать на её продажах! Но каждый учебный материал публикуется только после тщательной проверки администрацией.
Вернём деньги! А если быть более точными, то автору даётся немного времени на исправление, а если не исправит или выйдет время, то вернём деньги в полном объёме!
Да! На равне с готовыми студенческими работами у нас продаются услуги. Цены на услуги видны сразу, то есть Вам нужно только указать параметры и сразу можно оплачивать.
Отзывы студентов
Ставлю 10/10
Все нравится, очень удобный сайт, помогает в учебе. Кроме этого, можно заработать самому, выставляя готовые учебные материалы на продажу здесь. Рейтинги и отзывы на преподавателей очень помогают сориентироваться в начале нового семестра. Спасибо за такую функцию. Ставлю максимальную оценку.
Лучшая платформа для успешной сдачи сессии
Познакомился со СтудИзбой благодаря своему другу, очень нравится интерфейс, количество доступных файлов, цена, в общем, все прекрасно. Даже сам продаю какие-то свои работы.
Студизба ван лав ❤
Очень офигенный сайт для студентов. Много полезных учебных материалов. Пользуюсь студизбой с октября 2021 года. Серьёзных нареканий нет. Хотелось бы, что бы ввели подписочную модель и сделали материалы дешевле 300 рублей в рамках подписки бесплатными.
Отличный сайт
Лично меня всё устраивает - и покупка, и продажа; и цены, и возможность предпросмотра куска файла, и обилие бесплатных файлов (в подборках по авторам, читай, ВУЗам и факультетам). Есть определённые баги, но всё решаемо, да и администраторы реагируют в течение суток.
Маленький отзыв о большом помощнике!
Студизба спасает в те моменты, когда сроки горят, а работ накопилось достаточно. Довольно удобный сайт с простой навигацией и огромным количеством материалов.
Студ. Изба как крупнейший сборник работ для студентов
Тут дофига бывает всего полезного. Печально, что бывают предметы по которым даже одного бесплатного решения нет, но это скорее вопрос к студентам. В остальном всё здорово.
Спасательный островок
Если уже не успеваешь разобраться или застрял на каком-то задание поможет тебе быстро и недорого решить твою проблему.
Всё и так отлично
Всё очень удобно. Особенно круто, что есть система бонусов и можно выводить остатки денег. Очень много качественных бесплатных файлов.
Отзыв о системе "Студизба"
Отличная платформа для распространения работ, востребованных студентами. Хорошо налаженная и качественная работа сайта, огромная база заданий и аудитория.
Отличный помощник
Отличный сайт с кучей полезных файлов, позволяющий найти много методичек / учебников / отзывов о вузах и преподователях.
Отлично помогает студентам в любой момент для решения трудных и незамедлительных задач
Хотелось бы больше конкретной информации о преподавателях. А так в принципе хороший сайт, всегда им пользуюсь и ни разу не было желания прекратить. Хороший сайт для помощи студентам, удобный и приятный интерфейс. Из недостатков можно выделить только отсутствия небольшого количества файлов.
Спасибо за шикарный сайт
Великолепный сайт на котором студент за не большие деньги может найти помощь с дз, проектами курсовыми, лабораторными, а также узнать отзывы на преподавателей и бесплатно скачать пособия.
Популярные преподаватели
Добавляйте материалы
и зарабатывайте!
Продажи идут автоматически
7136
Авторов
на СтудИзбе
254
Средний доход
с одного платного файла
Обучение Подробнее