Курсовая работа: Установка нанесения цветного рисунка на стекло
Описание

РАСЧЕТНО-ПОЯСНИТЕЛЬНАЯ ЗАПИСКА
к курсовому проекту «Основы проектирования систем автоматического управления оборудования электронных технологий»
на тему:
«Установка нанесения цветного рисунка на стекло»
Москва 2007г.
Оглавление
1. Техническое задание. 32. Реферат... 4
3. Описание целевого, механического и энергетического интерфейса установки 5
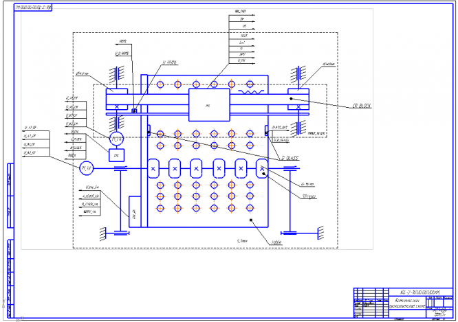
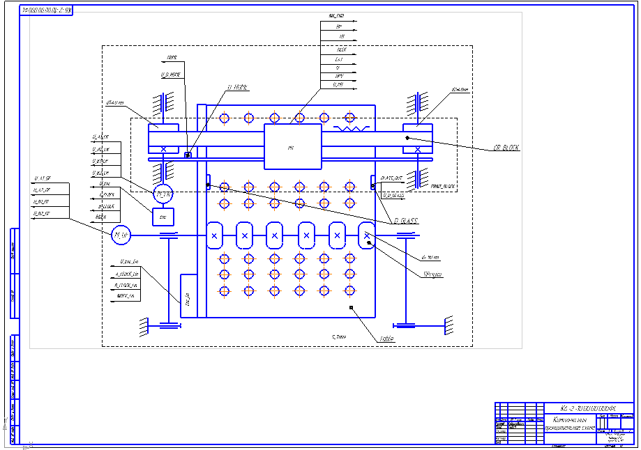
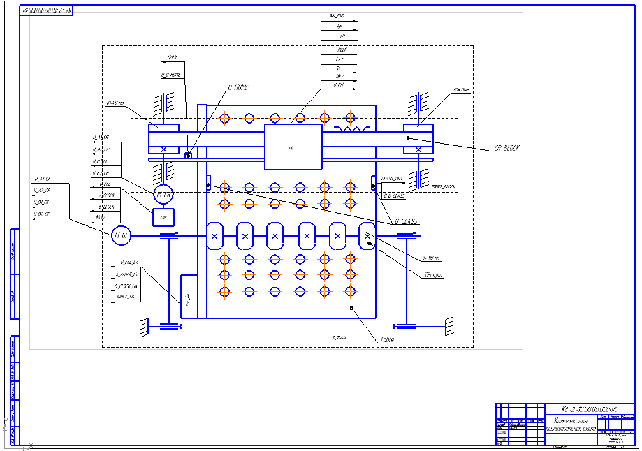
4. Описание комплексной принципиальной схемы ФС. Обоснование структурно-компоновочного решения, выбор и согласование уровней потоков элементов. 7
4.1 Система перемещения стеклоизделия К6-2-10.05.00.000 (STable) 7
4.2 Блок печати К6-2-10.06.00.000 (PRINT_BLOCK) 8
4.3 Система управления печатающим механизмом К6-2-10.02.00.000 (SUPM) 10
4.4 Центральная система управления К6-2-10.01.00.000 (CSU) 11
4.5 Панель управления К6-2-10.03.00.000. 12
4.6 Система энергообеспечения К6-2-10.04.00.000(SEO) 13
4.7 Техническое задание на печатающую головку К6-2-10.06.02.000. 14
5. Описание процессной модели. Выбор и обоснование целевых, сервисных функций, и функций коррекции цели. 17
6. Техническое задание и техническое предложение на систему управления машины 21
7. Документы, сопровождающие комплексную принципиальную схему: 22
8. Информационный поиск датчиков и исполнительных элементов машины и ее САУ, описание целевого, механического, энергетического и информационного интерфейса этих элементов ОЭ. 28
8.1 Элементы центральной системы управления CSU.. 28
81.1Микроконтроллер CPU188-5 Fastwel 28
8.1.2 Клеммная плата с опторазвязкой на 24 входа TBI-24/0C.. 31
8.1.3 Клеммная плата с опторазвязкой на 24 выхода TBI-0/24C.. 31
8.2 Элементы системы управления печатающим механизмом SUPM.. 33
8.2.1 Контроллер шагового двигателя SMCD 4503. 33
8.2.2 Контроллер шифратора TSP-312. 37
8.3 Элементы блока печати PRINT_BLOCK.. 41
8.3.1 Шаговый двигатель FL86STH80-4208A.. 41
8.3.2 Блок перемещения каретки.. 43
8.3.3 Датчик начальной позиции каретки Д701. 45
8.3.4 Датчик отраженного света для обнаружения объектов из стекла MLV 12-54-G 47
8.3.5 Поворотный шифратор приращений RVI-50. 47
8.3.6 Шифратор абсолютного линейного положения. 49
WCS-IP110. 49
8.4 Элементы системы энергообеспечения (SEO) 52
8.5 Процесс смешивания цветов. 52
8.5 Язык PostScript 55
9. Описание схемы соединений. 58
10. Список литературы.. 61
1.Техническое задание
ЗАДАНИЕ
на курсовой проект по системам автоматического управления оборудования электронных технологий.
Тема проекта:____ «Установка нанесения цветного рисунка на стекло»____
1. Проработать описание работы машины, выбрать и обосновать состав его основных целевых функций, сервисных функций, функций коррекции цели.
2. Разработать комплексную принципиальную схему, как совокупность системы целевых механизмов, системы их энергообеспечения и системы управления, связанных материальными, энергетическими и информационными потоками.
3. Описать механический, энергетический и информационный интерфейс компонентов машины. Дать техническое задание и техническое предложение на САУ и основные элементы машины.
4. Разработать принципиальную электрическую схему элемента САУ или САУ в целом.
Содержание графической части.
1.Процессная модель машины..................................................1 л.
2.Комплексная принципиальная схема....................................2 л.
3.Принципиальная электрическая схема..................................1 л.
Содержание расчетно-пояснительной записки.
1. Введение. Описание целевого, механического и энергетического интерфейса спроектированной технологической машины.
2. Описание процессной модели. Выбор и обоснование целевых, сервисных функций, и функций коррекции цели.
3. Техническое задание и техническое предложение на систему управления машины по приведенной в Приложении 1 форме.
4.Описание комплексной принципиальной схемы ФС. Обоснование структурно-компоновочного решения, выбор и согласование уровней потоков элементов.
5.Документы, сопровождающие комплексную принципиальную схему:
-перечень элементов ПЭ;
-перечень потоков и сигналов ПС;
-технические задания на основные подсистемы и узлы машины ТЗ.
6.Информационный поиск датчиков и исполнительных элементов машины и ее САУ, описание целевого, механического, энергетического и информационного интерфейса этих элементов ОЭ.
7.Расчет и описание принципиальной электрической схемы.
8.Заключение.
2.Реферат
Графические работы в объеме 5 листов выполнены на ПК с помощью программы АСКОН КОМПАС v.7Plus. Записка выполнена с использованием программного продукта Microsoft Word.
Целью данного курсового проекта является овладение навыками, методами и средствами комплексных разработок механических и электронных компонентов оборудования САУ, а также правилами и методами составления технического задания на программное обеспечение САУ.
Задачи проекта состоят в:
·распределении функций машины между различными компонентами и обоснование этих функций;
·постановке четких технических заданий перед разработчиками отдельных компонентов;
·выполнении технической документации на электронные компоненты.
В проекте разработана система управления установкой нанесения цветного рисунка на стекло.
Курсовой проект выполнен в следующем объеме: процессная модель (алгоритм работы системы управления установкой); комплексная принципиальная схема (КПС) установки, энергообеспечения и управления; схема соединений элементов установки. В расчетно-пояснительной записке приведены необходимые пояснения и отражены принципы построения САУ установки, даны описания элементов и подсистем, входящих в установку.
3.Описание целевого, механического и энергетического интерфейса установки
- Целевой интерфейс
Установка предназначена для нанесения цветного рисунка на поверхность листового стеклоизделия в автоматическом режиме.
- Механический интерфейс
Средняя площадь производственного помещения для работы установки должна составлять примерно 100 м², высота потолков 2,5 м.
Изделие, на которое наносится лакокрасочное покрытие, размещается на столе(1) со следующими габаритами: 1000×900×1100 мм. Изделие прижимается к столу и перемещается при помощи шести роликов(11) диаметром 90 мм. Ролики обрезинены, закреплены на полом валу(2) диаметром 28 мм при помощи разрезных колец, чтобы избежать прокручивания роликов, в них предусмотрены пазы, в которые установлены штифты(12). Крутящий момент на вал передается от шагового двигателя(3) через упругую муфту(5). Муфта расположена в стакане(4), к которому крепится шаговый двигатель, стакан также является корпусом для подшипника(6) (фиксированная опора). Вал от двигателя соединяется с полым валом, на котором установлены ролики, при помощи сварки, образуя единую конструкцию. В другой конец тонкостенной трубки (вала) вваривается вал(10), на который устанавливается подшипник(7) (плавающая опора). Подшипник находится в корпусе(9) с закладной крышкой(8), которая фиксируется в корпусе при помощи разрезного кольца. Стакан и корпус под подшипник приварены к коромыслу, которое можно вращать, благодаря этому лакокрасочные покрытия можно наносить на стекло разной толщины, обычно 4…12 мм. К коромыслу приварены бобышки(14) для осей(15). Оси находятся в корпусах(16), закрепленных на противоположенных сторонах стола. Во избежание перекоса, противоположенные стороны коромысла соединены тонкостенной трубой(13). Покраска осуществляется при помощи четырех печатающих головок на каждый цвет. Печатающая головка расположена на каретке(21), которая перемещается со скоростью 1-1,6 м/мин. Перемещение каретки осуществляется при помощи шагового двигателя (17) по средствам зубчатой ременной передачи(19). Шкив и подшипниковые узлы расположены в корпусе (18), каретка перемещается по направляющим со сложным профилем(20). Механизм перемещения каретки крепится к столу, при помощи уголков(22) и специальных болтов, которые поставляются вместе со всем блоком перемещения каретки. В столешнице расположены шариковые опоры(23).
Характеристики курсовой работы
Список файлов

Начать зарабатывать