Для студентов МГТУ им. Н.Э.Баумана по предмету Системы автоматического управления (САУ) (МТ-11)Установка монтажа SMD компонентовУстановка монтажа SMD компонентов
4,78522993
2017-12-22СтудИзба

Курсовая работа: Установка монтажа SMD компонентов

Описание

Готовый курсовой проект по САУ 2007-го года
РАСЧЕТНО-ПОЯСНИТЕЛЬНАЯ ЗАПИСКА
к курсовому проекту «Основы проектирования систем автоматического управления оборудования электронных технологий»
на тему:

«Установка монтажа SMD компонентов»



Москва 2007 г.

Содержание

Техническое задание.. 3
Реферат.. 4
Описание интерфейсов установки.. 5
Целевой интерфейс. 7
Механический интерфейс. 7
Энергетический интерфейс. 7
Информационный интерфейс. 7
Процессная модель.. 8
Целевые процессы.. 8
Экран программы.. 10
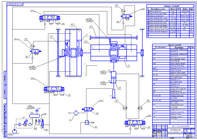
Комплексная принципиальная схема.. 12
Описание датчиков и исполнительных элементов установки и ее САУ.. 15
Компрессор. 15
Привод по оси Х и Y. 16
Привод по оси Z. 17
Блок подготовки воздуха MSB-FRC Festo. 19
Пневмораспределитель с электромагнитным управлением SMC VQ100. 21
Пневмораспределитель с электропневматическим управлением SMC SY3000. 21
Вакуумный эжектор SMCZH.. 23
Пневмораспределитель FESTOMN1H-1/4-MS. 23
Датчики конечного положения DP3, DP4. 25
Датчики перемещения RENISHAW... 27
Датчик давления воздуха DavV.. 27
Микроконтроллер MCS 51. 30
Электрическая схема.. 31
Блок управления пневматикой (BUP) 31
Расчет электрической схемы.. 36
Заключение.. 41
Список литературы... 42
Приложение.. 43

Техническое задание


ЗАДАНИЕ

на курсовой проект по системам автоматического управления оборудования электронных технологий.


Тема проекта: «Установка монтажа SMD »


1. Проработать описание работы машины, выбрать и обосновать состав его основных целевых функций, сервисных функций, функций коррекции цели.

2. Разработать комплексную принципиальную схему, как совокупность системы целевых механизмов, системы их энергообеспечения и системы управления, связанных материальными, энергетическими и информационными потоками.

3. Описать механический, энергетический и информационный интерфейс компонентов машины. Дать техническое задание и техническое предложение на САУ и основные элементы машины.
4. Разработать принципиальную электрическую схему элемента САУ или САУ в целом.


Содержание графической части.

1. Процессная модель машины..................................................1 л.

2. Комплексная принципиальная схема....................................2 л.

3. Принципиальная электрическая схема..................................1 л.


Содержание расчетно-пояснительной записки.

1.Введение. Описание целевого, механического и энергетического интерфейса спроектированной технологической машины.

2.Описание процессной модели. Выбор и обоснование целевых, сервисных функций, и функций коррекции цели.

3.Техническое задание и техническое предложение на систему управления машины по приведенной в Приложении 1 форме.

4. Описание комплексной принципиальной схемы ФС. Обоснование структурно-компоновочного решения, выбор и согласование уровней потоков элементов.

5. Документы, сопровождающие комплексную принципиальную схему:

-перечень элементов ПЭ;

-перечень потоков и сигналов ПС;

-технические задания на основные подсистемы и узлы машины ТЗ.

6. Информационный поиск датчиков и исполнительных элементов машины и ее САУ, описание целевого, механического, энергетического и информационного интерфейса этих элементов ОЭ.

7. Расчет и описание принципиальной электрической схемы.

8. Заключение.



Реферат

Графические работы в объеме 3 листов выполнены на ПК с помощью программы ASCON KOMPAS v.9. Электрическая схема выполнена на ПК с помощью программы Schemagee 2.1. Топологическая схема выполнена на ПК с помощью программ: P-CAD 2006, SPECCTRA 15.1, TopoR 3.0. Записка выполнена с использованием программного продукта Microsoft Word.

Целью данного курсового проекта является овладение навыками, методами и средствами комплексных разработок механических и электронных компонентов оборудования САУ, а также правилами и методами составления технического задания на программное обеспечение САУ.

Задачи проекта состоят в:

·распределении функций машины между различными компонентами и обоснование этих функций;

·постановке четких технических заданий перед разработчиками отдельных компонентов;

·выполнении технической документации на электронные компоненты.

В проекте разработана система управления установки монтажа SMD компонентов.

Курсовой проект выполнен в следующем объеме: процессная модель (алгоритм работы системы управления установкой); комплексная принципиальная схема (КПС) установки; электрическая схема блока управления пневматикой (ЭЗ), топология печатной платы.







Описание интерфейсов установки

Целью данного курсового проекта является разработка системы автоматизированного управления установки монтажа SMD компонентов на поверхность печатной платы.

Так как SMD компоненты становятся все меньше по размеру, то монтаж таких компонентов вручную занимает достаточно долгое время. Для этой цели сейчас существуют всякого рода установки монтажа компонентов. Производительность таких установок в несколько раз превышает производительность ручного монтажа компонентов.

Установка проектировалась, исходя из следующих требований:

Параметр

Значение

Компоненты

0603 Chip

Размер печатаной платы

400 х 400 мм

Точность позиционирования
по оси:
Х
У



±0.2 мм

±0.2 мм



Автоматическая смена насадок

отсутствует

Оптическое центрирование

отсутствует

Тип производства

Единичное, мелкосерийное

Производительность

1500 комп/час


Компоненты SMD монтажа:



Рис.1 CHIP компонент

В качестве привода по оси X, Y были приняты бесштоковые пневмоцилиндры, работающие от компрессора. Для обеспечения заданной точности позиционирования на пневмоцилиндрах устанавливаются датчики положения которые сообщают сигнал ошибки в САУ, которая управляет подачей сжатого воздуха в пневмоцилиндр.

Общий вид установки представлен ниже:


Характеристики курсовой работы

Список файлов

Установка монтажа SMD компонентов
E3.sdd
FS.cdw
PM.cdw
TS.cdr
screen.frw
Задание.doc
Прочти меня.txt
САУ.doc
Картинка-подпись
Зарабатывай на студизбе! Просто выкладывай то, что так и так делаешь для своей учёбы: ДЗ, шпаргалки, решённые задачи и всё, что тебе пригодилось.
Начать зарабатывать

Комментарии

Нет комментариев
Стань первым, кто что-нибудь напишет!
Поделитесь ссылкой:
Цена: 1 200 руб.
Расширенная гарантия +3 недели гарантии, +10% цены
Рейтинг автора
4,78 из 5
Поделитесь ссылкой:
Сопутствующие материалы

Подобрали для Вас услуги

-50%
Вы можете использовать курсовую работу для примера, а также можете ссылаться на неё в своей работе. Авторство принадлежит автору работы, поэтому запрещено копировать текст из этой работы для любой публикации, в том числе в свою курсовую работу в учебном заведении, без правильно оформленной ссылки. Читайте как правильно публиковать ссылки в своей работе.
Свежие статьи
Популярно сейчас
Как Вы думаете, сколько людей до Вас делали точно такое же задание? 99% студентов выполняют точно такие же задания, как и их предшественники год назад. Найдите нужный учебный материал на СтудИзбе!
Ответы на популярные вопросы
Да! Наши авторы собирают и выкладывают те работы, которые сдаются в Вашем учебном заведении ежегодно и уже проверены преподавателями.
Да! У нас любой человек может выложить любую учебную работу и зарабатывать на её продажах! Но каждый учебный материал публикуется только после тщательной проверки администрацией.
Вернём деньги! А если быть более точными, то автору даётся немного времени на исправление, а если не исправит или выйдет время, то вернём деньги в полном объёме!
Да! На равне с готовыми студенческими работами у нас продаются услуги. Цены на услуги видны сразу, то есть Вам нужно только указать параметры и сразу можно оплачивать.
Отзывы студентов
Ставлю 10/10
Все нравится, очень удобный сайт, помогает в учебе. Кроме этого, можно заработать самому, выставляя готовые учебные материалы на продажу здесь. Рейтинги и отзывы на преподавателей очень помогают сориентироваться в начале нового семестра. Спасибо за такую функцию. Ставлю максимальную оценку.
Лучшая платформа для успешной сдачи сессии
Познакомился со СтудИзбой благодаря своему другу, очень нравится интерфейс, количество доступных файлов, цена, в общем, все прекрасно. Даже сам продаю какие-то свои работы.
Студизба ван лав ❤
Очень офигенный сайт для студентов. Много полезных учебных материалов. Пользуюсь студизбой с октября 2021 года. Серьёзных нареканий нет. Хотелось бы, что бы ввели подписочную модель и сделали материалы дешевле 300 рублей в рамках подписки бесплатными.
Отличный сайт
Лично меня всё устраивает - и покупка, и продажа; и цены, и возможность предпросмотра куска файла, и обилие бесплатных файлов (в подборках по авторам, читай, ВУЗам и факультетам). Есть определённые баги, но всё решаемо, да и администраторы реагируют в течение суток.
Маленький отзыв о большом помощнике!
Студизба спасает в те моменты, когда сроки горят, а работ накопилось достаточно. Довольно удобный сайт с простой навигацией и огромным количеством материалов.
Студ. Изба как крупнейший сборник работ для студентов
Тут дофига бывает всего полезного. Печально, что бывают предметы по которым даже одного бесплатного решения нет, но это скорее вопрос к студентам. В остальном всё здорово.
Спасательный островок
Если уже не успеваешь разобраться или застрял на каком-то задание поможет тебе быстро и недорого решить твою проблему.
Всё и так отлично
Всё очень удобно. Особенно круто, что есть система бонусов и можно выводить остатки денег. Очень много качественных бесплатных файлов.
Отзыв о системе "Студизба"
Отличная платформа для распространения работ, востребованных студентами. Хорошо налаженная и качественная работа сайта, огромная база заданий и аудитория.
Отличный помощник
Отличный сайт с кучей полезных файлов, позволяющий найти много методичек / учебников / отзывов о вузах и преподователях.
Отлично помогает студентам в любой момент для решения трудных и незамедлительных задач
Хотелось бы больше конкретной информации о преподавателях. А так в принципе хороший сайт, всегда им пользуюсь и ни разу не было желания прекратить. Хороший сайт для помощи студентам, удобный и приятный интерфейс. Из недостатков можно выделить только отсутствия небольшого количества файлов.
Спасибо за шикарный сайт
Великолепный сайт на котором студент за не большие деньги может найти помощь с дз, проектами курсовыми, лабораторными, а также узнать отзывы на преподавателей и бесплатно скачать пособия.
Популярные преподаватели
Добавляйте материалы
и зарабатывайте!
Продажи идут автоматически
6933
Авторов
на СтудИзбе
266
Средний доход
с одного платного файла
Обучение Подробнее
{user_main_secret_data}