Для студентов МГТУ им. Н.Э.Баумана по предмету Системы автоматического управления (САУ) (МТ-11)Система диагностики турбомолекулярного вакуумного насоса (ТМН)Система диагностики турбомолекулярного вакуумного насоса (ТМН)
4,79523158
2017-12-22СтудИзба

Курсовая работа: Система диагностики турбомолекулярного вакуумного насоса (ТМН)

Описание

Этот курсовой проект по САУ был выполнен и защищён в 2006-м году

КУРСОВОЙ ПРОЕКТ

«СИСТЕМЫ АВТОМАТИЧЕСКОГО УПРАВЛЕНИЯ ОБОРУДОВАНИЯ»




ТЕМА ПРОЕКТА:


Система диагностики турбомолекулярного

вакуумного насоса (ТМН)



Москва 2006




Содержание


Стр.


Введение…………………………………………………………….………3

1. Описание процессной модели установки ….……………………….…….4

1.1 Деление технологии на процессы………………………………..……5

1.2 Выбор сервисных процессов……………………………………….….7

1.3 Выбор процессов коррекции цели………………………………….…7

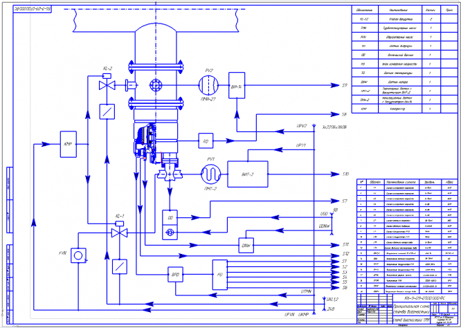
2. Принципиальная комплексная схема………………………………………8

3. Техническое задание на элементы и узлы машины………………….……9

4. Расчёт и описание схемы работы установки ………………………….….13

4.1 Описание схемы работы установки …………………………..……….16




ВВЕДЕНИЕ


Целью проекта является разработка системы автоматического управления для исследовательской установки проведения исследований по предупреждению аварийных отказов турбомолекулярных вакуумных насосов. Система предсказания аварийных отказов должна по косвенным параметрам: мощности электродвигателя насоса, вибрации, частоте вращения ротора двигателя выдавать заключение о состоянии ТМН. Для создания такой системы необходимо проводить исследования ТМН на долговечность с постоянным контролем момента сопротивления вращению подшипникового узла и записью частотных характеристик подшипникового узла.

Исходя из требуемых технических характеристик установки, были подробно рассмотрены процессы ее наладки, калибровки и эксплуатации с точки зрения систем автоматического управления.

Для упрощения работы оператора и повышения производительности предложен вариант полностью автоматизированной установки вместо имеющейся установки с ручным управлением.









1.ОПИСАНИЕ ПРОЦЕССНОЙ МОДЕЛИ УСТАНОВКИ


Сверхвысоковакуумная установка предназначена для проведения испытаний турбомолекулярных вакуумных насосов на долговечность с контролем следующих параметров: момента сопротивления вращению, уровня вибрации, частоты вращения ротора насоса.

Прямым критерием приведения в негодность ТМН является критический уровень момента сопротивления подшипникового узла насоса.

Косвенными являются: частота вращения ротора насоса, уровень вибрации, повышенная температура подшипникового узла.


Для проведения испытаний полость необходимо откачать до пускового давления Р=6 Па. Для чего используется откачная система, состоящая из механического насоса и пневмоэлектрического клапана.


Управление установкой для проведения испытаний осуществляется при помощи ЭВМ. В ЭВМ встраивается плата АЦП ЛА 1.5 PCI 14, дающая возможность снятия/записи результатов эксперимента в память компьютера для последующей обработки, а также возможность осуществления управления и контроля работы установки.


Основные технологические операции:


  • форвакуумная откачка полости насоса
  • запуск ТМН
  • проведение испытаний насоса
  • плановый ремонт ТМН.

Характеристики курсовой работы

Список файлов

Система диагностики турбомолекулярного вакуумного насоса (ТМН)
Листочек1.cdw
Листочек3.cdw
Листочек4.cdw
Прочти меня.txt
САУ-РПЗ.doc
листочек2.cdw
Картинка-подпись
Зарабатывай на студизбе! Просто выкладывай то, что так и так делаешь для своей учёбы: ДЗ, шпаргалки, решённые задачи и всё, что тебе пригодилось.
Начать зарабатывать

Комментарии

Нет комментариев
Стань первым, кто что-нибудь напишет!
Поделитесь ссылкой:
Цена: 1 200 руб.
Расширенная гарантия +3 недели гарантии, +10% цены
Рейтинг автора
4,79 из 5
Поделитесь ссылкой:
Сопутствующие материалы

Подобрали для Вас услуги

-26%
Вы можете использовать курсовую работу для примера, а также можете ссылаться на неё в своей работе. Авторство принадлежит автору работы, поэтому запрещено копировать текст из этой работы для любой публикации, в том числе в свою курсовую работу в учебном заведении, без правильно оформленной ссылки. Читайте как правильно публиковать ссылки в своей работе.
Свежие статьи
Популярно сейчас
Зачем заказывать выполнение своего задания, если оно уже было выполнено много много раз? Его можно просто купить или даже скачать бесплатно на СтудИзбе. Найдите нужный учебный материал у нас!
Ответы на популярные вопросы
Да! Наши авторы собирают и выкладывают те работы, которые сдаются в Вашем учебном заведении ежегодно и уже проверены преподавателями.
Да! У нас любой человек может выложить любую учебную работу и зарабатывать на её продажах! Но каждый учебный материал публикуется только после тщательной проверки администрацией.
Вернём деньги! А если быть более точными, то автору даётся немного времени на исправление, а если не исправит или выйдет время, то вернём деньги в полном объёме!
Да! На равне с готовыми студенческими работами у нас продаются услуги. Цены на услуги видны сразу, то есть Вам нужно только указать параметры и сразу можно оплачивать.
Отзывы студентов
Ставлю 10/10
Все нравится, очень удобный сайт, помогает в учебе. Кроме этого, можно заработать самому, выставляя готовые учебные материалы на продажу здесь. Рейтинги и отзывы на преподавателей очень помогают сориентироваться в начале нового семестра. Спасибо за такую функцию. Ставлю максимальную оценку.
Лучшая платформа для успешной сдачи сессии
Познакомился со СтудИзбой благодаря своему другу, очень нравится интерфейс, количество доступных файлов, цена, в общем, все прекрасно. Даже сам продаю какие-то свои работы.
Студизба ван лав ❤
Очень офигенный сайт для студентов. Много полезных учебных материалов. Пользуюсь студизбой с октября 2021 года. Серьёзных нареканий нет. Хотелось бы, что бы ввели подписочную модель и сделали материалы дешевле 300 рублей в рамках подписки бесплатными.
Отличный сайт
Лично меня всё устраивает - и покупка, и продажа; и цены, и возможность предпросмотра куска файла, и обилие бесплатных файлов (в подборках по авторам, читай, ВУЗам и факультетам). Есть определённые баги, но всё решаемо, да и администраторы реагируют в течение суток.
Маленький отзыв о большом помощнике!
Студизба спасает в те моменты, когда сроки горят, а работ накопилось достаточно. Довольно удобный сайт с простой навигацией и огромным количеством материалов.
Студ. Изба как крупнейший сборник работ для студентов
Тут дофига бывает всего полезного. Печально, что бывают предметы по которым даже одного бесплатного решения нет, но это скорее вопрос к студентам. В остальном всё здорово.
Спасательный островок
Если уже не успеваешь разобраться или застрял на каком-то задание поможет тебе быстро и недорого решить твою проблему.
Всё и так отлично
Всё очень удобно. Особенно круто, что есть система бонусов и можно выводить остатки денег. Очень много качественных бесплатных файлов.
Отзыв о системе "Студизба"
Отличная платформа для распространения работ, востребованных студентами. Хорошо налаженная и качественная работа сайта, огромная база заданий и аудитория.
Отличный помощник
Отличный сайт с кучей полезных файлов, позволяющий найти много методичек / учебников / отзывов о вузах и преподователях.
Отлично помогает студентам в любой момент для решения трудных и незамедлительных задач
Хотелось бы больше конкретной информации о преподавателях. А так в принципе хороший сайт, всегда им пользуюсь и ни разу не было желания прекратить. Хороший сайт для помощи студентам, удобный и приятный интерфейс. Из недостатков можно выделить только отсутствия небольшого количества файлов.
Спасибо за шикарный сайт
Великолепный сайт на котором студент за не большие деньги может найти помощь с дз, проектами курсовыми, лабораторными, а также узнать отзывы на преподавателей и бесплатно скачать пособия.
Популярные преподаватели
Добавляйте материалы
и зарабатывайте!
Продажи идут автоматически
6987
Авторов
на СтудИзбе
262
Средний доход
с одного платного файла
Обучение Подробнее
{user_main_secret_data}