Курсовая работа: Полуавтомат герметизации микросхем

-10%

Описание

Этот курсовой проект по САУ был выполнен и защищён в 2006-м году

Проект курсовой


На тему: «Полуавтомат для герметизации микросхем»


Расчетно-пояснительная записка


Москва 2006г.



Содержание

Реферат…………………………………………………………………………….3

Введение. 4

1... Процессная модель. 5

1.1. Функции системы.. 5

1.2. Режимы работы.. 5

2... Процессы, реализуемые в системе. 6

2.1. Основные целевые процессы.. 6

2.2 Выбор сервисных процессов. 7

2.3 Функции коррекции цели. 7

2.4 Разработка алгоритма работы установки. 7

3. Комплексная принципиальная схема (КПС) и ТЗ на отдельные элементы 8

3.1 Механическая часть. 9

3.2 Блок питания и управления. 10

3.3 Компьюте. 10

3.4 Система газоснабжения………………………….……………………..14

4. Проектирование блока питания для установки……………………………..15

Заключение……………………………………………………………………….25

Список использованных источников…………………………………………...26


Реферат.


В данном курсовом проекте рассматривается полуавтомат для герметизации микросхем. В ходе выполнения проекта была разработана комплексно-принципиальная схема полуавтомата, создана процессная модель, написано техническое задание на создание системы автоматизированного управления полуавтоматом, спроектирован блок питания.

Графические работы в объеме 4 листов А1, выполненных в системе автоматизированного проектирования (САПР) Компас 7.0 компании Аскон.

Записка выполнена с использованием среды Word.


Введение.


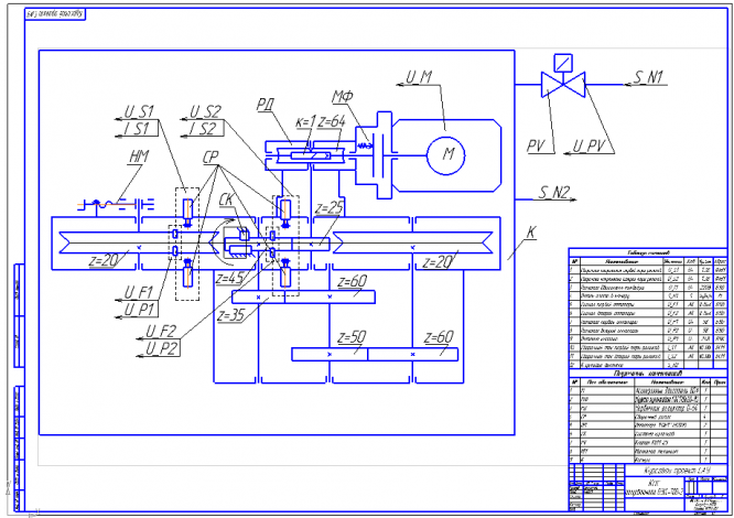
В основе работы полуавтомата лежит принцип шовной контактной сварки перекрывающими сварными точками с прерывистым протеканием сварочного тока, формируемого от однофазной сети переменного тока промышленной частоты и конвейерным перемещением герметизируемых корпусов. Полуавтомат представляет собой конструкцию с блочной компоновкой, выполняющую операцию герметизации двумя головными и одним сварочным трансформатором.

Выводы вторичной обмотки трансформатора подсоединены к тоководам электродов, ведущих герметизацию по длинной и короткой стороне корпуса микросхемы.

Процесс герметизации осуществляется в импульсном режиме с дискретно-регулируемой длительностью паузы между пачками сварочных импульсов.

Управление режимом герметизации осуществляется фазово-импульсным методом путём изменения угла включения тиристоров блока управления, которые коммутируют ток в первичной обмотке сварочного трансформатора.

Управление углами включения тиристоров позволяет регулировать длительность сварочного импульса, что эквивалентно изменению величины действующего значения сварочного тока.

Команду на включение и выключение импульсов сварочного тока по длинной и короткой сторонам герметизируемых корпусов автоматически выдаёт блок фотодатчиков, состоящих из двух фотодатчиков. Датчик представляет собой оптрон, состоящий из светодиода и фотодиода, между которыми проходит затемняющий диск, механически связанный с приводом механизма подачи и сварки. Сигнал разрешения на сварку от фотодатчиков поступает при освещённом фотодиоде.


  1. Процессная модель



  1. Функции системы

Система управления должна реализовать основные целевые, сервисные функции и функции коррекции цели.

Целевые функции:

oПеремещение микросхем

oГерметизация микросхем

Сервисные функции:

oСигнализация аварийных ситуаций.

Функции коррекции цели:

oСтабилизация сварочной мощности.

  • Задание режима сварки, в зависимости от выбранного типа корпуса.


  1. Режимы работы

Установка работает в полуавтоматическом режиме. Работа оператора заключается в задании режима сварки, путём выбора типа корпуса, и в последствии в подаче корпусов микросхем на гнёзда цепного конвейера полуавтомата.









  1. Процессы, реализуемые в системе

2.1. Основные целевые процессы


В таблице 1 приведен перечень выполняемых в системе управления процессов для реализации целевых функций установки.


В общем случае алгоритм работы установки можно описать следующим образом.

Подготовка к работе. Перед работой необходимо включить персональный компьютер и загрузить программу управления установкой. После этого можно включать питание установки. Запускается цепной конвейер и открывается газовый клапан для подачи азота в рабочую камеру.

Работа. Во время работы оператор загружает корпуса микросхем в гнёзда цепного конвейера. При прохождении гнездом с микросхемой контрольной оптопары, подаётся сигнал о начале сварки и фазоимпульсный модулятор начинает модулировать сварочный импульс. Параллельно идёт процесс стабилизации мощности, заключающийся в изменении углов включения тиристоров в фазоимпульсном модуляторе. Информация для коррекции получается периодическим опросом Блока преобразователя

Характеристики курсовой работы

Список файлов

Полуавтомат герметизации микросхем
ЗАДАНИЕ_.doc
Прочти меня.txt
РПЗ.doc
лист1.CDW
лист2.cdw
лист3.cdw
лист4.cdw
Картинка-подпись
Зарабатывай на студизбе! Просто выкладывай то, что так и так делаешь для своей учёбы: ДЗ, шпаргалки, решённые задачи и всё, что тебе пригодилось.
Начать зарабатывать

Комментарии

Нет комментариев
Стань первым, кто что-нибудь напишет!
Поделитесь ссылкой:
Цена: 1 200 1 079 руб.
Расширенная гарантия +3 недели гарантии, +10% цены
Рейтинг автора
4,79 из 5
Поделитесь ссылкой:
Сопутствующие материалы

Подобрали для Вас услуги

-26%
Вы можете использовать курсовую работу для примера, а также можете ссылаться на неё в своей работе. Авторство принадлежит автору работы, поэтому запрещено копировать текст из этой работы для любой публикации, в том числе в свою курсовую работу в учебном заведении, без правильно оформленной ссылки. Читайте как правильно публиковать ссылки в своей работе.
Свежие статьи
Популярно сейчас
Как Вы думаете, сколько людей до Вас делали точно такое же задание? 99% студентов выполняют точно такие же задания, как и их предшественники год назад. Найдите нужный учебный материал на СтудИзбе!
Ответы на популярные вопросы
Да! Наши авторы собирают и выкладывают те работы, которые сдаются в Вашем учебном заведении ежегодно и уже проверены преподавателями.
Да! У нас любой человек может выложить любую учебную работу и зарабатывать на её продажах! Но каждый учебный материал публикуется только после тщательной проверки администрацией.
Вернём деньги! А если быть более точными, то автору даётся немного времени на исправление, а если не исправит или выйдет время, то вернём деньги в полном объёме!
Да! На равне с готовыми студенческими работами у нас продаются услуги. Цены на услуги видны сразу, то есть Вам нужно только указать параметры и сразу можно оплачивать.
Отзывы студентов
Ставлю 10/10
Все нравится, очень удобный сайт, помогает в учебе. Кроме этого, можно заработать самому, выставляя готовые учебные материалы на продажу здесь. Рейтинги и отзывы на преподавателей очень помогают сориентироваться в начале нового семестра. Спасибо за такую функцию. Ставлю максимальную оценку.
Лучшая платформа для успешной сдачи сессии
Познакомился со СтудИзбой благодаря своему другу, очень нравится интерфейс, количество доступных файлов, цена, в общем, все прекрасно. Даже сам продаю какие-то свои работы.
Студизба ван лав ❤
Очень офигенный сайт для студентов. Много полезных учебных материалов. Пользуюсь студизбой с октября 2021 года. Серьёзных нареканий нет. Хотелось бы, что бы ввели подписочную модель и сделали материалы дешевле 300 рублей в рамках подписки бесплатными.
Отличный сайт
Лично меня всё устраивает - и покупка, и продажа; и цены, и возможность предпросмотра куска файла, и обилие бесплатных файлов (в подборках по авторам, читай, ВУЗам и факультетам). Есть определённые баги, но всё решаемо, да и администраторы реагируют в течение суток.
Маленький отзыв о большом помощнике!
Студизба спасает в те моменты, когда сроки горят, а работ накопилось достаточно. Довольно удобный сайт с простой навигацией и огромным количеством материалов.
Студ. Изба как крупнейший сборник работ для студентов
Тут дофига бывает всего полезного. Печально, что бывают предметы по которым даже одного бесплатного решения нет, но это скорее вопрос к студентам. В остальном всё здорово.
Спасательный островок
Если уже не успеваешь разобраться или застрял на каком-то задание поможет тебе быстро и недорого решить твою проблему.
Всё и так отлично
Всё очень удобно. Особенно круто, что есть система бонусов и можно выводить остатки денег. Очень много качественных бесплатных файлов.
Отзыв о системе "Студизба"
Отличная платформа для распространения работ, востребованных студентами. Хорошо налаженная и качественная работа сайта, огромная база заданий и аудитория.
Отличный помощник
Отличный сайт с кучей полезных файлов, позволяющий найти много методичек / учебников / отзывов о вузах и преподователях.
Отлично помогает студентам в любой момент для решения трудных и незамедлительных задач
Хотелось бы больше конкретной информации о преподавателях. А так в принципе хороший сайт, всегда им пользуюсь и ни разу не было желания прекратить. Хороший сайт для помощи студентам, удобный и приятный интерфейс. Из недостатков можно выделить только отсутствия небольшого количества файлов.
Спасибо за шикарный сайт
Великолепный сайт на котором студент за не большие деньги может найти помощь с дз, проектами курсовыми, лабораторными, а также узнать отзывы на преподавателей и бесплатно скачать пособия.
Популярные преподаватели
Добавляйте материалы
и зарабатывайте!
Продажи идут автоматически
7150
Авторов
на СтудИзбе
253
Средний доход
с одного платного файла
Обучение Подробнее