Курсовая работа: САУ установки плазмохимического осаждения тонких плёнок методом CVD

-17%

Описание

Этот курсовой проект по САУ защищался в 2004-м году
РАСЧЕТНО-ПОЯСНИТЕЛЬНАЯ ЗАПИСКА


к курсовому проекту по ОПР САУ

на тему :

СИСТЕМА АВТОМАТИЧЕСКОГО УПРАВЛЕНИЯ УСТАНОВКИ

ПЛАЗМОХИМИЧЕСКОГО ОСАЖДЕНИЯ ТОНКИХ ПЛЕНОК МЕТОДОМ CVD.


2004г.


ЗАДАНИЕ

на курсовой проект по системам автоматического управления оборудования электронных технологий.


(подпись)

Тема проекта: Система автоматического управления установки плазмохимического осаждения тонких пленок в вакууме.


1. Проработать описание работы машины, выбрать и обосновать состав его основных целевых функций, сервисных функций и функций коррекции цели. Разработать ТЗ на программное обеспечение.

2. Разработать комплексную принципиальную схему, как совокупность системы целевых механизмов, системы их энергообеспечения и системы управления, связанных материальными, энергетическими и информационными потоками.

3. Описать целевой, механический, энергетический и информационный интерфейс компонентов машины. Выбрать стандартные компоненты и поставить технические задания на оригинальные. Уточнить КПС.

4. Разработать принципиальную электрическую схему оригинального компонента машины.


Содержание графической части.

  • Процессная модель машины..................................................1 л.
  • Комплексная принципиальная схема....................................2 л.
  • Принципиальная электрическая схема.................................1 л.


Содержание расчетно-пояснительной записки.


  • Введение.
  • Описание процессной модели. Выбор и обоснование целевых, сервисных функций и функций коррекции цели. ТЗ на управляющую программу.
  • Описание комплексной принципиальной схемы.
  • Технические задания на оригинальные элементы и узлы машины.
  • Выбор и обоснование стандартных компонентов машины: информационный поиск датчиков и исполнительных элементов, описание целевого, механического, энергетического и информационного интерфейса этих элементов.
  • Расчет и описание принципиальной электрической схемы.
  • Заключение.
  • Источники информации.






1. Введение.


Производственное оборудование становится всё более автоматизированным во многих сферах его применения. Без управляющей электроники уже не может обойтись ни одна отрасль промышленности, особенно электронное машиностроение, где необходимо управление множеством технологических параметров при высочайшей точности и жестких требованиях к соблюдению технологии.

При конструировании необходимо :

  • внимательно изучить и продумать все возможные варианты применения САУ в данной конструкции и выбрать оптимальный из этих вариантов, как по цене, так и по сложности изготовления и эксплуатации;
  • обеспечить проектируемое оборудование более высоким сроком службы, то есть, чтобы его физическое и моральное старение настало как можно позже (для этого в конструкцию изделия заранее закладывают модули, которые легко можно заменить или доработать).

Целью данного курсового проекта является овладение навыками, методами и средствами комплексных разработок механических и электронных компонентов оборудования САУ.


Задачи проекта состоят в:

  • распределении функций машины между различными компонентами и обоснование этих функций;
  • постановке четких технических заданий перед разработчиками отдельных компонентов;
  • выполнении технической документации на электронные компоненты.


Для упрощения работы оператора и повышения производительности предложен вариант полностью автоматизированной установки вместо существующей установки с ручным управлением.

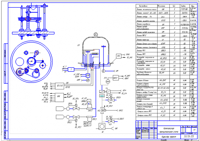
Курсовой проект выполнен в объеме 4-х листов А3 и расчетно-пояснительной записки. На первом листе приведены алгоритм работы регулятора напряжения разряда и тока термокатода, таблица процессов. На втором и третьем листах - комплексная принципиальная схема установки : механика, энергообеспечение, системы автоматического и ручного управления. На четвертом листе - принципиальная электрическая схема регулятора давления. В расчетно-пояснительной записке приведены необходимые пояснения и расчеты, отражены принципы построения СУ установки, даны описания листов проекта.









2. Описание процессной модели.


В данном курсовом проекте разрабатывается процессная модель автоматического управления для лабораторной установки осаждения нанокомпозитных тонких пленок в вакууме CDV методом и использованием пылевой плазмы(см. лист «Процессная модель» ).


Деление технологии на процессы


В работе установки можно выделить следующие основные процессы:


1. Загрузка подложки и микро частиц;

2. Откачка:

- Механическим насосом;

3. Технологический процесс (ТП):

- Зажигание разряда;

- Напуск рабочих газов;

Начало цикла (повторяется 3 раза)

- Подвешивание объёмного кристалла;

- Поворот подложкодержателя

- Нагрев рабочих газов (Нанесение пленки)

- Поворот подложкодержателя

- Прекращение нагрева

Конец цикла

4. Завершение технологического процесса;

5. Выключение;

6. Выгрузка.


На листе «Процессная модель » приведена подробная последовательность действий при проведении каждого из процессов.

Автоматизируются все процессы кроме загрузки и выгрузки

Характеристики курсовой работы

Список файлов

САУ установки плазмохимического осаждения тонких плёнок методом CVD
Лист2CDW.CDW
Лист3.CDW
Прочти меня.txt
РПЗ к САУ ..doc
лист4.CDW
лист11.FRW
Картинка-подпись
Зарабатывай на студизбе! Просто выкладывай то, что так и так делаешь для своей учёбы: ДЗ, шпаргалки, решённые задачи и всё, что тебе пригодилось.
Начать зарабатывать

Комментарии

Нет комментариев
Стань первым, кто что-нибудь напишет!
Поделитесь ссылкой:
Цена: 1 200 999 руб.
Расширенная гарантия +3 недели гарантии, +10% цены
Рейтинг автора
4,79 из 5
Поделитесь ссылкой:
Сопутствующие материалы

Подобрали для Вас услуги

-25%
-55%
Вы можете использовать курсовую работу для примера, а также можете ссылаться на неё в своей работе. Авторство принадлежит автору работы, поэтому запрещено копировать текст из этой работы для любой публикации, в том числе в свою курсовую работу в учебном заведении, без правильно оформленной ссылки. Читайте как правильно публиковать ссылки в своей работе.
Свежие статьи
Популярно сейчас
А знаете ли Вы, что из года в год задания практически не меняются? Математика, преподаваемая в учебных заведениях, никак не менялась минимум 30 лет. Найдите нужный учебный материал на СтудИзбе!
Ответы на популярные вопросы
Да! Наши авторы собирают и выкладывают те работы, которые сдаются в Вашем учебном заведении ежегодно и уже проверены преподавателями.
Да! У нас любой человек может выложить любую учебную работу и зарабатывать на её продажах! Но каждый учебный материал публикуется только после тщательной проверки администрацией.
Вернём деньги! А если быть более точными, то автору даётся немного времени на исправление, а если не исправит или выйдет время, то вернём деньги в полном объёме!
Да! На равне с готовыми студенческими работами у нас продаются услуги. Цены на услуги видны сразу, то есть Вам нужно только указать параметры и сразу можно оплачивать.
Отзывы студентов
Ставлю 10/10
Все нравится, очень удобный сайт, помогает в учебе. Кроме этого, можно заработать самому, выставляя готовые учебные материалы на продажу здесь. Рейтинги и отзывы на преподавателей очень помогают сориентироваться в начале нового семестра. Спасибо за такую функцию. Ставлю максимальную оценку.
Лучшая платформа для успешной сдачи сессии
Познакомился со СтудИзбой благодаря своему другу, очень нравится интерфейс, количество доступных файлов, цена, в общем, все прекрасно. Даже сам продаю какие-то свои работы.
Студизба ван лав ❤
Очень офигенный сайт для студентов. Много полезных учебных материалов. Пользуюсь студизбой с октября 2021 года. Серьёзных нареканий нет. Хотелось бы, что бы ввели подписочную модель и сделали материалы дешевле 300 рублей в рамках подписки бесплатными.
Отличный сайт
Лично меня всё устраивает - и покупка, и продажа; и цены, и возможность предпросмотра куска файла, и обилие бесплатных файлов (в подборках по авторам, читай, ВУЗам и факультетам). Есть определённые баги, но всё решаемо, да и администраторы реагируют в течение суток.
Маленький отзыв о большом помощнике!
Студизба спасает в те моменты, когда сроки горят, а работ накопилось достаточно. Довольно удобный сайт с простой навигацией и огромным количеством материалов.
Студ. Изба как крупнейший сборник работ для студентов
Тут дофига бывает всего полезного. Печально, что бывают предметы по которым даже одного бесплатного решения нет, но это скорее вопрос к студентам. В остальном всё здорово.
Спасательный островок
Если уже не успеваешь разобраться или застрял на каком-то задание поможет тебе быстро и недорого решить твою проблему.
Всё и так отлично
Всё очень удобно. Особенно круто, что есть система бонусов и можно выводить остатки денег. Очень много качественных бесплатных файлов.
Отзыв о системе "Студизба"
Отличная платформа для распространения работ, востребованных студентами. Хорошо налаженная и качественная работа сайта, огромная база заданий и аудитория.
Отличный помощник
Отличный сайт с кучей полезных файлов, позволяющий найти много методичек / учебников / отзывов о вузах и преподователях.
Отлично помогает студентам в любой момент для решения трудных и незамедлительных задач
Хотелось бы больше конкретной информации о преподавателях. А так в принципе хороший сайт, всегда им пользуюсь и ни разу не было желания прекратить. Хороший сайт для помощи студентам, удобный и приятный интерфейс. Из недостатков можно выделить только отсутствия небольшого количества файлов.
Спасибо за шикарный сайт
Великолепный сайт на котором студент за не большие деньги может найти помощь с дз, проектами курсовыми, лабораторными, а также узнать отзывы на преподавателей и бесплатно скачать пособия.
Популярные преподаватели
Добавляйте материалы
и зарабатывайте!
Продажи идут автоматически
7223
Авторов
на СтудИзбе
248
Средний доход
с одного платного файла
Обучение Подробнее