Главная » Учебные материалы » Системы автоматического управления (САУ) (МТ-11) » Курсовые работы » МГТУ им. Н.Э.Баумана » 11 семестр (3 семестр магистратуры) » Система автоматического управления 3-координатного МР-привода тунельного сканируещего микроскопа
Для студентов МГТУ им. Н.Э.Баумана по предмету Системы автоматического управления (САУ) (МТ-11)Система автоматического управления 3-координатного МР-привода тунельного сканируещего микроскопаСистема автоматического управления 3-координатного МР-привода тунельного сканируещего микроскопа
4,79523155
2017-12-22СтудИзба

Курсовая работа: Система автоматического управления 3-координатного МР-привода тунельного сканируещего микроскопа

Описание

Этот курсовой проект был успешно сдан в 2002-м году

Содержание.


Содержание. 1

1. Аннотация. 2

2. Ведение. 3

Описание работы МР-привода применяемого в установке. 6

3. Процессная модель работы МР-привода. 7

3.1 Функции привода. 7

3.1.1 Основные целевые функции. 7

3.1.2 Сервисные функции. 7

3.1.3 Функции коррекции цели. 7

3.2 Режим работы. 8

3.3 Процессы реализуемые в системе. 8

4. Комплексная принципиальная схема установки. 17

4.1 КПС МР-привода. 17

4.2 КПС САУ и энергообеспечения МР-привода. 18

5. Техническое задание на элементы и узлы машины. 20

5.1 Управляющий компьютер IBM PC AT совместимый. 20

5.2 Платы ЦАП и АЦП. 21

5.3 Комплекс интерферометрический. 29

5.4 Блок питания усилителей. 30

6. Схема принципиальная электрическая блока усилителей тока. 31

7. Информационный поиск. 32

Список литературы: 33


1. Аннотация.


Привод туннельного сканирующего микроскопа является приводом, работающим по трём осям (осям X, Y, Z). Работа привода основана на изменение свойств магнитореологической суспензии и осуществляется в установках сверхвысокого вакуума для промежуточного контроля образцов (определения геометрии поверхности образцов, а также позволяет определять на кремниевых пластинах наличие частиц пыли).

Целью проекта является разработка системы автоматического управления для измерения величин перемещений привода при сканировании образцов, а также для задания траекторий перемещений привода и корректировки величины перемещения привода вдоль оси Z.

Для упрощения работы оператора и повышения производительности предложен вариант автоматизированной работы привода.


2. Ведение.

В современной науке сформировалась новая область - нанотехнология, представляющая собой междисциплинарное направление, простирающееся от молекулярной биологии и генной инженерии до физики поверхности твердого тела, электрохимии и микроэлектроники. Получены уникальные результаты по изучению структуры поверхностей, строения кластеров, природы каталитических центров, строения вирусов, полимеров, отдельных молекул.

Нанотехнология открывает качественно новый уровень изучения различных свойств поверхности материалов. Существует возможность не только исследовать поверхность, но и производить прецизионное воздействие: перемещать слабо связанные с поверхностью наноструктуры (http://www.ntmdt.ru/russian/artifact.htm), производить нанолитографию (http://www.ntmdt.ru/russian/nanotech.htm), кроме того, возможно и физическое воздействие на поверхность.

Возникновение и развитие нанотехнологий связано с открытием физиками из швейцарского отделения компании IBM сканирующих туннельных и атомно-силовых микроскопов (1981-1986 гг.).

К настоящему времени сменилось уже два поколения сканирующих зондовых микроскопов.

К первому поколению относятся сканирующие туннельные микроскопы (СТМ). Они были изобретены в 1981 году как сверхвысоковакуумные приборы, на которых впервые было получено атомарное разрешение при исследовании поверхности кристаллических образцов. Также были созданы и получили распространение жидкостные, воздушные, вакуумные и сверхвысоковакуумные варианты приборов.

Принцип работы СТМ - это регистрация туннельного тока между проводящим образцом и микроиглой. Микроигла формирует туннельный ток, локализованный на малой площади. Например, если микрозонд удален на фиксированное расстояние от поверхности, то высота физического рельефа в исследуемой точке определит величину туннельного тока. Контролируя при сканировании фиксированную величину туннельного тока за счет вертикального перемещения микрозонда, определяют микрорельеф поверхности. Применение СТМ ограничивается проводящими поверхностями, и исследования, в основном, имеют чисто научное значение. Кроме того, интерпретация СТМ-данных не однозначна - ток зависит не только от расстояния, но и плотности электронных состояний, энергии связи электронов, присутствия адсорбционных слоев.

С 1993 года стало развиваться новое поколение приборов, использующее в своей работе так называемый многомодовый режим. Суть этого режима заключается в том, что он позволяет как бы "сделать видимым" не только микрорельеф поверхности, но и другие ее характеристики, например, магнитные или электрохимические свойства, вязкость, осуществить регистрацию фото-, электро-, химо-люминесценции, в том числе низкотемпературной, регистрации поверхностных плазмонов и т. д.

На рисунке 2.1 показана структурная схема работы сканирующего туннельного микроскопа.


Рис. 2.1 Структурная схема CNV


Принцип работы СТМ основан на использовании туннельного эффекта. Электронные облака, связанные с поверхностными атомами металла, расположены на очень маленьком расстоянии над поверхностью. Когда острая игла (индентер), обработанная таким образом, что ее конец представляет из себя один атом, точно подводится к такой поверхности, возникает сильное взаимодействие между электронными облаками на поверхности и на атоме – острие иглы, и, если приложить небольшое напряжение, начнет течь туннельный ток. При уменьшении расстояния между острием иглы и поверхностными атомами увеличивается значение туннельного тока. Значение туннельного тока сильно зависит от величины этого зазора, поэтому коррекция высоты иглы, осуществляемая с помощью цепи обратной связи, при поддержании значения туннельного тока постоянным, будет отражать рельеф поверхности образца.

Весь процесс сканирования контролируется персональным компьютером .Результат сканирования - изображение, формируется в виде трехмерного массива высот в каждой точке сканирования, что позволяет в дальнейшем обрабатывать полученное изображение, а также представлять в удобном для анализа виде - двумерном и трехмерном видах, в различных палитрах.



STM Спектроскопия (методы модуляции):


STM Топография (I=cost)

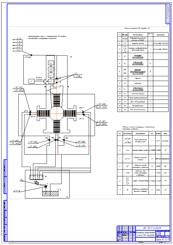
Наиболее обычный способ для отображения STM. Топография использующие поток туннелирования, который зависит от растояния между индентером и поверхностью. Принципиальную схему смотри Лист 1 «Процессная модель работы МР-привода

Характеристики курсовой работы

Список файлов

Система автоматического управления 3-координатного МР-привода тунельного сканируещего микроскопа
1new.cdw
2new.cdw
3new.cdw
4new3.cdw
Readme.doc
rpz1.doc
ЗАДАНИЕ.doc
Прочти меня.txt
Картинка-подпись
Зарабатывай на студизбе! Просто выкладывай то, что так и так делаешь для своей учёбы: ДЗ, шпаргалки, решённые задачи и всё, что тебе пригодилось.
Начать зарабатывать

Комментарии

Нет комментариев
Стань первым, кто что-нибудь напишет!
Поделитесь ссылкой:
Цена: 1 200 руб.
Расширенная гарантия +3 недели гарантии, +10% цены
Рейтинг автора
4,79 из 5
Поделитесь ссылкой:
Сопутствующие материалы

Подобрали для Вас услуги

-20%
Вы можете использовать курсовую работу для примера, а также можете ссылаться на неё в своей работе. Авторство принадлежит автору работы, поэтому запрещено копировать текст из этой работы для любой публикации, в том числе в свою курсовую работу в учебном заведении, без правильно оформленной ссылки. Читайте как правильно публиковать ссылки в своей работе.
Свежие статьи
Популярно сейчас
А знаете ли Вы, что из года в год задания практически не меняются? Математика, преподаваемая в учебных заведениях, никак не менялась минимум 30 лет. Найдите нужный учебный материал на СтудИзбе!
Ответы на популярные вопросы
Да! Наши авторы собирают и выкладывают те работы, которые сдаются в Вашем учебном заведении ежегодно и уже проверены преподавателями.
Да! У нас любой человек может выложить любую учебную работу и зарабатывать на её продажах! Но каждый учебный материал публикуется только после тщательной проверки администрацией.
Вернём деньги! А если быть более точными, то автору даётся немного времени на исправление, а если не исправит или выйдет время, то вернём деньги в полном объёме!
Да! На равне с готовыми студенческими работами у нас продаются услуги. Цены на услуги видны сразу, то есть Вам нужно только указать параметры и сразу можно оплачивать.
Отзывы студентов
Ставлю 10/10
Все нравится, очень удобный сайт, помогает в учебе. Кроме этого, можно заработать самому, выставляя готовые учебные материалы на продажу здесь. Рейтинги и отзывы на преподавателей очень помогают сориентироваться в начале нового семестра. Спасибо за такую функцию. Ставлю максимальную оценку.
Лучшая платформа для успешной сдачи сессии
Познакомился со СтудИзбой благодаря своему другу, очень нравится интерфейс, количество доступных файлов, цена, в общем, все прекрасно. Даже сам продаю какие-то свои работы.
Студизба ван лав ❤
Очень офигенный сайт для студентов. Много полезных учебных материалов. Пользуюсь студизбой с октября 2021 года. Серьёзных нареканий нет. Хотелось бы, что бы ввели подписочную модель и сделали материалы дешевле 300 рублей в рамках подписки бесплатными.
Отличный сайт
Лично меня всё устраивает - и покупка, и продажа; и цены, и возможность предпросмотра куска файла, и обилие бесплатных файлов (в подборках по авторам, читай, ВУЗам и факультетам). Есть определённые баги, но всё решаемо, да и администраторы реагируют в течение суток.
Маленький отзыв о большом помощнике!
Студизба спасает в те моменты, когда сроки горят, а работ накопилось достаточно. Довольно удобный сайт с простой навигацией и огромным количеством материалов.
Студ. Изба как крупнейший сборник работ для студентов
Тут дофига бывает всего полезного. Печально, что бывают предметы по которым даже одного бесплатного решения нет, но это скорее вопрос к студентам. В остальном всё здорово.
Спасательный островок
Если уже не успеваешь разобраться или застрял на каком-то задание поможет тебе быстро и недорого решить твою проблему.
Всё и так отлично
Всё очень удобно. Особенно круто, что есть система бонусов и можно выводить остатки денег. Очень много качественных бесплатных файлов.
Отзыв о системе "Студизба"
Отличная платформа для распространения работ, востребованных студентами. Хорошо налаженная и качественная работа сайта, огромная база заданий и аудитория.
Отличный помощник
Отличный сайт с кучей полезных файлов, позволяющий найти много методичек / учебников / отзывов о вузах и преподователях.
Отлично помогает студентам в любой момент для решения трудных и незамедлительных задач
Хотелось бы больше конкретной информации о преподавателях. А так в принципе хороший сайт, всегда им пользуюсь и ни разу не было желания прекратить. Хороший сайт для помощи студентам, удобный и приятный интерфейс. Из недостатков можно выделить только отсутствия небольшого количества файлов.
Спасибо за шикарный сайт
Великолепный сайт на котором студент за не большие деньги может найти помощь с дз, проектами курсовыми, лабораторными, а также узнать отзывы на преподавателей и бесплатно скачать пособия.
Популярные преподаватели
Добавляйте материалы
и зарабатывайте!
Продажи идут автоматически
6985
Авторов
на СтудИзбе
262
Средний доход
с одного платного файла
Обучение Подробнее
{user_main_secret_data}