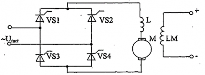
Регулирование скорости двигателя постоянного тока независимого возбуждения (таблица 2) производится по схеме (рисунок 3). Индуктивность якорной цепи предполагается достаточной для обеспечения непрерывности тока якоря и отсутствия пульсаций. Таблица
Описание
Регулирование скорости двигателя постоянного тока независимого возбуждения (таблица 2) производится по схеме (рисунок 3). Индуктивность якорной цепи предполагается достаточной для обеспечения непрерывности тока якоря и отсутствия пульсаций.
Таблица 2 – Технические данные электродвигателя и данные для расчета (тип 2ПН132МУХЛ4)
Мощность, кВт | Напряжение, В | Частота вращения номинальная, об/мин | КПД,% | Сопротивление обмотки при 15°, Ом | Напряжение питания преобразователя, В | Угол управления тиристором | |
Якоря | Добавочных полюсов | ||||||
2,5 | 220 | 1000 | 73,5 | 1,08 | 0,763 | 250 | 10 |
2.1 Режим выпрямления (двигательный режим (таблица 2)). Для угла управления a и номинального тока якоря рассчитать момент и скорость двигателя; построить механическую характеристику двигателя.
2.2 Режим инвертирования (рекуперативное торможение). Полярность противо-ЭДС двигателя изменяется на противоположное путем изменения направления потока возбуждения. Требуется рассчитать: 1) угол управления, при котором в цепи якоря протекает номинальный ток; 2) мощность, возвращаемую в питающую сеть.
2.3 Построить регулировочную характеристику преобразователя Udя = f(a) (путем расчета) и диаграмму напряжений для режимов выпрямления и инвертирования (без расчета).
Рисунок 3 – Схема силовой цепи
«тиристорный преобразователь – двигатель постоянного тока»
Характеристики решённой задачи
Список файлов
