Лабораторная: Исследование ООС в общем эмиттере
Лабораторная работа: Исследование отрицательных обратных связей в усилительных каскадах
Кафедра радиосвязи, радиовещания и телевидения
ОТЧЕТ
по контрольной работе по
дисциплине «Схемотехника телекоммуникационных устройств»
Контрольная работа №1 «Цифровая схемотехника»
1. Цель работы:
Проверить полученные знания по разделам схемотехники цифровых устройств
Тема №1
Вопрос № 1 Когда кнопка переключателя не нажата (цепь разомкнута), выходное напряжение имеет
Вопрос № 2 Информация на выходе процессора микрокалькулятора имеет форму двоичных чисел. Для подачи на индикатор микрокалькулятора эти двоичные числа преобразуются в десятичные устройством, которое называется …
Тема №2
Основные базовые элементы цифровой техники. Принципы построе-
ния и функционирования. Двоичные логические элементы: И; ИЛИ; НЕ;
двойное инвертирование; И – НЕ; ИЛИ – НЕ; исключающее ИЛИ; исклю-
чающее ИЛИ – НЕ.
Вопрос № 2 Запишите булево выражение, описывающее двойное инвертирование.
Тема №3
Коды. Преобразователи кодов. Шифраторы. Дешифраторы. Муль-
типлексоры. Демультиплексоры.
Вопрос № 1 Код Грея(принадлежит, не принадлежит) к семейству двоично-десятичных кодов.
Вопрос № 2 Дать для каждой группы импульсов значение выходных сигналов (см. рис.).
Тема №4
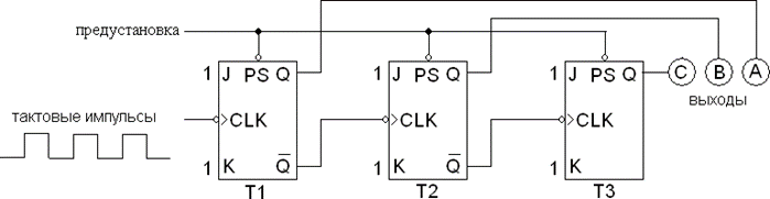
Триггеры. RS-триггеры. Тактируемые RS-триггеры. D-триггеры. JK-
триггеры. Запуск триггеров. Счетчики со сквозным переносом. Асинхрон-
ные счетчики по модулю 10 Синхронные счетчики. Самоостанавливающи-
еся счетчики. Вычитающие счетчики.
Вопрос № 1 Определите сигнал на прямом выходе тактируемого RS- триггера во время прохождения каждого тактового импульса из последовательности импульсов (см. рис.).
Вопрос № 2 Все JK-триггеры на рис. запускаются( фронтом, срезом ) тактового импульса.
Тема №5
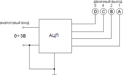
Сопряжение аналоговых и цифровых устройств. АЦП и ЦАП.
Вопрос № 1
Резистор Rвх в схеме ОУ на рис. называетсярезистором.
Вопрос № 2
Если в таблице истинности для АЦП ( см. рис.) аналоговое входное напряжение равно 1В, то на выходе мы должны получить двоичное число
.
Кафедра радиосвязи, радиовещания и телевидения
Практическая работа по дисциплине
«Электроника и схемотехника»
ПРАКТИЧЕСКОЕ ЗАНЯТИЕ №1
Тема: «Исследование отрицательных обратных связей в усили-
тельных устройствах»
Цель работы:
1. Изучить способы введения ООС в усилительные устройства.
2. Изучить влияние ООС на качественные основные показатели усилительного устройства.
3. Экспериментально проверить основные положения теории усилительных устройств в ООС.
Исходные данные:
где: Rкэ - в режиме насыщения
Rвых транзистора собственное, без учета внешних нагрузок
Схема с общим эмиттером.
Данные для расчета: транзистор 2N3904 (КТ375Б).
Паспортные данные для транзистора:
h21эмин = 50; h21эмах = 280; Ск = 5pF; fгр = 250 Мгц; Ikо = 7,5мА; Внутреннее сопротивление источника сигнала Rг=1,0 кОм, сопротивление нагрузочного резистора Rк в коллекторной цепи транзистора Rк=510 Ом; сопротивления резисторов делителя в цепи базы: Rб1=101 кОм; Rб2=15 кОм.
Для схемы с последовательной частотно-независимой ООС по току сопротивление резистора в цепи эмиттера для получения ООС Rо = 520 Ом. Rнаг=360 Ом
Физическая эквивалентная схема транзистора, представляющая собой электрическую модель транзистора и отражающаяего физические свойства – схема Джиаколетто представлена на рис.1):
Рис. 1 – Эквивалентная схема Джиаколетто транзистора
Рис.2 – Схема усилителя без подключенной ОСПоказать/скрыть дополнительное описание
ОТЧЕТ
по контрольной работе по
дисциплине «Схемотехника телекоммуникационных устройств»
Контрольная работа №1 «Цифровая схемотехника»
1. Цель работы:
Проверить полученные знания по разделам схемотехники цифровых устройств
Тема №1
Вопрос № 1 Когда кнопка переключателя не нажата (цепь разомкнута), выходное напряжение имеет
Вопрос № 2 Информация на выходе процессора микрокалькулятора имеет форму двоичных чисел. Для подачи на индикатор микрокалькулятора эти двоичные числа преобразуются в десятичные устройством, которое называется …
Тема №2
Основные базовые элементы цифровой техники. Принципы построе-
ния и функционирования. Двоичные логические элементы: И; ИЛИ; НЕ;
двойное инвертирование; И – НЕ; ИЛИ – НЕ; исключающее ИЛИ; исклю-
чающее ИЛИ – НЕ.
Вопрос № 2 Запишите булево выражение, описывающее двойное инвертирование.
Тема №3
Коды. Преобразователи кодов. Шифраторы. Дешифраторы. Муль-
типлексоры. Демультиплексоры.
Вопрос № 1 Код Грея(принадлежит, не принадлежит) к семейству двоично-десятичных кодов.
Вопрос № 2 Дать для каждой группы импульсов значение выходных сигналов (см. рис.).
Тема №4
Триггеры. RS-триггеры. Тактируемые RS-триггеры. D-триггеры. JK-
триггеры. Запуск триггеров. Счетчики со сквозным переносом. Асинхрон-
ные счетчики по модулю 10 Синхронные счетчики. Самоостанавливающи-
еся счетчики. Вычитающие счетчики.
Вопрос № 1 Определите сигнал на прямом выходе тактируемого RS- триггера во время прохождения каждого тактового импульса из последовательности импульсов (см. рис.).
Вопрос № 2 Все JK-триггеры на рис. запускаются( фронтом, срезом ) тактового импульса.
Тема №5
Сопряжение аналоговых и цифровых устройств. АЦП и ЦАП.
Вопрос № 1
Резистор Rвх в схеме ОУ на рис. называетсярезистором.
Вопрос № 2
Если в таблице истинности для АЦП ( см. рис.) аналоговое входное напряжение равно 1В, то на выходе мы должны получить двоичное число
.
Кафедра радиосвязи, радиовещания и телевидения
Практическая работа по дисциплине
«Электроника и схемотехника»
ПРАКТИЧЕСКОЕ ЗАНЯТИЕ №1
Тема: «Исследование отрицательных обратных связей в усили-
тельных устройствах»
Цель работы:
1. Изучить способы введения ООС в усилительные устройства.
2. Изучить влияние ООС на качественные основные показатели усилительного устройства.
3. Экспериментально проверить основные положения теории усилительных устройств в ООС.
Исходные данные:
| № варианта | τк, пс | Rкэ, Ом | Rвых, кОм |
| Вариант №6 | 250 | 40 | 20 |
Rвых транзистора собственное, без учета внешних нагрузок
Схема с общим эмиттером.
Данные для расчета: транзистор 2N3904 (КТ375Б).
Паспортные данные для транзистора:
h21эмин = 50; h21эмах = 280; Ск = 5pF; fгр = 250 Мгц; Ikо = 7,5мА; Внутреннее сопротивление источника сигнала Rг=1,0 кОм, сопротивление нагрузочного резистора Rк в коллекторной цепи транзистора Rк=510 Ом; сопротивления резисторов делителя в цепи базы: Rб1=101 кОм; Rб2=15 кОм.
Для схемы с последовательной частотно-независимой ООС по току сопротивление резистора в цепи эмиттера для получения ООС Rо = 520 Ом. Rнаг=360 Ом
Физическая эквивалентная схема транзистора, представляющая собой электрическую модель транзистора и отражающаяего физические свойства – схема Джиаколетто представлена на рис.1):
Рис. 1 – Эквивалентная схема Джиаколетто транзистора
Рис.2 – Схема усилителя без подключенной ОСПоказать/скрыть дополнительное описание
Лабораторная по электронике по теме отрицательной обратной связи: подробные расчёты параметров каскада с общим эмиттером, таблица итоговых значений и комментарии по практическому применению. Подходит для студентов и техников..
Характеристики лабораторной работы
Предмет
Учебное заведение
Семестр
Просмотров
1
Размер
398,6 Kb
Список файлов
Пропустин_электроника_кр.docx
пропустин_ЭМП_иВ_практ.docx
🎓 Никольский - Помощь студентам 📚 Любые виды работ: тесты, сессии под ключ, практики, курсовые и дипломные с гарантией результата ✅ Все услуги под ключ ✅ Знаем все тонкости именно вашего ВУЗа ✅ Сдадим или вернем деньги
Комментарии
Нет комментариев
Стань первым, кто что-нибудь напишет!
ПГУТИ
nikolskypomosh















