Ответы к контрольной работе: КР - Расчет токовой защиты нулевой последовательности в сети с глухозаземленной нейтралью
Описание
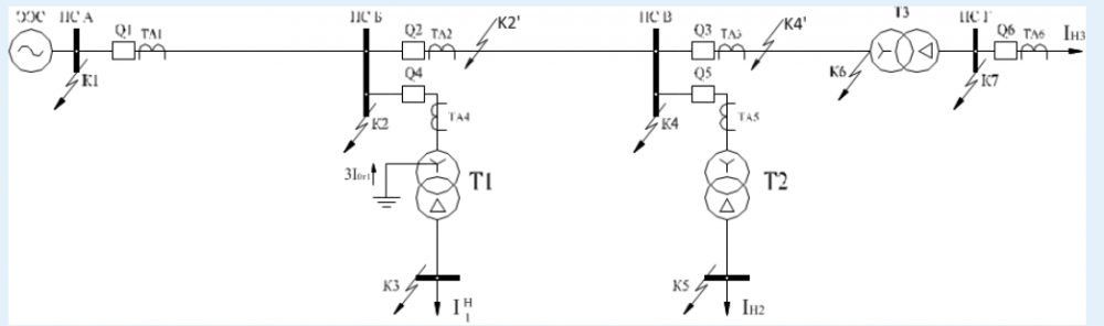
Для сети, изображенной на рис. 1 определить:
1)токи и времена срабатывания МТЗ на участках 1-3 от междуфазных КЗ;
2)токи и времена срабатывания ступенчатых токовых защит нулевой последовательности на тех же участках.
Оценить и сравнить чувствительность и времена срабатывания МТЗ и чувствительных ступеней защиты нулевой последовательности при однофазных КЗ на землю.
Точность расчетов - 0.001. Токи срабатывания защит вводить в кА.
Iнагр1=130 А, Iнагр2=100 А, Iнагр3=100 А, tс.з.4=1 с, tс.з.5=1.9 с, tс.з.6=0.9 с, IK2(1)=5.8 кА, IK4(1)=3.1 кА, IK6(1)=1.3 кА, 3I0Т(К1)=0.1 кА, 3I0Т(К2)=0.2 кА, IK3(3)=2 кА, IK5(3)=1.7 кА, IK7(3)=0.7 кА, kз=1.8, kIотс=1.25, kIIотс=1.1, kв=0.9, kз=1.8 , kап=2 если tс.з.≤0.1с или kап=1 если tс.з.≥0.5с, ε=0.05, Δt=0.5 c
Ток срабатывания третьей ступени третьей защиты
IIIIс.з.3=
Чувствительность третьей ступени третьей защиты
kч=
Защита 2
Ток срабатывания первой ступени второй защиты
IIс.з.2=
Ток срабатывания второй ступени второй защиты
IIIс.з.2=
Чувствительность второй ступени второй защиты (основная)
kч=
Чувствительность второй ступени второй защиты (резервная)
kч=
Время срабатывания второй ступени второй защиты
tс.з.=
Ток срабатывания первой ступени первой защиты
IIс.з.1=
коэффициент токораспределения kт = Iзащ.1/Iзащ.2 в случае КЗ на второй линии
kT=
Ток срабатывания второй ступени первой защиты
IIIс.з.1=:
Чувствительность второй ступени первой защиты
kч=
Время срабатывания второй ступени первой защиты
tс.з.=
Ток срабатывания третьей ступени первой защиты
IIIIс.з.1=
Чувствительность третьей ступени первой защиты
kч=
Чувствительность третьей ступени первой защиты в зоне дальнего резервирования
kч=
Время срабатывания третьей ступени первой защиты
tс.з.=
Результаты расчета
| | | Защита 1 | Защита 2 | Защита 3 |
I ступень | IIс.з.,0 | | | - |
| | tIс.з.,0 | | | - |
II ступень | IIIс.з.,0 | | | - |
| tIIс.з.,0 | | | - |
III ступень | IIIIс.з.,0 | | - | |
| | tIIIс.з.,0 | | - | |
| | Защита 1 | Защита 2 | Защита 3 |
Iс.з.мтз, [кА] | | | |
IIIIс.з.0,[кА] | | | |
| | Защита 1 | Защита 2 | Защита 3 |
tс.з.мтз, [с] | | | |
tIIIс.з.0, [с] | | | |
| | Защита 1 | Защита 2 | Защита 3 |
kч, мтз при дальнем | | | |
kч, 0 при дальнем | | | |
ИДДО НИУ «МЭИ» 

















