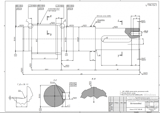
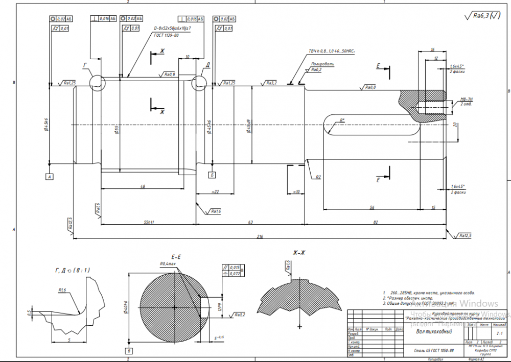
Для студентов МГТУ им. Н.Э.Баумана по предмету Ракетно-космические производственные технологииПроектирование технологического процесса изготовления детали "Вал тихоходный"Проектирование технологического процесса изготовления детали "Вал тихоходный"
5,0051
2024-03-022024-03-02СтудИзба
Курсовая работа: Проектирование технологического процесса изготовления детали "Вал тихоходный"
Описание
Файлы условия, демо
Характеристики курсовой работы
Учебное заведение
Семестр
Программы
Просмотров
23
Качество
Идеальное компьютерное
Размер
17,14 Mb
Список файлов
Лист 1
На печать
Вал_тихоходный.pdf
Вал_тихоходный.dwg
Вал_тихоходный.ipt
Лист 2
OldVersions
Чертеж1.1.0032.dwg
Чертеж1.2.0049.dwg
Чертеж1.3.0055.dwg
Чертеж1.4.0097.dwg
Чертеж2.4.0101.dwg
На печать
Чертеж2.1.pdf
Чертеж2.2.pdf
Чертеж2.3.pdf
Чертеж2.4.pdf
Чертеж2.1.dwg
Чертеж2.2.dwg
Чертеж2.3.dwg
Чертеж2.4.dwg
Лист 3
OldVersions
Чертеж2.1.0089.dwg
Чертеж2.2.0109.dwg
Чертеж2.3.0112.dwg
Чертеж2.4.0132.dwg
Чертеж3.1.0090.dwg
Чертеж3.2.0110.dwg
Чертеж3.3.0124.dwg
Чертеж3.4.0147.dwg
OpelBlitz
МГТУ им. Н.Э.Баумана
OpelBlitz


















