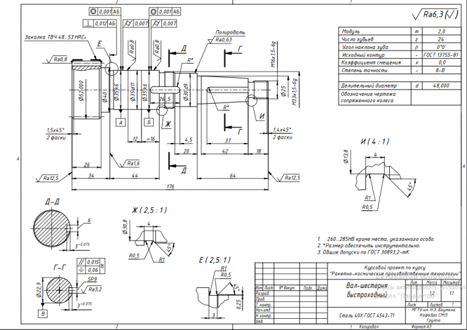
Для студентов МГТУ им. Н.Э.Баумана по предмету Ракетно-космические производственные технологии"Проектирование технологического процесса изготовления детали "Вал-шестерня быстроходный""Проектирование технологического процесса изготовления детали "Вал-шестерня быстроходный"
4,825600
2023-12-262023-12-26СтудИзба
Курсовая работа: "Проектирование технологического процесса изготовления детали "Вал-шестерня быстроходный"
Описание
Файлы условия, демо
Характеристики курсовой работы
Учебное заведение
Семестр
Программы
Просмотров
17
Качество
Идеальное компьютерное
Размер
17,77 Mb
Список файлов
КП_РКПТ_Вал-шестерня_быстроходный
Лист 1
OldVersions
Вал-шестерня Б.0033.ipt
Вал-шестерня Б.0151.dwg
lockfile.lck
Вал-шестерня Б.dwg
Вал-шестерня Б.ipt
Лист 1 (А2).pdf
Лист 2
OldVersions
Чертеж1.1.0035.dwg
Чертеж1.2.0073.dwg
Чертеж1.3.0063.dwg
Чертеж1.4.0064.dwg
Чертеж1.4.0082.dwg
Чертеж2.2.0074.dwg
Чертеж2.4.0074.dwg
На печать
Чертеж2.1.pdf
Чертеж2.2.pdf
Чертеж2.3.pdf
Чертеж2.4.pdf
lockfile.lck
Чертеж2.1.dwg
Чертеж2.2.dwg
Чертеж2.3.dwg
Чертеж2.4.dwg
Лист 3
OldVersions
Чертеж2.1.0090.dwg
OpelBlitz
Комментарии
Нет комментариев
Стань первым, кто что-нибудь напишет!

МГТУ им. Н.Э.Баумана
OpelBlitz


















