Для студентов НГТУ по предмету Радиофизика и электроникаВариант 36 - РГЗ - Прямоугольный волноводВариант 36 - РГЗ - Прямоугольный волновод
4,96530232
2021-10-112021-10-11СтудИзба
Курсовая работа: Вариант 36 - РГЗ - Прямоугольный волновод вариант 36
Описание
Расчётно-графическое задание на тему:
«Прямоугольный волновод»
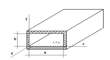
Исходные данные- Вариант 36:
b=52 мм
1,4 ≤ f ≤4,0 (ГГц)
Материал - латунь.
Штыревой возбудитель
σ = 1,45×107 Си/м

Рабочее задание
Для прямоугольного волновода с размерами поперечного сечения a×b, в диапазоне заданных частот проделать следующее:
Расчетная часть
- Определить типы распространяющихся в волноводе волн.
- Для основного типа волны рассчитать (привести таблицы) и построить зависимости следующих параметров от частоты (длины волны) в заданном диапазоне:
νгр – Групповая скорость (скорость переноса энергии).
β – Продольное волновое число (коэффициент фазы).
α – Коэффициент затухания.
WH – Волновое сопротивление основной волны.
Pср– Передаваемая по волноводу средняя мощность.
- Сделать оценку наиболее выгодного для основной волны диапазона волн в заданном диапазоне.
- Представить на эскизах структуру силовых линий поля волны Н10 , дать подробное объяснение принципов, лежащих в основе их построения (какой вид будут иметь силовые линии, где они начинаются, где заканчиваются, граничные условия, их форма, характер – вихревой и т.д.);
- Представить на эскизах структуру силовых линий поля волны с самым большим индексами m и n, которая распределится в волноводе. Дать пояснение. Вид снизу, вид сбоку, вид сверху, объёмный вид;
- Показать схему возбуждения волны Н10 возбудителем, указанным в задании. Пояснить принцип его работы.
- Изобразить на эскизах картину силовых линий векторов плотности токов проводимости и смещения для основного типа волны. Дать пояснения принципов построения.
Содержание
ВведениеРасчетная часть
1. Определим типы волн, которые распространяются в нашем волноводе.
2. Рассчитаем основные параметры волны H10:
- Фазовая скорость
- Групповая скорость
- Волновое число
- Коэффициент затухания
- Волновое сопротивление
- Средняя мощность
- Представление на эскизах структуры силовых линий поля волны Н10 с описанием
- Представление на эскизах структуры силовых линий поля волны с самым большим индексами m и n, которая распределится в волноводе
- Изображение схемы возбуждения волны Н10 возбудителем, указанным в задании. Пояснение принципа его работы
- Изображение на эскизах картины силовых линий векторов плотности токов проводимости и смещения для основного типа волны с пояснением принципов построения
В ходе выполнения РГР мы определили различные типы волн, распространяющиеся по волноводу; построили графики зависимостей наиболее важных параметров от длины волны; нашли оптимальный для переноса энергии по волноводу диапазон распространения основной волны Н10. Так же рассмотрели особенности построения силовых линий основной волны и изучили её структуру.
На основании полученных данных смогли представить на эскизах структуру волны с самыми большими коэффициентами m и n.
Рассмотрели способы возбуждения волновода, раскрыли один из них – возбуждение при помощи штыря.
Список используемой литературы
Характеристики курсовой работы
Предмет
Учебное заведение
Семестр
Вариант
Просмотров
9
Качество
Идеальное компьютерное
Размер
6,05 Mb
Список файлов
Вариант 36 - РГЗ - Прямоугольный волновод
Вариант 36 - РГЗ - Прямоугольный волновод.doc
Вариант 36 - РГЗ - Прямоугольный волновод.xmcd

Вам все понравилось? Получите кэшбэк - 40 рублей на Ваш счёт при покупке. Поставьте оценку и напишите положительный комментарий к купленному файлу. После Вы получите деньги на ваш счет.