Для студентов ЧГУ по предмету Производство монтаж и ремонт подъёмно-транспортных, строительных машин и оборудованияОпределить расцентровку соединяемых полумуфт по подшипниковым опорам правого вала методом смещения ближней и дальней опор в вертикальной и горизонталОпределить расцентровку соединяемых полумуфт по подшипниковым опорам правого вала методом смещения ближней и дальней опор в вертикальной и горизонтал
5,0058
2025-11-022025-11-02СтудИзба
Определить расцентровку соединяемых полумуфт по подшипниковым опорам правого вала методом смещения ближней и дальней опор в вертикальной и горизонтальной плоскостях
Описание
Задача 3 (Вариант 4)
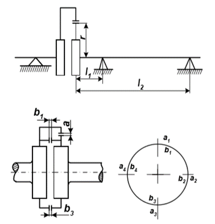
Определить расцентровку соединяемых полумуфт по подшипниковым опорам правого вала методом смещения ближней и дальней опор в вертикальной и горизонтальной плоскостях рис. 1, если радиальное смещение полумуфт при повороте их через каждые 900 соответственно составляют: α1=0,50 мм, α2=0,44 мм, α3=0,44 мм, α4=0,50 мм. Угловое смещение полумуфт при повороте их через каждые 900 соответственно составляют: b1=0,60 мм, b2=0,47 мм, b3=0,54 мм, b4=0,67 мм.
Расстояния от оси прицентриваемой полумуфты до плоскости замера радиального смещения r=200 мм. Расстояния от прицентриваемой полумуфты до подшипниковой опоры соответственно l1=380 мм, l2=1200 мм.
Рис.1 Схема к расчёту прицентровки валов механизмов по полумуфтам
Характеристики решённой задачи
Учебное заведение
Семестр
Просмотров
2
Размер
42,69 Kb
Список файлов
Задача 3.docx
Комментарии
Нет комментариев
Стань первым, кто что-нибудь напишет!
ЧГУ
















