Для студентов МГТУ им. Н.Э.Баумана по предмету Проектирование технологических комплексов механосборочного производства (МТ-3)Проектирование технологического комплекса по изготовлению двигателей внутреннего сгоранияПроектирование технологического комплекса по изготовлению двигателей внутреннего сгорания
4,88560
2021-07-132021-07-13СтудИзба
Курсовая работа: Проектирование технологического комплекса по изготовлению двигателей внутреннего сгорания
-50%
Описание
Характеристики курсовой работы
Учебное заведение
Просмотров
21
Размер
5,84 Mb
Список файлов
28
List_1_Analiz_iskhodnykh_dannykh.pdf
List_2_3_MTP.pdf
List_4_OTP.pdf
List_5_Sintez_komponovok.pdf
List_6_Komponovka_tsekha.pdf
List_7_Uchastok_kolenvalov.pdf
List_8_Vspomogatelnye_uchastki.pdf
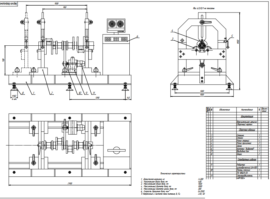
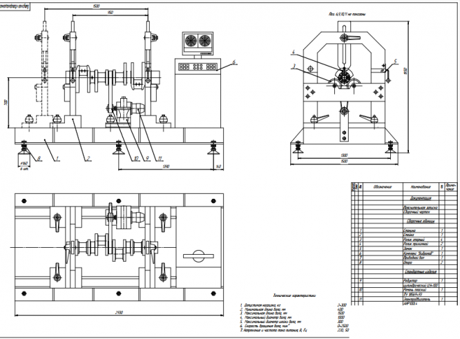
List_9_Stend_balansirovochny.pdf
List_10_Prisposoblenie.pdf
List_11_Prisposoblenie_2.pdf
List_12_NIR.pdf
List_13_Ekonomika.pdf
РПЗ.pdf

МГТУ им. Н.Э.Баумана


















