Курсовая работа: Технологический процесс изготовления вал НК200/120-70 и планировка участки
Описание
Характеристики курсовой работы
Учебное заведение
Просмотров
48
Размер
769,11 Kb
Список файлов
10
Анализ исходных данных.pdf
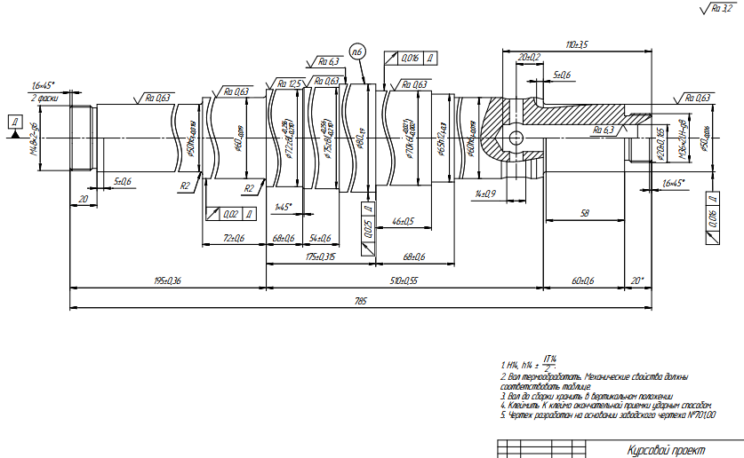
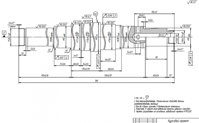
Деталь.pdf
МТП.pdf
ОТП.pdf
Планировка.pdf
Прибор для контроля радиального биения.pdf
Комментарии
Нет комментариев
Стань первым, кто что-нибудь напишет!
МГТУ им. Н.Э.Баумана
















