Курсовая работа: Проектировочный расчет газовой турбины для ГПА
Описание
Содержание
ВВЕДЕНИЕ.......................................................................................................... 31 Тепловой расчет схемы ГТУ............................................................................. 4
1.1 Выбор типа схемы ГТУ.............................................................................. 4
2 Моделирование осевого компрессора............................................................ 12
3 Газодинамический расчет газовой турбины.................................................. 133.1 Предварительный расчет турбины.......................................................... 13
3.2 Газодинамический расчет ступеней по среднему диаметру.................... 18
3.3 Расчет ступеней с применением закона закрутки.................................... 213.4 Выбор конструкции элементов ГТУ......................................................... 27
4 Профилирование лопаток турбинной ступени............................................... 28
СПИСОК ИСПОЛЬЗОВАННЫХ ИСТОЧНИКОВ.......................................... 35
ВВЕДЕНИЕ
Газотурбинные установки нашли широкое применение в различных отраслях промышленности. Исторически наибольшее распространение ГТУ получили при использовании их в качестве привода на дожимных и линейных компрессорных станциях магистральных газопроводов предприятий группы компаний ПАО "Газпром", а также у независимых поставщиков природного газа.
В данной работе для расчета основных геометрических и режимных показателей газовой турбины сначала проводится тепловой расчет схемы ГТУ, выбранной в качестве прототипа. В данной работе в качестве прототипа был выбран ГПА-16Р «Урал» (тип привода ПС-90ГП-2 авиационный). Проектировочный расчет производился для турбины высокого давления (ТВД).
Далее на основе полученных режимных параметров работы ТВД производится последовательное определение геометрических и газодинамических параметров, на основе которых выполняется построение проточной части, треугольников скоростей и профиля лопатки турбины.
Тепловой расчет схемы ГТУ
Выбор типа схемы ГТУ
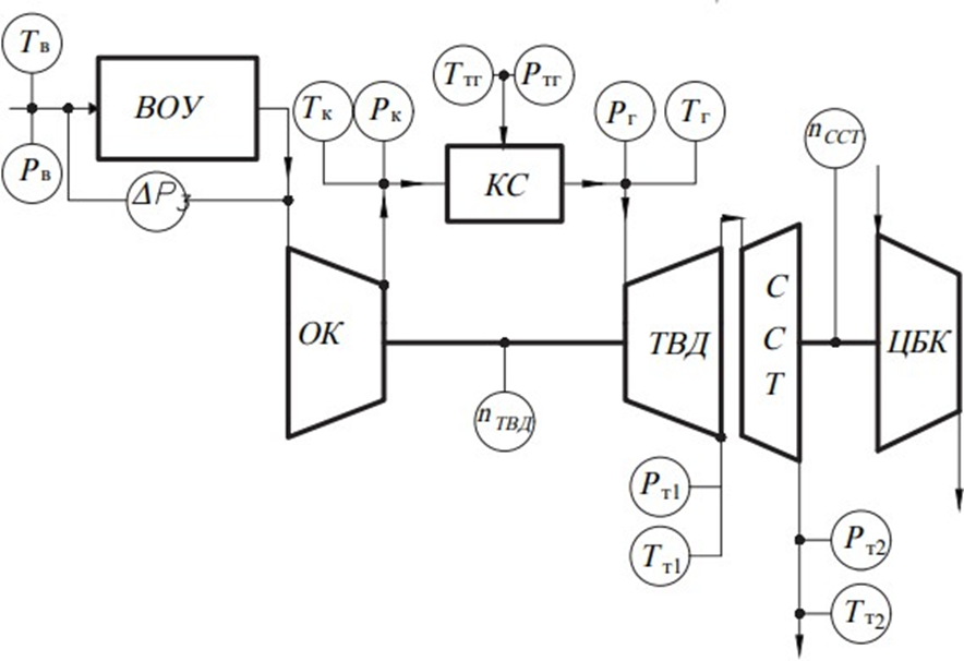
В качестве энергетических ГТУ большой мощности наибольшее распространение получили одновальные и двухвальные схемы простого и сложного циклов. В данной работе рассматривается ГПА-16(РП) «Урал» с двухвальной схемой ГТУ простого открытого цикла (рисунок 1). Приводом ГПА является авиационный двигатель ПС-90ГП-2.
Параметры работы ГПА-16(РП) Урал приведены в таблице 1[2].
Рисунок 1 - Принципиальная схема двухвальной ГТУ простого цикла
Таблица 1 – Параметры работы ГПА-16(РП) Урал
Наименование показателей | Единицы измерения | Значение |
Станционные условия:
| °C МПа кПа (мм вод. ст.) кПа (мм вод. ст.) | 15 0,1013 1,08 (110) 1,76 (180) |
Номинальная мощность в станционных условиях | МВт | 16 |
Максимальная мощность | % (МВт) | 120 (19,2) |
Эффективный КПД ГТУ в станционных условиях | % | 36,3 |
Номинальный расход топлива (при Q’p = 33 431 кДж/м3) | м3/ч | 4746 |
Температура воздуха после осевого компрессора | °C | 480 |
Температура продуктов сгорания на входе в турбину | °C | 1127 |
Температура продуктов сгорания на выхлопе | °C | 540 |
Степень повышения давления воздуха в компрессоре | - | 20,0 |
Расход циклового воздуха | кг/с | 57,1 |
Расход продуктов сгорания на выхлопе | кг/с | 56,1 |
Отбор сжатого воздуха ГТУ на нужды КС | % | 0,5 |
Степень регенерации | - | - |
Частота вращения роторов турбокомпрессора (КНД/КВД) | об/мин | 10700 |
Частота вращения ротора силовой турбины | об/мин | 5300 |
ПНИПУ
all_at_700
















