Для студентов РХТУ им. Менделеева по предмету Процессы и аппараты химической технологииЛАБОРАТОРНАЯ РАБОТА «ИССЛЕДОВАНИЕ РЕЖИМОВ ТЕЧЕНИЯ ЖИДКОСТИ» ЛАБОРАТОРНАЯ РАБОТА «ИССЛЕДОВАНИЕ РЕЖИМОВ ТЕЧЕНИЯ ЖИДКОСТИ»
4,905201
2022-06-272022-06-27СтудИзба
Лабораторная работа: ЛАБОРАТОРНАЯ РАБОТА «ИССЛЕДОВАНИЕ РЕЖИМОВ ТЕЧЕНИЯ ЖИДКОСТИ»
Описание
ЦЕЛЬ РАБОТЫ: визуально определить режим движения воды в прозрачных круглых гладких прямых трубах разной площади поперечного сечения; найти критическое число Рейнольдса при течении воды в трубах различных диаметров.
![]()
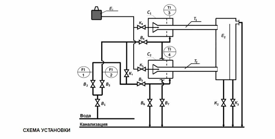
Т1, Т2 - трубы из органического стекла длиной 1200 мм круглого поперечного сечения с внутренним диаметром d1 = 35 мм и d2 = 25 мм. Обе трубы имеют входные раструбы (расширения), способствующие плавному входу жидкости в них.
С1, С2 – успокоительные резервуары; Е2 – демпфирующая емкость (гасящая скорость жидкости); Е1 – напорный сосуд; В2, В3 – регулирующие вентили; поз. 1 и 2 – ротаметры; К2, К3 – краны нижних сливных трубопроводов.
Характеристики лабораторной работы
Учебное заведение
Просмотров
4
Качество
Идеальное компьютерное
Размер
290,4 Kb
Список файлов
Исследование режимов течения.docx
РХТУ им. Менделеева

















