Для студентов РТУ МИРЭА по предмету Процессы и аппараты химической технологииТепловой расчет двухкорпусной выпарной установки непрерывного действия с равными поверхностями нагреваТепловой расчет двухкорпусной выпарной установки непрерывного действия с равными поверхностями нагрева
4,9957541
2024-03-062024-03-06СтудИзба
ДЗ 1: Тепловой расчет двухкорпусной выпарной установки непрерывного действия с равными поверхностями нагрева вариант 11
Описание
Условие
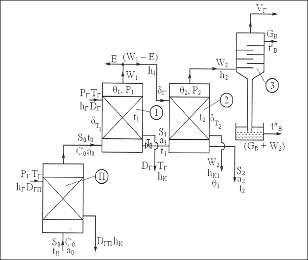
Рассчитать двухкорпусную выпарную установку непрерывного действия для выпаривания S0=18000 кг/ч раствора KNO3 от начальной концентрации a0=10% масс. до конечной концентрации a2=59% масс. Слабый раствор соли подогревается в теплообменнике до t0=100°C. Давление греющего пара Pгп=4,5ата. Из I корпуса отводится поток экстра- пара Е1=1850 кг/ч. Вакуум во II корпусе составляет Pвак=670 мм.рт.ст.Оба корпуса выпарной установки изготавливаются из стали марки ОХ21Н5Т (теплопроводность такой стали λст =17,2Вт/(м К))
Определить
1) Поверхности теплообмена корпусов F= F2 =F1 (условие равенства).2) Расход греющего пара Dгр.

ДЕМО



Тепловой расчет двухкорпусной выпарной установки непрерывного действия с равными поверхностями нагрева.
Характеристики домашнего задания
Учебное заведение
Номер задания
Вариант
Программы
Просмотров
2
Качество
Идеальное компьютерное
Размер
498,57 Kb
Список файлов
Тепловой расчет двухкорпусной выпарной установки непрерывного действия с равными поверхностями нагрева.docx

Если работа Вам была полезна, Пожалуйста, потратьте несколько секунд, чтобы оставить нам 5 ЗВЁЗД и положительный отзывы. Мы Вам глубоко признателены!