Для студентов КГТУ по предмету Процессы формообразования и инструментаПроектирование фасонного резца и державкиПроектирование фасонного резца и державки
5,0051
2023-02-242023-02-24СтудИзба
Курсовая работа: Проектирование фасонного резца и державки
Описание
Курсовая работа по дисциплине процессы формообразования и инструмент
Проектирование фасонного резца и державки
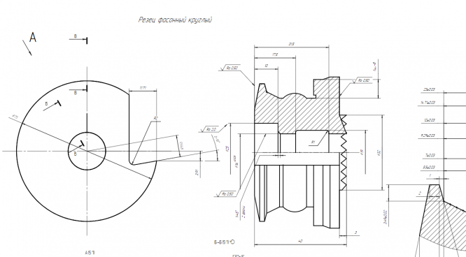
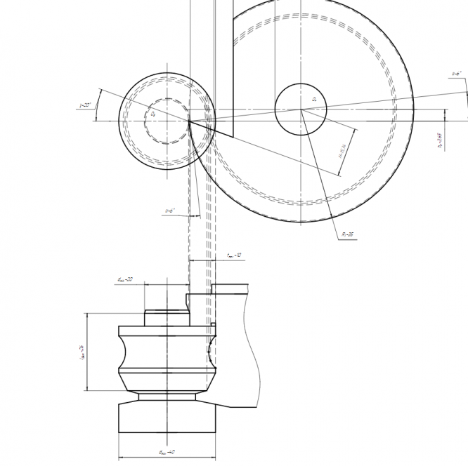
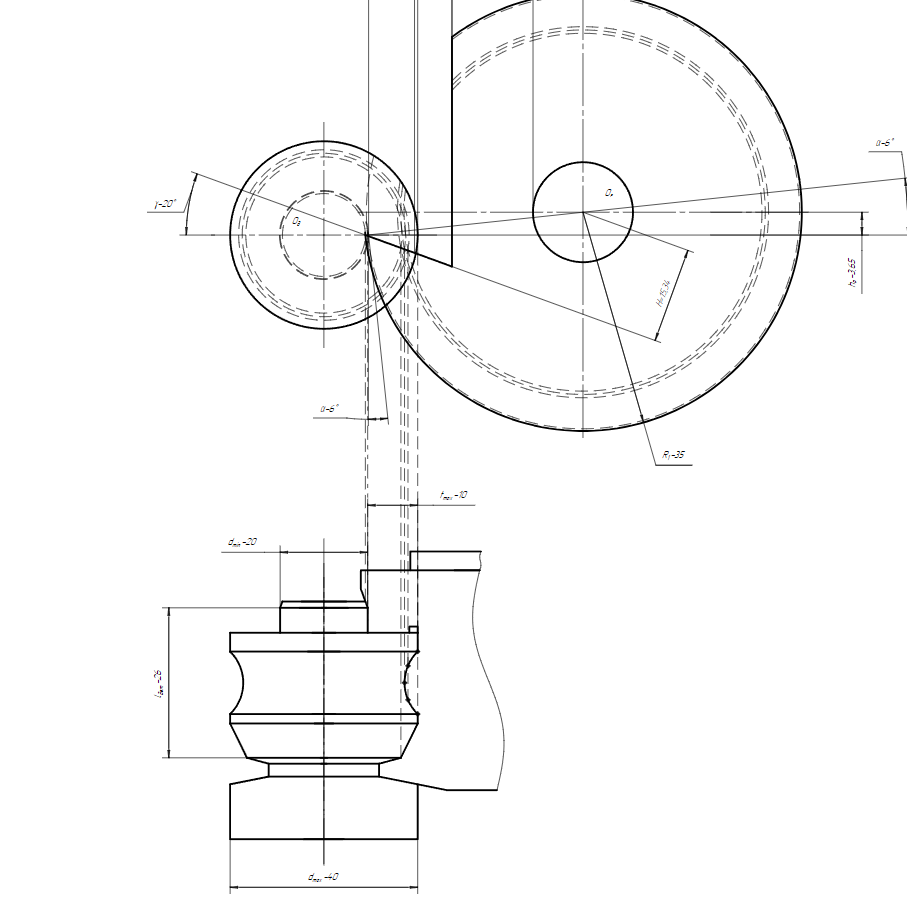
Фрагмент чертежа
Проектирование фасонного резца и державки



Характеристики курсовой работы
Учебное заведение
Семестр
Просмотров
18
Размер
2,11 Mb
Список файлов
A1-чертеж резца.pdf
спецификация.doc
Форм. обр. и реж. инстр.docx