Для студентов МГТУ им. Н.Э.Баумана по предмету Применение МКЭ к расчету инженерных задачРубежный контрольРубежный контроль
5,0052
2023-06-092023-06-09СтудИзба
Другое: Рубежный контроль вариант F.3
Описание
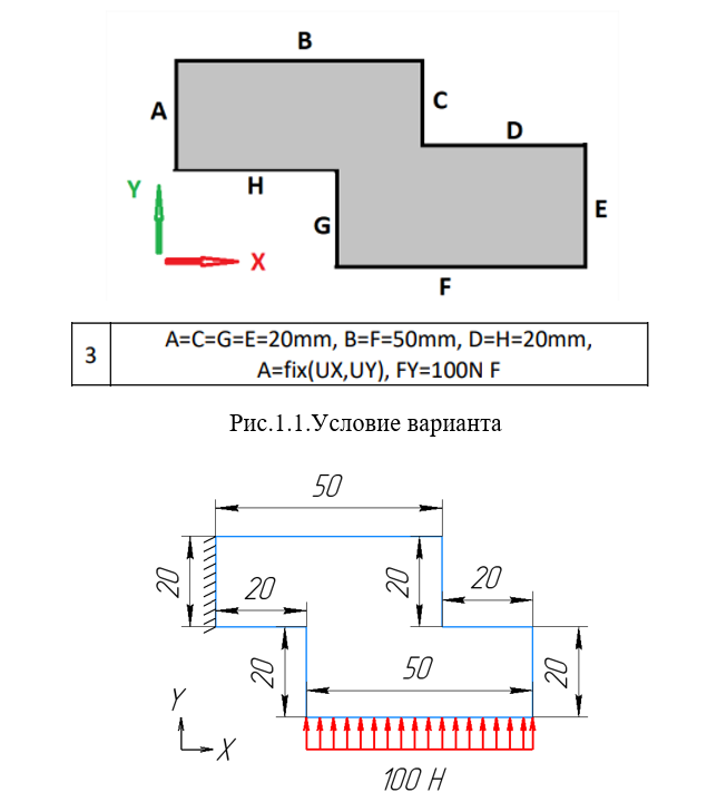
Вариант F.3
![]()

Характеристики учебной работы
Тип
Учебное заведение
Семестр
Вариант
Просмотров
35
Качество
Идеальное компьютерное
Размер
1,83 Mb
Список файлов
Untitled.m
fea_plain_mbb_2.m
lk.m
model.ans
save_apdl.m
РК_МКЭ.docx
Комментарии
Нет комментариев
Стань первым, кто что-нибудь напишет!
МГТУ им. Н.Э.Баумана



















