ДЗ 1: Статически неопределимая система растяжения-сжатия вариант 14
Описание
Домашнее задание по прикладной механике №1 на тему «Статически неопределимая система растяжения-сжатия», вариант 14 . Отчет в формате пдф и файл с кодом для Латеха.
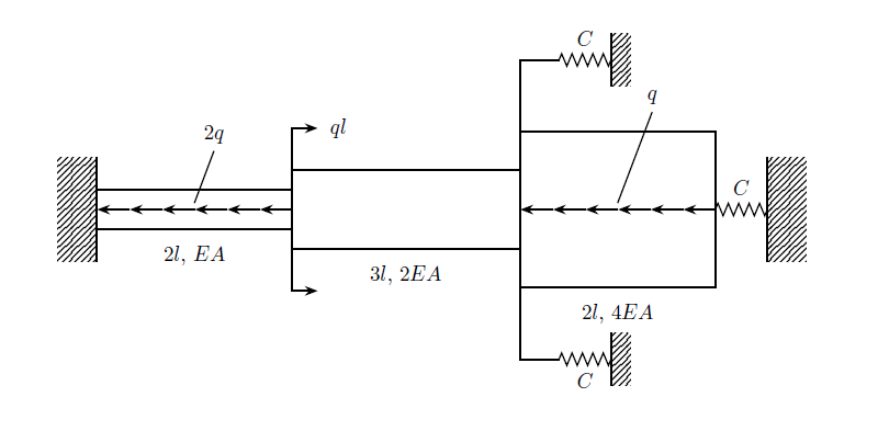
В условии дан горизонтальный стержень, состоящий из 3 элементов, с заделкой, 2 пружинами и распределенной и сосредоточенной нагрузкой. Необходимо с помощью системы уравнений равновесия определить узловые силы и перемещения и нарисовать эпюры.![]()
В условии дан горизонтальный стержень, состоящий из 3 элементов, с заделкой, 2 пружинами и распределенной и сосредоточенной нагрузкой. Необходимо с помощью системы уравнений равновесия определить узловые силы и перемещения и нарисовать эпюры.

Характеристики домашнего задания
Предмет
Учебное заведение
Семестр
Номер задания
Вариант
Просмотров
21
Размер
166,46 Kb
Список файлов
DZ1А.pdf
DZ1А.tex
Комментарии
Нет комментариев
Стань первым, кто что-нибудь напишет!
МГТУ им. Н.Э.Баумана

















