Для студентов МГТУ им. Н.Э.Баумана по предмету Прикладная механикаДомашнее задание 1Домашнее задание 1
5,005491
2024-10-072025-09-27СтудИзба
ДЗ 1: Домашнее задание 1 вариант 16
Описание
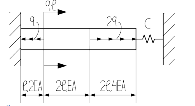
Полностью выполненное домашнее задание 1 по прикладной механике ![]()

Характеристики домашнего задания
Предмет
Учебное заведение
Семестр
Номер задания
Вариант
Программы
Теги
Просмотров
15
Качество
Идеальное компьютерное
Размер
291,78 Kb
Преподаватели
Список файлов
ДЗ 1.pdf
Если работа вам понравилась, то оставьте, пожалуйста, отзыв
Комментарии
Нет комментариев
Стань первым, кто что-нибудь напишет!
МГТУ им. Н.Э.Баумана
bruklyn.ben



















