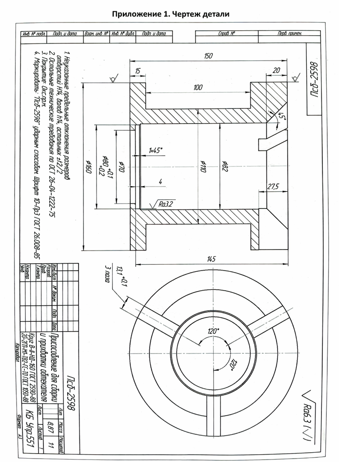
Отчёт по практике: ПАО Криогенмаш: Технологический процесс обработки детали Псб-2598 (приспособление для сборки и прихватки обтекателя)
Описание

Характеристики отчёта по практике
Предмет
Учебное заведение
Семестр
Просмотров
12
Размер
28,86 Mb
Список файлов
Обтекатель.pdf
Комментарии
Нет комментариев
Стань первым, кто что-нибудь напишет!
МГТУ им. Н.Э.Баумана
Hawky



















