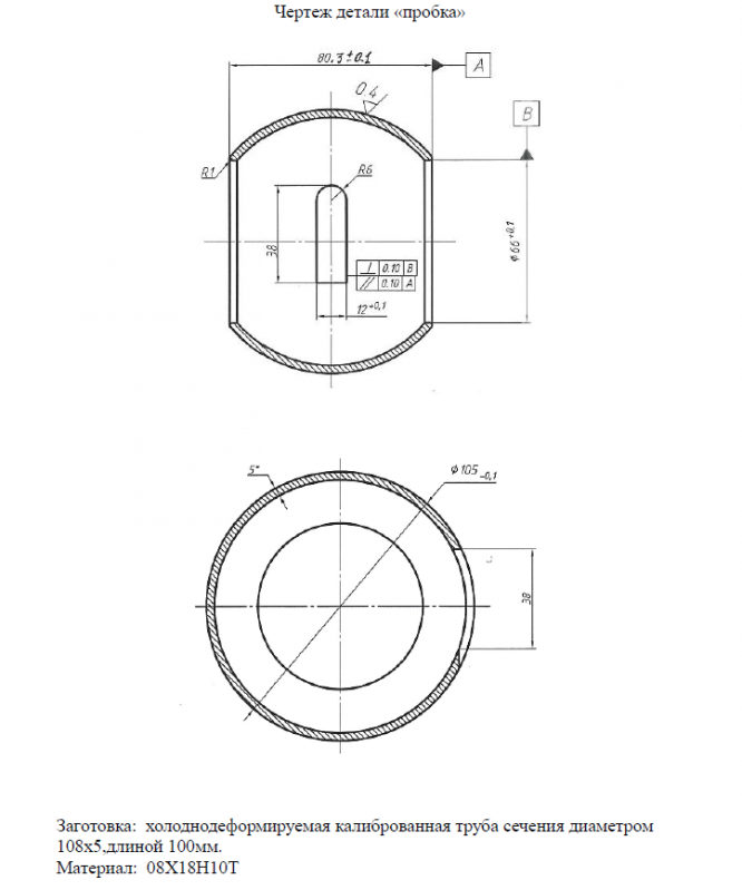
Для студентов МГТУ им. Н.Э.Баумана по предмету ПрактикаОтчет по производственной практике (АО "Выксунский металлургический завод" - Пробка)Отчет по производственной практике (АО "Выксунский металлургический завод" - Пробка)
4,8858659
2023-08-202023-08-20СтудИзба
Отчёт по практике: Отчет по производственной практике (АО "Выксунский металлургический завод" - Пробка)
Описание
Характеристики отчёта по практике
Предмет
Учебное заведение
Семестр
Просмотров
7
Размер
792,96 Kb
Список файлов
Отчет по производственной практике (АО ВМЗ) (22 стр.).pdf

НОВИНКА: отчеты по практикам! Поиск - по названию предприятия в тэге. База учебных материалов МГТУ им. Н.Э. Баумана в формате pdf, оригиналы файлов отсутствуют (если иное не оговорено в описании). Вопросы задавайте ДО покупки в комментариях под файлами.