Для студентов МГТУ им. Н.Э.Баумана по предмету ПрактикаОтчет по практике (АО ММЗ "Вымпел" - Шестерня ГОСТ 15У175 2501)Отчет по практике (АО ММЗ "Вымпел" - Шестерня ГОСТ 15У175 2501)
4,8858691
2023-08-132023-08-13СтудИзба
Отчёт по практике: Отчет по практике (АО ММЗ "Вымпел" - Шестерня ГОСТ 15У175 2501)
Описание

Индивидуальное задание
Исходные данные
Выдана отдельная делать для ее изучения и проработки имеющейся
заводской технологии:
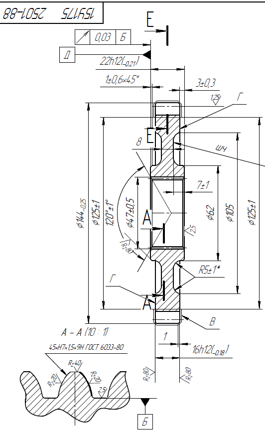
Шестерня ГОСТ 15У175 2501 88
Заготовка: прокат из круглого сортамента.
Материал детали: 20Х2Н4А ГОСТ 4543 71.
Подробный маршрут изготовления шестерни представлен в технологическом процессе механообработки.
Фрагмент чертежа "Шестерня":

Характеристики отчёта по практике
Предмет
Учебное заведение
Семестр
Теги
Просмотров
4
Размер
651,66 Kb
Список файлов
Отчет по практике (АО ММЗ Вымпел - Шестерня ГОСТ 15У175 2501)
Отчет по практике.pdf
Точение.pdf
Чертеж (2).pdf
Чертеж.pdf
Шестерня.pdf

НОВИНКА: отчеты по практикам! Поиск - по названию предприятия в тэге. База учебных материалов МГТУ им. Н.Э. Баумана в формате pdf, оригиналы файлов отсутствуют (если иное не оговорено в описании). Вопросы задавайте ДО покупки в комментариях под файлами.