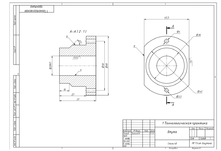
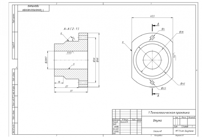
Для студентов МГТУ им. Н.Э.Баумана по предмету ПрактикаОтчет по первой технологической практике (АО "НПЦ газотурбостроения "Салют" - Втулка)Отчет по первой технологической практике (АО "НПЦ газотурбостроения "Салют" - Втулка)
5,0051
2023-08-202023-08-20СтудИзба
Отчёт по практике: Отчет по первой технологической практике (АО "НПЦ газотурбостроения "Салют" - Втулка)
Описание
Файлы условия, демо
Характеристики отчёта по практике
Предмет
Учебное заведение
Семестр
Просмотров
16
Размер
1,99 Mb
Список файлов
Отчет по первой технологической практике (АО НПЦ газотурбостроения Салют).pdf

НОВИНКА: отчеты по практикам! Поиск - по названию предприятия в тэге. База учебных материалов МГТУ им. Н.Э. Баумана в формате pdf, оригиналы файлов отсутствуют (если иное не оговорено в описании). Вопросы задавайте ДО покупки в комментариях под файлами.