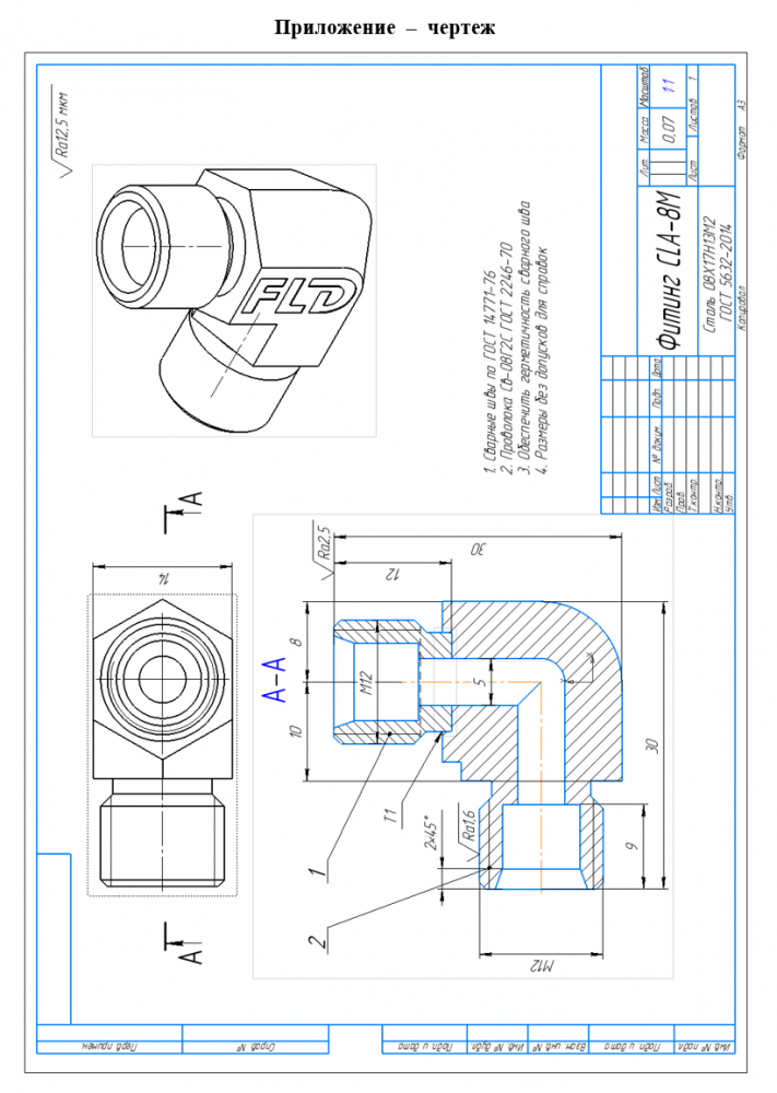
Для студентов МГТУ им. Н.Э.Баумана по предмету ПрактикаООО ЦВТ: Технологический процесс обработки детали Фитинг CLA-8MООО ЦВТ: Технологический процесс обработки детали Фитинг CLA-8M
5,0051
2025-09-032025-09-04СтудИзба
Отчёт по практике: ООО ЦВТ: Технологический процесс обработки детали Фитинг CLA-8M
Описание


Характеристики отчёта по практике
Предмет
Учебное заведение
Семестр
Просмотров
11
Размер
3,06 Mb
Список файлов
Фитинг CLA-8M
Модель.stp
Операции.cdw
Отчет.docx
Отчет.pdf
Чертеж.cdw