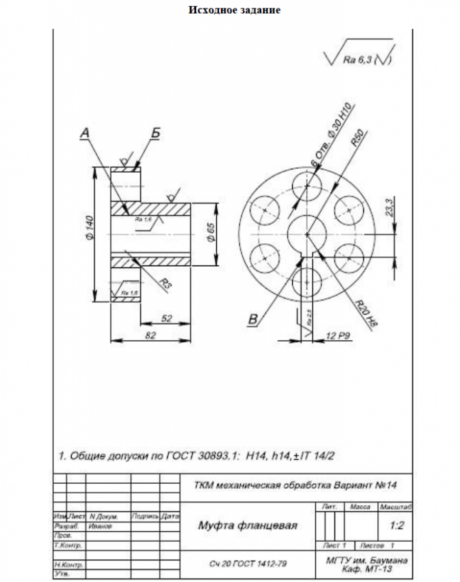
Для студентов МГТУ им. Н.Э.Баумана по предмету ПрактикаОтчет по производственной практике (ОАО ЦНИИ "Дельфин" - Муфта фланцевая)Отчет по производственной практике (ОАО ЦНИИ "Дельфин" - Муфта фланцевая)
5,0051
2023-08-172023-08-17СтудИзба
Отчёт по практике: Отчет по производственной практике (ОАО ЦНИИ "Дельфин" - Муфта фланцевая)
Описание
Характеристики отчёта по практике
Предмет
Учебное заведение
Семестр
Теги
Просмотров
15
Размер
497,13 Kb
Список файлов
Отчет по производственной практике (ОАО ЦНИИ Дельфин - Муфта фланцевая).pdf

НОВИНКА: отчеты по практикам! Поиск - по названию предприятия в тэге. База учебных материалов МГТУ им. Н.Э. Баумана в формате pdf, оригиналы файлов отсутствуют (если иное не оговорено в описании). Вопросы задавайте ДО покупки в комментариях под файлами.