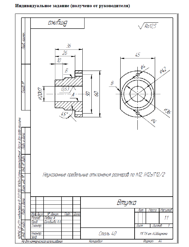
Для студентов МГТУ им. Н.Э.Баумана по предмету ПрактикаОтчет по технологической практике (ФГУП "НПЦ газотурбиностроения "Салют" - Техпроцесс обработки детали "Втулка")Отчет по технологической практике (ФГУП "НПЦ газотурбиностроения "Салют" - Техпроцесс обработки детали "Втулка")
4,8858664
2023-08-162023-08-16СтудИзба
Отчёт по практике: Отчет по технологической практике (ФГУП "НПЦ газотурбиностроения "Салют" - Техпроцесс обработки детали "Втулка")
Описание


Характеристики отчёта по практике
Предмет
Учебное заведение
Семестр
Просмотров
5
Размер
11,44 Mb
Список файлов
Отчет по технологической практике (ФГУП НПЦ газотурбиностроения Салют - Техпроцесс обработки детали Втулка).pdf

НОВИНКА: отчеты по практикам! Поиск - по названию предприятия в тэге. База учебных материалов МГТУ им. Н.Э. Баумана в формате pdf, оригиналы файлов отсутствуют (если иное не оговорено в описании). Вопросы задавайте ДО покупки в комментариях под файлами.