Для студентов МГТУ им. Н.Э.Баумана по предмету ПрактикаФланецФланец
5,0055
2020-08-05СтудИзба

Отчёт по практике 2505-9: Фланец

Описание

Оглавление

Введение………………………………………………………………………..............3
Определение типа производства…………………………………………………..….5
Краткая характеристика существующего на базовом предприятии
уровня технологии……………………………………………….………………….…6
Анализ конструкции изделия и детали на технологичность..…….…….………......8
Анализ технологических требований на деталь…………..………..……………......9
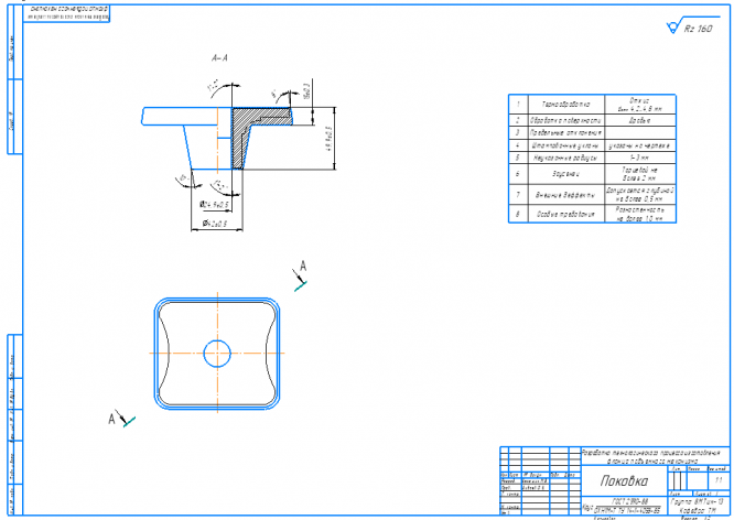
Обоснование метода изготовления заготовки………………………..…….....……11
Выбор технологических баз……………………………………..……..………..…...16
Разработка технологического маршрута обработки…………….……………..…..19
Обоснование выбранной в маршруте последовательности операций……….…..21
Расчет операционных припусков………………………………….…….…………23
Расчет режимов резания………………………………………………….………..…30
Резцы с СПМ ……………………………………………………………………..…..33
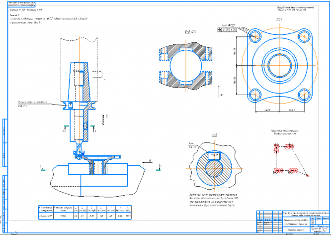
Расчёт и проектирование станочного приспособления……………………….…34
Расчёт и проектирование специального средства технологического контроля………………………………………………………………………….….43
Заключение……………………………………………………………...…………..45
Список литературы………………………………………………………………....46

Введение

Современное машиностроение развивается в условиях жесткой конкуренции, и развитие его идет в направлениях: существенное повышение качества продукции; сокращение времени обработки на новых станках за счет технических усовершенствований; повышение интеллектуальной оснащенности машиностроительной отрасли. Каждые 10 лет развития науки и техники характеризуются усложнением технических объектов в 2—3 раза. Учитывая, что период освоения новых технологических процессов в промышлен­ности составляет значительный период (5 и более лет) и эффективность процессов обработки растет также медленно, главным резервом повышения экономических показателей машинострои­тельного производства остается повышение степени непрерывности рабочего процесса, в первую очередь, за счет сокращения Tвсп. и Tп.-з времени. Эта задача в машиностроении решается главным образом путем автоматизации производственного процесса и совершенство­ванием управления производственным процессом.
Современная стратегия развития машиностроительного производства в мире предлагает создание принципиально новых материалов, существенное повышение уровня автоматизации производственного процесса и управления с целью обеспечения выпуска продукции требуемого качества в заданный срок при минимальных затратах.
Для достижений целей социально-экономического развития производственных систем необходим комплекс мероприятий в каждом из направлений: совершенствование принципов организации и методов планирования производства; внедрение новых и совершенствование существующих технологических процессов; повышение уровня автоматизации проектирования и изготовления.
С этой целью был детально разработан технологический процесс изготовления фланца редуктора раздаточного подъемного механизма с использованием технологического процесса аналога изготовления фланца базового предприятия.
Основными задачами разработки нового техпроцесса являются:
  • Замена устаревших процессов обработки на более совершенные и более производительные процессы.
  • Замена устаревшего оборудования на более современное, более точное и более производительное оборудование.
  • Замена метода получения заготовки, используемого на базовом предприятии, на более производительный и более экономичный с точки зрения последующей механической обработки.
Даже такая малая часть изменений может существенно изменить технологический процесс производства. Реализация этих предложений на практике повлечет дополнительных капитальных вложений в производство. Но за счет этих изменений повыситься производительность труда, сократиться время простоев, уменьшится потребность в рабочих, повыситься качество продукции. Всё это в итоге должно окупить дополнительные капитальные вложения в производство и в последующем принести прибыль.
В конечном итоге решение выхода на мировой рынок лежит во внедрении новых технологий в устаревшее производство.

Технологическая карта

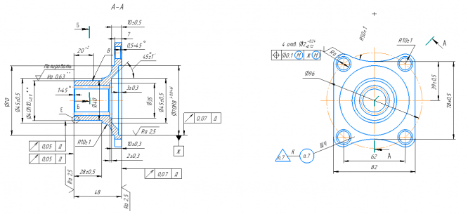
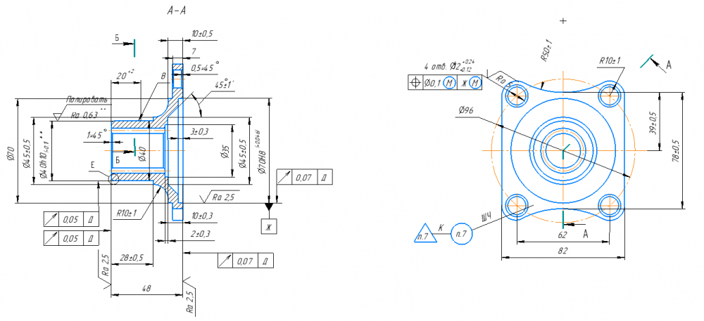
Чертежи

Поковка

Приспособление для контроля радиального и торцевого биений

Технологияческая накладка на токарную операцию Технологическая накладка на фрезерную операцию

Характеристики отчёта по практике

Предмет
Учебное заведение
Семестр
Номер задания
Просмотров
2474
Качество
Идеальное компьютерное
Размер
1,12 Mb

Список файлов

2505-9 - Фланец
РПЗ
К Расчету рабочего приспособления
33F4E~1.JPG
34F2F~1.FRW
Для расчета рабочего присп. Приспособление.frw
Для расчета рабочего присп. Приспособление.jpg
Рис. 1 Эскиз обработки детали.frw
Рис. 1 Эскиз обработки детали.jpg
Рис. 2 Схема базирования.frw
Рис. 2 Схема базирования.jpg
К Технологическому маршруту обработки
К операции 010.frw
К операции 010.jpg
К операции 015.frw
К операции 015.jpg
К операции 020.frw
К операции 020.jpg
К операции 025.frw
К операции 025.jpg
К операции 030.frw
К операции 030.jpg
К операциям 035, 045.frw
К операциям 035, 045.jpg
РПЗ (1).doc
РПЗ (2).doc
РПЗ (3).doc
РПЗ (4).doc
РПЗ (5).doc
Чертежи
Обратите внимание, что данная работа уже сдавалась в МГТУ им. Н.Э.Баумана, а также её могли покупать другие студенты, поэтому её уникальность может быть нулевой. Для получения уникальной работы воспользуйтесь услугами.
Картинка-подпись
Если вам всё понравилось, поставьте оценку и напишите пару слов о работе - так вы поможете другим покупателям. В благодарность мы вернём вам 40 рублей на счёт.❤️

Комментарии

Нет комментариев
Стань первым, кто что-нибудь напишет!
Поделитесь ссылкой:
Цена: 499 руб.
Расширенная гарантия +3 недели гарантии, +10% цены
Рейтинг покупателей
5 из 5
Поделитесь ссылкой:
Сопутствующие материалы

Подобрали для Вас услуги

Вы можете использовать отчёт для примера, а также можете ссылаться на неё в своей работе. Авторство принадлежит автору работы, поэтому запрещено копировать текст из этой работы для любой публикации, в том числе в свой отчёт в учебном заведении, без правильно оформленной ссылки. Читайте как правильно публиковать ссылки в своей работе.
Свежие статьи
Популярно сейчас
Почему делать на заказ в разы дороже, чем купить готовую учебную работу на СтудИзбе? Наши учебные работы продаются каждый год, тогда как большинство заказов выполняются с нуля. Найдите подходящий учебный материал на СтудИзбе!
Ответы на популярные вопросы
Да! Наши авторы собирают и выкладывают те работы, которые сдаются в Вашем учебном заведении ежегодно и уже проверены преподавателями.
Да! У нас любой человек может выложить любую учебную работу и зарабатывать на её продажах! Но каждый учебный материал публикуется только после тщательной проверки администрацией.
Вернём деньги! А если быть более точными, то автору даётся немного времени на исправление, а если не исправит или выйдет время, то вернём деньги в полном объёме!
Да! На равне с готовыми студенческими работами у нас продаются услуги. Цены на услуги видны сразу, то есть Вам нужно только указать параметры и сразу можно оплачивать.
Отзывы студентов
Ставлю 10/10
Все нравится, очень удобный сайт, помогает в учебе. Кроме этого, можно заработать самому, выставляя готовые учебные материалы на продажу здесь. Рейтинги и отзывы на преподавателей очень помогают сориентироваться в начале нового семестра. Спасибо за такую функцию. Ставлю максимальную оценку.
Лучшая платформа для успешной сдачи сессии
Познакомился со СтудИзбой благодаря своему другу, очень нравится интерфейс, количество доступных файлов, цена, в общем, все прекрасно. Даже сам продаю какие-то свои работы.
Студизба ван лав ❤
Очень офигенный сайт для студентов. Много полезных учебных материалов. Пользуюсь студизбой с октября 2021 года. Серьёзных нареканий нет. Хотелось бы, что бы ввели подписочную модель и сделали материалы дешевле 300 рублей в рамках подписки бесплатными.
Отличный сайт
Лично меня всё устраивает - и покупка, и продажа; и цены, и возможность предпросмотра куска файла, и обилие бесплатных файлов (в подборках по авторам, читай, ВУЗам и факультетам). Есть определённые баги, но всё решаемо, да и администраторы реагируют в течение суток.
Маленький отзыв о большом помощнике!
Студизба спасает в те моменты, когда сроки горят, а работ накопилось достаточно. Довольно удобный сайт с простой навигацией и огромным количеством материалов.
Студ. Изба как крупнейший сборник работ для студентов
Тут дофига бывает всего полезного. Печально, что бывают предметы по которым даже одного бесплатного решения нет, но это скорее вопрос к студентам. В остальном всё здорово.
Спасательный островок
Если уже не успеваешь разобраться или застрял на каком-то задание поможет тебе быстро и недорого решить твою проблему.
Всё и так отлично
Всё очень удобно. Особенно круто, что есть система бонусов и можно выводить остатки денег. Очень много качественных бесплатных файлов.
Отзыв о системе "Студизба"
Отличная платформа для распространения работ, востребованных студентами. Хорошо налаженная и качественная работа сайта, огромная база заданий и аудитория.
Отличный помощник
Отличный сайт с кучей полезных файлов, позволяющий найти много методичек / учебников / отзывов о вузах и преподователях.
Отлично помогает студентам в любой момент для решения трудных и незамедлительных задач
Хотелось бы больше конкретной информации о преподавателях. А так в принципе хороший сайт, всегда им пользуюсь и ни разу не было желания прекратить. Хороший сайт для помощи студентам, удобный и приятный интерфейс. Из недостатков можно выделить только отсутствия небольшого количества файлов.
Спасибо за шикарный сайт
Великолепный сайт на котором студент за не большие деньги может найти помощь с дз, проектами курсовыми, лабораторными, а также узнать отзывы на преподавателей и бесплатно скачать пособия.
Популярные преподаватели
Добавляйте материалы
и зарабатывайте!
Продажи идут автоматически
6921
Авторов
на СтудИзбе
266
Средний доход
с одного платного файла
Обучение Подробнее
{user_main_secret_data}