Для студентов МГТУ им. Н.Э.Баумана по предмету Контроль и испытания в технологических комплексах (МТ-3)Испытательный стенд для редуктора конически-цилиндрическогоИспытательный стенд для редуктора конически-цилиндрического
5,0053
2021-06-212021-06-21СтудИзба
Курсовая работа: Испытательный стенд для редуктора конически-цилиндрического
Бестселлер
Описание
Характеристики курсовой работы
Учебное заведение
Просмотров
203
Размер
4,42 Mb
Список файлов
ДОМАШНЕЕ_ЗАДАНИЕ
ДОМАШНЕЕ_ЗАДАНИЕ_1
ТЗ_ИВАНОВ.docx
ТЗ_ИВАНОВ.pdf
ДОМАШНЕЕ_ЗАДАНИЕ_2
ОК_ИВАНОВ.docx
ОК_ИВАНОВ.pdf
ПМ_ИВАНОВ.docx
ПМ_ИВАНОВ.pdf
Спецификация_Иванов.docx
Спецификация_Иванов.pdf
ДОМАШНЕЕ_ЗАДАНИЕ_3
АЛЬБОМ_РИСУНКОВ_ИВАНОВ.docx
ИСПЫТАТЕЛЬНЫЙ_СТЕНД_ИВАНОВ.cdw
ИСПЫТАТЕЛЬНЫЙ_СТЕНД_ИВАНОВ.pdf
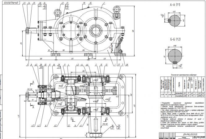
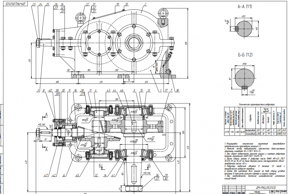
ЧЕРТЕЖ_РЕДУКТОРА_ИВАНОВ.cdw
ЧЕРТЕЖ_РЕДУКТОРА_ИВАНОВ.jpg
ЧЕРТЕЖ_РЕДУКТОРА_ИВАНОВ.pdf
Комментарии
Нет комментариев
Стань первым, кто что-нибудь напишет!
МГТУ им. Н.Э.Баумана

















