Для студентов МГТУ им. Н.Э.Баумана по предмету Поршневые компрессорыРазработка W-образного поршневого компрессораРазработка W-образного поршневого компрессора
5,0052
2024-04-022024-10-01СтудИзба
Курсовая работа: Разработка W-образного поршневого компрессора
Описание
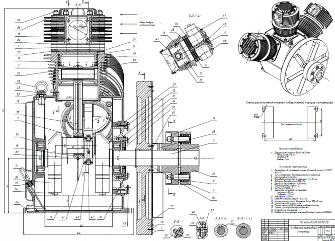
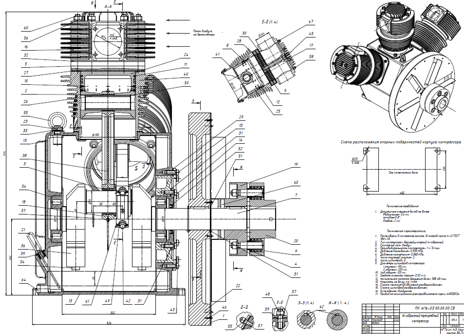
Воздушный W-образный бескрейцкопфный поршневой, с воздушным охлаждением W16-0,3
Состав: 5 листов чертежи (продольный и поперtчный разрезы, поршень первой ступени, динамический расчет, крышка привертная(pdf) + спецификация + РПЗ + Расчеты MathCAD
![]()
Состав: 5 листов чертежи (продольный и поперtчный разрезы, поршень первой ступени, динамический расчет, крышка привертная(pdf) + спецификация + РПЗ + Расчеты MathCAD





Характеристики курсовой работы
Предмет
Учебное заведение
Семестр
Программы
Теги
Просмотров
47
Размер
6,5 Mb
Список файлов
Динамика.frw
Компрессор поперечный разрез.frw
Компрессор.frw
Поршень первой ступени.frw
Продольный разрез компрессора.frw
Спецификация.xls
маткад.xmcd
рпз.docx

Спасибо за покупку! Я буду очень рад, если поставишь справедливую оценку купленному файлу