Для студентов ИГЭУ им. Ленина по предмету Переходные процессыМоделирование на ЭВМ режима несимметричного короткого замыкания по комплексной схеме замещения электроэнергетической системыМоделирование на ЭВМ режима несимметричного короткого замыкания по комплексной схеме замещения электроэнергетической системы
5,00575
2025-03-132025-05-24СтудИзба
Моделирование на ЭВМ режима несимметричного короткого замыкания по комплексной схеме замещения электроэнергетической системы
Описание
- Цель работы:
2) Экспериментальное исследование влияния электрических нагрузок на величину тока КЗ в ЭЭС.
3) Экспериментальное выявление характера распределения остаточных напряжений в схемах отдельных последовательностей при КЗ.
4) Экспериментальное исследование влияния режима работы нейтралей трансформаторов на ток и остаточные напряжения в точке несимметричного КЗ.
5) Теоретическое объяснение экспериментально установленных зависимостей.
6) Приобретение навыков работы с программой RRSwin, полезной для решения с её помощью и других задач.
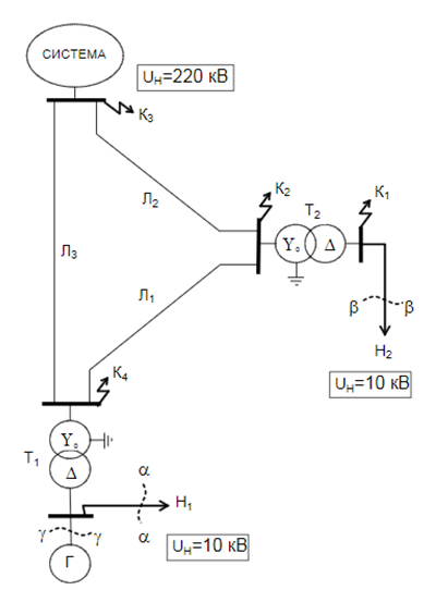
- Пункт 1. Моделирование режима трехфазного КЗ.

- Пункт 2. Моделирование режима несимметричного КЗ
- Вывод
Характеристики лабораторной работы
Предмет
Учебное заведение
Семестр
Номер задания
Вариант
Программы
Теги
Просмотров
15
Качество
Идеальное компьютерное
Размер
717,82 Kb
Преподаватели
Список файлов
ЛАБА ПЕРЕХОДА 2.docx

🎓Помощь студентам Ивановских ВУЗов🎓 ❤️ Каждая приобретенная работа служит стимулом для добавления новых материалов и упрощает учебный процесс.