Для студентов по предмету Переходные процессыРасчет действующего значения тока КЗ в начальный момент времениРасчет действующего значения тока КЗ в начальный момент времени
5,0053309
2022-11-062022-11-06СтудИзба
ДЗ: Расчет действующего значения тока КЗ в начальный момент времени
Описание
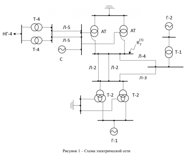
Для симметричной системы, схема которой показана на рисунке 1, определить начальный ток при трехфазном коротком замыкании в точке
Параллельно соединенные трансформаторы Т4; Т2; АТ представляем в виде одного элемента. Для этого удваиваем их мощности.
Расчет в именованных и относительных единицах


Расчет в именованных и относительных единицах
Характеристики домашнего задания
Предмет
Просмотров
1
Размер
2,81 Mb
Список файлов
raschet_toka_KZ_Primer_2_11554572.pdf

Если нужен другой вариант работы или отдельная задача из любой работы, пишите в комментарии