Для студентов ИрНИТУ по предмету Переходные процессыОпределение и анализ величин токов коротких замыканий на шинах ПС 220/110/10кВОпределение и анализ величин токов коротких замыканий на шинах ПС 220/110/10кВ
5,0052
2025-03-152025-03-15СтудИзба
Курсовая работа: Определение и анализ величин токов коротких замыканий на шинах ПС 220/110/10кВ
Описание
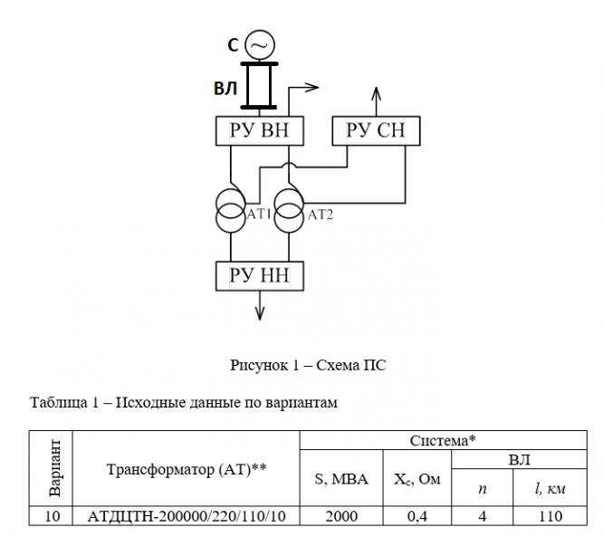
Исходные данные:
В соответствии с заданной схемой и исходными данными своего варианта выполнить:
СОДЕРЖАНИЕ
ИСХОДНЫЕ ДАННЫЕ К ЗАДАНИЮ... 5
1. РАСЧЕТ НАЧАЛЬНОГО ЗНАЧЕНИЯ ПЕРИОДИЧЕСКОЙ СОСТАВЛЯЮЩЕЙ ТОКА КОРОТКОГО ЗАМЫКАНИЯ.. 6
2. РАСЧЕТ УДАРНОГО ТОКА, ПЕРИОДИЧЕСКОЙ И АПЕРИОДИЧЕСКОЙ СОСТАВЛЯЮЩИХ ТОКА КОРОТКОГО ЗАМЫКАНИЯ. 16
3. РАСЧЕТ ЗНАЧЕНИЯ СИММЕТРИЧНЫХ СОСТАВЛЯЮЩИХ И ТОКА НЕСИММЕТРИЧНЫХ КОРОТКИХ ЗАМЫКАНИЙ.. 21
СПИСОК ИСПОЛЬЗОВАННЫХ ИСТОЧНИКОВ. 41
Таблица 2 – Технические данные внешней системы
Таблица 3 –Технические данные воздушных линий
Таблица 4 – Технические данные автотрансформатора
В соответствии с заданной схемой и исходными данными своего варианта выполнить:
- Рассчитать начальное значение периодической составляющей тока к.з. (IП0) на шинах высокого, среднего и низкого напряжения. (Расчет произвести двумя методами - в именованных и в относительных единицах, осуществлять точный учет коэффициентов трансформации)
- Рассчитать ударный ток, значения составляющих полного тока (периодической и апериодической)iуд, IПτ,iατ,в точке к.з. к моменту его снятия (tоткл).
- Для всех уровней напряжения ПС (UВ, UС, UН) рассчитать значения симметричных составляющих и токов несимметричных коротких замыканий – К(1), К(1,1), К(2) . Результаты расчета свести в таблицу 2 (для каждого напряжения).
- На основании полученных результатов (таб. 2) построить векторные диаграммы токов и напряжений всех несимметричных КЗ на шинах высокого напряжения UВ ПС (масштаб выбрать и провести построение в о.е.).
- Построить векторные диаграммы при переходе параметров КЗ с высокой стороны трансформатора на низкую с 11 группой соединения обмоток.
СОДЕРЖАНИЕ
ИСХОДНЫЕ ДАННЫЕ К ЗАДАНИЮ... 5
1. РАСЧЕТ НАЧАЛЬНОГО ЗНАЧЕНИЯ ПЕРИОДИЧЕСКОЙ СОСТАВЛЯЮЩЕЙ ТОКА КОРОТКОГО ЗАМЫКАНИЯ.. 6
2. РАСЧЕТ УДАРНОГО ТОКА, ПЕРИОДИЧЕСКОЙ И АПЕРИОДИЧЕСКОЙ СОСТАВЛЯЮЩИХ ТОКА КОРОТКОГО ЗАМЫКАНИЯ. 16
3. РАСЧЕТ ЗНАЧЕНИЯ СИММЕТРИЧНЫХ СОСТАВЛЯЮЩИХ И ТОКА НЕСИММЕТРИЧНЫХ КОРОТКИХ ЗАМЫКАНИЙ.. 21
СПИСОК ИСПОЛЬЗОВАННЫХ ИСТОЧНИКОВ. 41

Таблица 2 – Технические данные внешней системы
S, МВА | Xс, Ом | Uср.ном,кВ |
2000 | 0,4 | 230 |
Таблица 3 –Технические данные воздушных линий
Число ВЛ | Длина L, км | Uном,кВ |
4 | 110 | 220 |
Таблица 4 – Технические данные автотрансформатора
Тип | Sном, МВА | Напряжение обмотки, кВ | ΔPх, кВт | ΔPКЗ, кВт | uк, % | Iх,% | ||||
ВН | СН | НН | ВН-СН | ВН-НН | СН-НН | |||||
АТДЦТН-200000/220/110/ 10 | 200 | 230 | 121 | 10,5 | 105 | 430 | 11 | 32 | 20 | 0,45 |
Характеристики курсовой работы
Предмет
Учебное заведение
Просмотров
9
Качество
Идеальное компьютерное
Размер
2,48 Mb
Список файлов
perehodnye-processy-kontrolnaya-rabota-teterin-as_epbz-20-1.doc

Если нужен другой вариант работы или отдельная задача из любой работы, пишите в комментарии