Главная » Учебные материалы » Основы теории цепей (ОТЦ) » Курсовые работы » НГТУ » 4 семестр » Вариант 15 » Вариант 15 - Группа 3.5 - КП - Анализ гармонического процесса в отрезке радиочастотного кабеля
Для студентов НГТУ по предмету Основы теории цепей (ОТЦ)Вариант 15 - Группа 3.5 - КП - Анализ гармонического процесса в отрезке радиочастотного кабеляВариант 15 - Группа 3.5 - КП - Анализ гармонического процесса в отрезке радиочастотного кабеля
4,96531666
2021-08-22СтудИзба

Курсовая работа: Вариант 15 - Группа 3.5 - КП - Анализ гармонического процесса в отрезке радиочастотного кабеля вариант 15

Описание

Пояснительная записка к курсовой работе по курсу: Основы теории цепей

на тему: Анализ гармонического процесса в отрезке радиочастотного кабеля

Содержание

  1. Задание на курсовую работу
  2. Исходные данные
  3. Основная часть работы
  4. Выбор марки радиочастотного кабеля
  5. Моделирование генератора, нагрузки и отрезка радиочастотного кабеля
  6. Расчет распределения действующих значений (огибающих) напряжений и тока вдоль отрезка линии без потерь
  7. Расчет распределения вещественной и мнимой частей сопротивлений или проводимостей
  8. Расчет распределения активной и реактивной мощностей вдоль отрезка кабеля
  9. Определение значений параметров элементов согласующего устройства
  10. Определение значений параметров согласующего устройства по диаграмме полных сопротивлений
  11. Расчет распределений действующих значений напряжения и тока при согласовании
  12. Расчет распределения вещественной и мнимой составляющих проводимости
  13. Определение значений активной мощности в начале и в конце отрезка линии в согласованном режиме
  14. Заключение
  15. Список использованной литературы
  16. Приложение 1

Задание на курсовую работу

Высокочастотный генератор мощностью РГ с внутренним сопротивлением RГ, работающий на частоте ƒГ, связан с приемником энергии отрезком радиочастотного кабеля длиной l. Приемник энергии представлен пассивным двухполюсником сопротивлением Z2=Rн+jXн. В соответствии с вариантом задания, требуется:
  1. Выбрать марку радиочастотного кабеля, исходя из заданных значений параметров генератора. Критерий выбора – минимальная величина номинальной массы 1 км кабеля. Привести эскиз конструкции выбранного кабеля с указанием размеров его элементов, а также параметры и частотные характеристики.
  2. Подобрать модели генератора, отрезка кабеля и приемника энергии (нагрузка кабеля) и определить значения их параметров.
  3. Рассчитать распределения действующих значений или огибающих напряжения и тока вдоль нагруженного отрезка кабеля и построить графики на интервале [0,l].
  4. Рассчитать распределения составляющих комплексного сопротивления или проводимости (в зависимости от способа последующего согласования) вдоль нагруженного отрезка кабеля и построить их графики на интервале [0,l].
  5. Рассчитать распределения активной и реактивной мощности вдоль отрезка кабеля на интервале [0,l] и построить их графики. Сравнить значения активной мощности, отдаваемой генератором, и активной мощности, потребляемой нагрузкой кабеля. Сопоставьте их со значением мощности генератора Pг.
  6. Рассчитать значения параметров элементов согласующего устройства.
  7. Найти значения параметров элементов согласующего устройства по диаграмме полных сопротивлений (проводимостей) и описать порядок их определения с соответствующими графическими построениями.
  8. Рассчитать распределения действующих значений напряжения и тока вдоль согласованного участка отрезка кабеля и элементов согласующего устройства и построить их графики.
  9. Рассчитать распределения вещественной и мнимой составляющих сопротивления (проводимости) вдоль согласованного участка отрезка кабеля и элементов согласующего устройства и построить графики.
  10. Рассчитать распределения активной и реактивной мощностей вдоль согласованного участка отрезка кабеля и элементов согласующего устройства и построить их графики. Сравнить значения активной мощности, отдаваемой генератором, и активной мощности, потребляемой нагрузкой кабеля. Сопоставить их со значением мощности генератора Pг.

Исходные данные

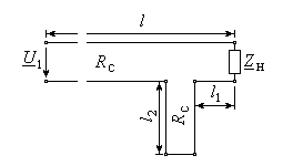
Рис.РгRгfгl/lZн
ВтОмМГцотн. ед.Ом
610501500/3,51.145-j45

Схема согласующего устройства

Согласование последовательным короткозамкнутым шлейфом

Характеристики курсовой работы

Учебное заведение
Семестр
Вариант
Просмотров
5
Качество
Идеальное компьютерное
Размер
2,49 Mb

Список файлов

Вариант 15 - Группа 3
Вариант 15 - Группа 3.5 - КП - Анализ гармонического процесса в отрезке радиочастотного кабеля.doc
Картинка-подпись
Если вам всё понравилось, поставьте оценку и напишите пару слов о работе - так вы поможете другим покупателям. В благодарность мы вернём вам 40 рублей на счёт.❤️

Комментарии

Нет комментариев
Стань первым, кто что-нибудь напишет!
Поделитесь ссылкой:
Цена: 590 руб.
Расширенная гарантия +3 недели гарантии, +10% цены
Рейтинг автора
4,96 из 5
Поделитесь ссылкой:
Сопутствующие материалы

Подобрали для Вас услуги

-17%
Вы можете использовать курсовую работу для примера, а также можете ссылаться на неё в своей работе. Авторство принадлежит автору работы, поэтому запрещено копировать текст из этой работы для любой публикации, в том числе в свою курсовую работу в учебном заведении, без правильно оформленной ссылки. Читайте как правильно публиковать ссылки в своей работе.
Свежие статьи
Популярно сейчас
Как Вы думаете, сколько людей до Вас делали точно такое же задание? 99% студентов выполняют точно такие же задания, как и их предшественники год назад. Найдите нужный учебный материал на СтудИзбе!
Ответы на популярные вопросы
Да! Наши авторы собирают и выкладывают те работы, которые сдаются в Вашем учебном заведении ежегодно и уже проверены преподавателями.
Да! У нас любой человек может выложить любую учебную работу и зарабатывать на её продажах! Но каждый учебный материал публикуется только после тщательной проверки администрацией.
Вернём деньги! А если быть более точными, то автору даётся немного времени на исправление, а если не исправит или выйдет время, то вернём деньги в полном объёме!
Да! На равне с готовыми студенческими работами у нас продаются услуги. Цены на услуги видны сразу, то есть Вам нужно только указать параметры и сразу можно оплачивать.
Отзывы студентов
Ставлю 10/10
Все нравится, очень удобный сайт, помогает в учебе. Кроме этого, можно заработать самому, выставляя готовые учебные материалы на продажу здесь. Рейтинги и отзывы на преподавателей очень помогают сориентироваться в начале нового семестра. Спасибо за такую функцию. Ставлю максимальную оценку.
Лучшая платформа для успешной сдачи сессии
Познакомился со СтудИзбой благодаря своему другу, очень нравится интерфейс, количество доступных файлов, цена, в общем, все прекрасно. Даже сам продаю какие-то свои работы.
Студизба ван лав ❤
Очень офигенный сайт для студентов. Много полезных учебных материалов. Пользуюсь студизбой с октября 2021 года. Серьёзных нареканий нет. Хотелось бы, что бы ввели подписочную модель и сделали материалы дешевле 300 рублей в рамках подписки бесплатными.
Отличный сайт
Лично меня всё устраивает - и покупка, и продажа; и цены, и возможность предпросмотра куска файла, и обилие бесплатных файлов (в подборках по авторам, читай, ВУЗам и факультетам). Есть определённые баги, но всё решаемо, да и администраторы реагируют в течение суток.
Маленький отзыв о большом помощнике!
Студизба спасает в те моменты, когда сроки горят, а работ накопилось достаточно. Довольно удобный сайт с простой навигацией и огромным количеством материалов.
Студ. Изба как крупнейший сборник работ для студентов
Тут дофига бывает всего полезного. Печально, что бывают предметы по которым даже одного бесплатного решения нет, но это скорее вопрос к студентам. В остальном всё здорово.
Спасательный островок
Если уже не успеваешь разобраться или застрял на каком-то задание поможет тебе быстро и недорого решить твою проблему.
Всё и так отлично
Всё очень удобно. Особенно круто, что есть система бонусов и можно выводить остатки денег. Очень много качественных бесплатных файлов.
Отзыв о системе "Студизба"
Отличная платформа для распространения работ, востребованных студентами. Хорошо налаженная и качественная работа сайта, огромная база заданий и аудитория.
Отличный помощник
Отличный сайт с кучей полезных файлов, позволяющий найти много методичек / учебников / отзывов о вузах и преподователях.
Отлично помогает студентам в любой момент для решения трудных и незамедлительных задач
Хотелось бы больше конкретной информации о преподавателях. А так в принципе хороший сайт, всегда им пользуюсь и ни разу не было желания прекратить. Хороший сайт для помощи студентам, удобный и приятный интерфейс. Из недостатков можно выделить только отсутствия небольшого количества файлов.
Спасибо за шикарный сайт
Великолепный сайт на котором студент за не большие деньги может найти помощь с дз, проектами курсовыми, лабораторными, а также узнать отзывы на преподавателей и бесплатно скачать пособия.
Популярные преподаватели
Добавляйте материалы
и зарабатывайте!
Продажи идут автоматически
6869
Авторов
на СтудИзбе
271
Средний доход
с одного платного файла
Обучение Подробнее
{user_main_secret_data}