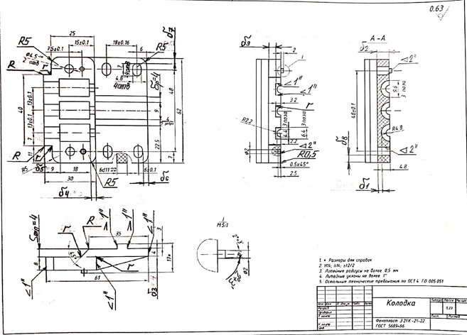
Для студентов МГТУ им. Н.Э.Баумана по предмету Основы технологии приборостроенияДЗ 2 (ПРЕССОВАНИЕ) - КОЛОДКА (ВАРИАНТ 11)ДЗ 2 (ПРЕССОВАНИЕ) - КОЛОДКА (ВАРИАНТ 11)
2022-06-172022-06-17СтудИзба
ДЗ: ДЗ 2 (ПРЕССОВАНИЕ) - КОЛОДКА (ВАРИАНТ 11)
Описание

Характеристики домашнего задания
Учебное заведение
Семестр
Просмотров
66
Размер
1,24 Mb
МГТУ им. Н.Э.Баумана
meoww



















