Для студентов МГТУ им. Н.Э.Баумана по предмету Основы технологии машиностроенияВыбор схемы базирования заготовкиВыбор схемы базирования заготовки
5,00573
2023-01-012023-01-01СтудИзба
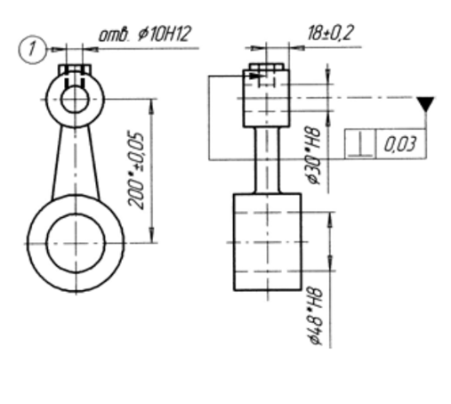
ДЗ 1: Выбор схемы базирования заготовки вариант 16
Описание

Характеристики домашнего задания
Учебное заведение
Семестр
Номер задания
Вариант
Просмотров
45
Качество
Идеальное компьютерное
Размер
161,8 Kb
Список файлов
1_МТ3-69.docx
Комментарии
Нет комментариев
Стань первым, кто что-нибудь напишет!
МГТУ им. Н.Э.Баумана


















