Для студентов МГТУ им. Н.Э.Баумана по предмету Основы технологии машиностроенияОТМ Дз1ОТМ Дз1
5,0052
2022-10-142022-10-14СтудИзба
Задача: ОТМ Дз1
Описание
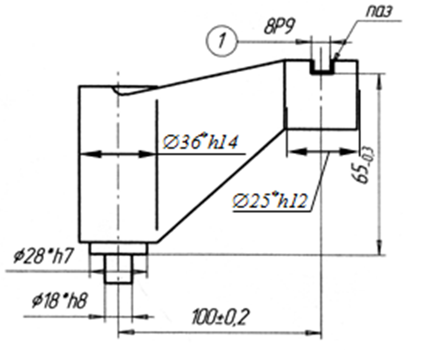
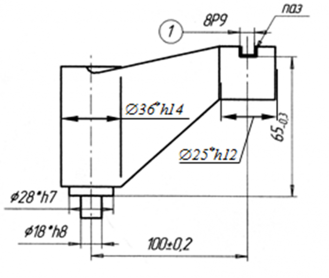
Обрабатывается поверхность ①.
Выбрать схему базирования, обеспечивающую минимальную погрешность базирования при выполнении технических требований, указанных на эскизе. Поверхности, имеющие размеры со звездочкой *, получены ранее. Указать схему базирования на эскизе с использованием графических обозначений опор по ГОСТ 3.1107–81. Рассчитать погрешность базирования, если таковая имеется.

Характеристики решённой задачи
Учебное заведение
Семестр
Просмотров
53
Размер
275,18 Kb
Список файлов
Борновалов_1_МТ3-62.pdf
Борновалов_1_МТ3-62.docx