Для студентов МГТУ им. Н.Э.Баумана по предмету Основы проектирования режущего инструмента (ОПРИ)Рассчитать основные конструктивные размеры и размеры фасонных резцов для обработки детали № 79130Рассчитать основные конструктивные размеры и размеры фасонных резцов для обработки детали № 79130
4,86588
2025-07-292025-07-29СтудИзба
ДЗ 1: Рассчитать основные конструктивные размеры и размеры фасонных резцов для обработки детали № 79130 вариант 79130
Описание
Дз содержит РПЗ + чертеж в компасе. Все исходные файлы сохранены.
Дз сдано и защищено с первого раза.
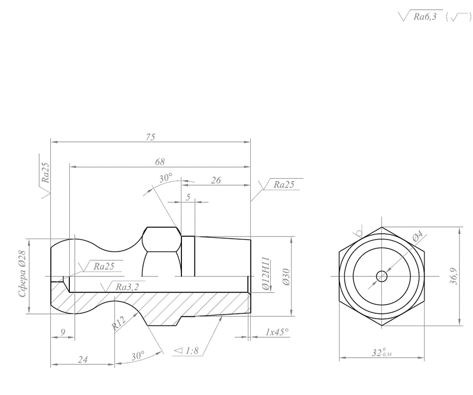
Условие:
Рассчитать основные размеры и размеры профиля фасонного резца для обработки детали №79130. Материал детали стали ШХ15, твердость 179HB.
![]()
Дз сдано и защищено с первого раза.
Условие:
Рассчитать основные размеры и размеры профиля фасонного резца для обработки детали №79130. Материал детали стали ШХ15, твердость 179HB.

Характеристики домашнего задания
Учебное заведение
Номер задания
Вариант
Просмотров
6
Размер
269,53 Kb
Преподаватели
Список файлов
1 Такой же вариант как и у меня
HW№1.cdw
HW№1.cdw.bak
~$HW№1.cd~
ПЗ.docx
Расчет.xlsx
Комментарии
Нет комментариев
Стань первым, кто что-нибудь напишет!
МГТУ им. Н.Э.Баумана
vk_154348585


















