Для студентов МГТУ им. Н.Э.Баумана по предмету Основы проектирования режущего инструмента (ОПРИ)Техническое нормированиеТехническое нормирование
5,0055
2018-11-182018-11-18СтудИзба
ДЗ: Техническое нормирование
Описание
Техническое нормирование
Оглавление1. Задание и исходные данные. 2
2. Расчет. 3
2.1. Нормирование для единичного производства. 3
2.1.1. Маршрутная технология. 3
2.1.2. Подготовительно-заключительного времени. 3
2.1.3. Определение времени на установку и снятие детали. 3
2.1.4. Определение нормы времени. 4
2.2. Нормирование для серийного производства. 5
2.2.1. Определение времени на обслуживание рабочего места, отдых и личные надобности. 6
2.2.2. Определение нормы штучного времени. 6
2.2.3. Определение подготовительно-заключительного времени. 6
2.3. Нормирование для массового производства. 7
2.3.1. Определение времени на техническое обслуживание рабочего места. 11
2.3.2. Определение времени на организационное обслуживание рабочего места. 11
2.3.3. Определение времени на отдых и личные потребности. 11
2.3.4. Норма штучного времени. 11
3. Список литературы.. 12
1. Задание и исходные данные
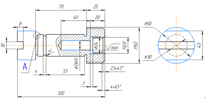
Выполнить нормирование токарной операции по нормативам для единичного, серийного, массового производства.Исходные данные:
- Чертеж детали (рис. Рисунок 1.1);
- Обрабатываемый материал – сталь 45, 205 НВ;
- Масса детали – 1,100кг;
- Масса заготовки – 2,150 кг;
- Станок токарно-винторезный – 16К20; мощность – 11 кВт;
- Заготовка: пруток горячекатаный круглый с номинальным диаметром 53 мм и длинной 125 мм ;
- Способ установки детали – самоцентрирующий трехкулачковый патрон;
- Режущий инструмент:
- резец проходной отогнутый (Т15К6);
- резец проходной упорный (Т15К6);
- канавочный резец (Р6М5);
- резьбовой (Р6М5);
- Число деталей в партии:
- Единичное: 4 шт.
- Крупносерийное: 10 000 шт.
- Массовое: 1 000 000 шт.
- Длина детали: 120 мм.
Характеристики домашнего задания
Учебное заведение
Просмотров
204
Качество
Идеальное компьютерное
Размер
224,81 Kb
Список файлов
Техническое нормирование.docx

Вам все понравилось? Получите кэшбэк - 40 рублей на Ваш счёт при покупке. Поставьте оценку и напишите положительный комментарий к купленному файлу. После Вы получите деньги на ваш счет.