Для студентов МГТУ им. Н.Э.Баумана по предмету Основы проектирования режущего инструмента (ОПРИ)Основы проектирования режущего инструментаОсновы проектирования режущего инструмента
5,0055
2018-11-182018-11-18СтудИзба
Курсовая работа 79142: Основы проектирования режущего инструмента
Описание
Содержание
Аннотация. 31.Проектирование призматического фасонного резца. 3
1.1. Выбор последовательности обработки детали. 3
1.2. Выбор заготовки для детали. 7
1.3. Выбор токарного-автомата. 8
1.4. Обоснование выбора призматического фасонного резца для обработки детали. 8
1.5. Расчёт узловых точек фасонного профиля детали. 9
1.6. Выбор углов α и γ. 9
1.7. Определение основных габаритных размеров фасонного резца. 9
1.8. Расчёт узловых точек профиля резца. 9
1.9. Особенности фасонного резца. 10
2. Описание конструкции державки фасонного резца и расчет винтов. 11
3. Проектирование дисковой фасонной затылованной фрезы. 13
3.1. Профилирование обрабатываемой поверхности (канавки спирального сверла). 13
3.2. Определение размеров дисковой фасонной затылованной фрезы. 14
4. Расчёт комбинированной шлицевой протяжки. 15
4.1. Исходные данные к расчету комбинированной шлицевой протяжки. 15
4.2. Обоснование выбора комбинированной протяжки. 16
4.3. Выбор схемы срезания припуска. 16
4.4. Выбор материала протяжки. 17
4.5. Определение последовательности секций. 17
4.6. Расчёт диаметра отверстия под протягивание. 18
4.7. Определение размеров хвостовика. 19
4.8. Допустимая сила протягивания P. 19
4.9. Определение числа одновременно работающих зубьев. 19
4.10. Выбор подачи. 21
4.11. Расчёт числа зубьев протяжки. 22
4.12. Определение диаметров режущих зубьев. 23
4.13. Расчет длины рабочей части протяжки. 24
4.14. Выбор модели станка по номинальному тяговому усилию. 25
4.15. Расчёт общей длины протяжки. 25
4.16. Проверка длины протяжки по условию возможности обработки в центрах. 25
4.17. Проверка длины протяжки по рабочему ходу станка . 26
4.18. Расчёт стойкости протяжки. 26
6. Автоматический патрон для вертикально протяжного станка. 27
6.1. Принцип работы автоматического патрона. 27
6. Расчёт червячной шлицевой фрезы (ЧШФ). 27
6.1. Исходные данные к расчёту ЧШФ.. 27
6.2. Построение зуба рейки. 28
6.3. Расчет червячной шлицевой фрезы. 31
6.4. Расчет размеров фрезы. 33
7. Инструмент с СМП. 35
7.1. Торцевая фреза с СМП.. 35
8. Приспособление. 35
8.1. Державка для резцов 180°.. 35
9. Список литературы. 36
Аннотация
Курсовой проект включает в себя 5 листов формата А1и расчётно-пояснительную записку.В рамках курсового проекта выполнено:
-профилирование призматического фасонного резца с базовой точкой;
- проектирование призматического фасонного резца с базовой точкой;
- проектирование державки для разработанного резца;
- проектирование дисковой затылованной фрезы для фрезерования канавки сверла и затыловочного резца для разработанной фрезы;
- проектирование комбинированной шлицевой протяжки и автоматического протяжного патрона;
-профилирование и проектирование червячной шлицевой фрезы для обработки шлицевого вала;
- представлены конструкции режущего инструмента с СМП: фреза с СМП;
-представлена конструкция державки для одновременной обточки двумя резцами
1.1. Выбор последовательности обработки детали
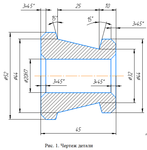
Чтобы выполнить полную обработку детали потребуется 2 установа из-за внутренней фаски. Первый установ будет производиться на прутковом шестишпиндельном автомате где и произведется основной сьем материала заготовки. Второй установ может производиться на токарном, сверлильном или фрезерном оборудовании. Чертеж детали (См. рис.1)
Резец фасонный ГОСТ 19265-73. Державка для призматического фасонного резца. Расчетная схема профиля фасонного резца
Расчетная схема профиля канавки сверла ⌀ 12. Фреза фасонная №12. Резец фасонный №12. Торцевая фреза с СМП z=6. ![]()
Фреза червячная шлицевая d-8x32h6x38a11x6f7 ![]()
Державка для резцов 180° ![]()
Патрон для вертикально-протяжных станков с хвостиком ⌀ 32. Протяжка шлицевая d-8x32H7/h6x38H12/a11x6D10/f7 ![]()
Характеристики курсовой работы
Учебное заведение
Номер задания
Программы
Просмотров
464
Качество
Идеальное компьютерное
Размер
3,32 Mb
Список файлов
Курсовой проект
1.cdw
2-1.cdw
2.cdw
3-1.frw
3.cdw
4.cdw
5.frw
6.frw
РПЗ.doc

Вам все понравилось? Получите кэшбэк - 40 рублей на Ваш счёт при покупке. Поставьте оценку и напишите положительный комментарий к купленному файлу. После Вы получите деньги на ваш счет.