Для студентов МГТУ им. Н.Э.Баумана по предмету Основы проектирования режущего инструмента (ОПРИ)Расчет конструктивных и геометрических параметров спирального сверлаРасчет конструктивных и геометрических параметров спирального сверла
5,0055
2017-06-182017-06-18СтудИзба
ДЗ 1: Расчет конструктивных и геометрических параметров спирального сверла
Описание
Расчет конструктивных и геометрических параметров спирального сверла
Оглавление
- 1 Задание_3
- Последовательность обработки_3
- Исходные данные_3
- 2.1 Выбор вида сверла_4
- 2.2 Расчет диаметра сверла_4
- 2.3 Выбор инструментального материала сверла_4
- 2.4 Назначение основных геометрических параметров сверла и вида заточки_5
- 2.5 Расчет основных конструктивных параметров сверла_5
- 2.6 Выбор нормальных режимов сверления_7
- Выбор подачи на оборот сверла_7
- Назначение скорости резания_8
- Определение частоты вращения шпинделя_9
- Определение фактического значения скорости резания_9
- Определение осевой составляющей силы резания РХ и эффективной мощности на резание Nэ, крутящего момента Мкр _9
- 2.7 Проверка на возможность передачи хвостовиком крутящего момента_10
- 2.8 Обоснование возможности использования стандартного сверла для выполнения операции сверления_12
- 2.9 Расчет количества переточек сверла_13
- 3 Список литературы_14
1. Задание
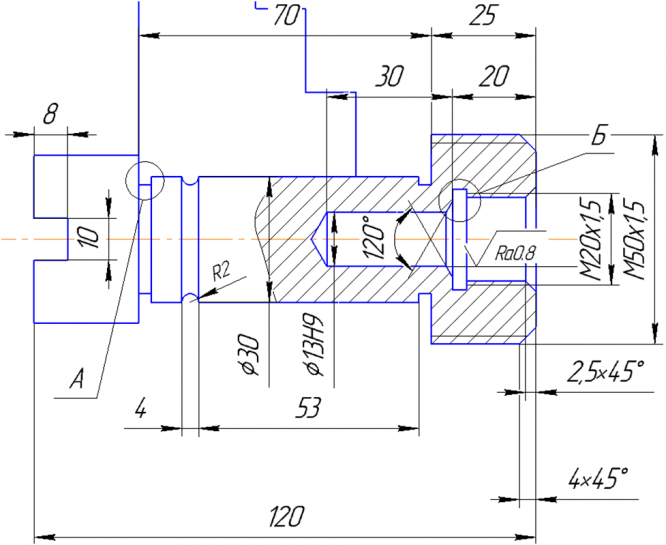
Выполнить расчет конструктивных и геометрических параметров спирального сверла для обработки отверстия диаметром 13мм глубиной 50 мм . Материал детали: Сталь 45, твердость 205 НВ.
- Сверления отверстия d=12мм на глубину 50 мм
- Зенкерование отверстия до d=12,75мм
- Развертывание отверстия до d=13мм
Обрабатываемый материал: Сталь 45;
Твердость: 205 НВ;
Тип отверстия: глухое;
Диаметр отверстия: 12 мм;
Глубина отверстия: 50 мм;
Тип производства: мелкосерийное.
Графическое построение задних поверхностей, полученных в результате заточки

Характеристики домашнего задания
Учебное заведение
Семестр
Номер задания
Программы
Просмотров
260
Качество
Идеальное компьютерное
Размер
558,96 Kb
Список файлов
Расчет конструктивных и геометрических параметров спирального сверла
ДЗ.docx
Защита ДЗ.jpg
Чертеж.cdw

Вам все понравилось? Получите кэшбэк - 40 рублей на Ваш счёт при покупке. Поставьте оценку и напишите положительный комментарий к купленному файлу. После Вы получите деньги на ваш счет.