Для студентов МГТУ им. Н.Э.Баумана по предмету Основы проектирования БПРасчёт реактивного ИДКРасчёт реактивного ИДК
4,945533
2023-09-302023-09-30СтудИзба
ДЗ 1: Расчёт реактивного ИДК вариант 9
Описание
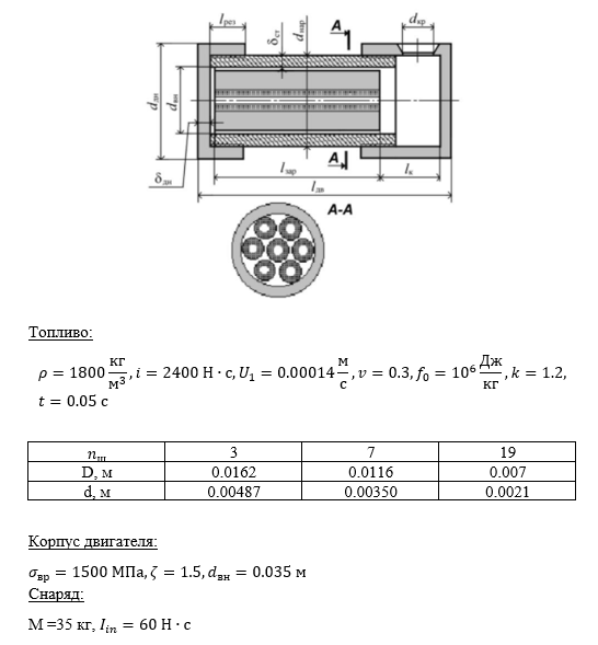
Исходные данные
В результате расчета для своего варианта необходимо получить значения:
lзар(n) - длину шашек топлива,
p(n) - давление в двигателе,
k(n) - параметр Победоносцева,
dкр(n) - критический диаметр сопла,
bст(n) - толщину стенки двигателя,
как функции от числа шашек n.
Построить их в виде графиков.
![]()

В результате расчета для своего варианта необходимо получить значения:
lзар(n) - длину шашек топлива,
p(n) - давление в двигателе,
k(n) - параметр Победоносцева,
dкр(n) - критический диаметр сопла,
bст(n) - толщину стенки двигателя,
как функции от числа шашек n.
Построить их в виде графиков.

Характеристики домашнего задания
Предмет
Учебное заведение
Номер задания
Вариант
Теги
Просмотров
11
Качество
Идеальное компьютерное
Размер
356,38 Kb
Список файлов
В9.xmcd
В9.docx

Понравился файл? Поставь оценку и напиши отзыв, спасибо!