Для студентов СибГАУ по предмету Основы машиностроительной гидравлики и гидромашиныГидропривод подачи стола металлорежущего станкаГидропривод подачи стола металлорежущего станка
4,9851100
2024-03-162024-03-16СтудИзба
Курсовая работа: Гидропривод подачи стола металлорежущего станка
Описание
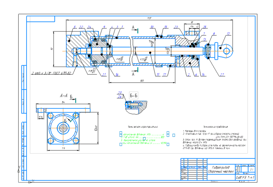
1. Номинальное давление, МПа ..............................4
2. Ход штока, мм ..........................................................500
3. Максимальное усилие на штоке
при номинальном давлении, Н .....................10290
Содержание
Введение 3
Патентно-информационный поиск 4
Исходные данные для расчета гидропривода подачи стола МРС 8
Расчетная часть 9
1. Энергетический расчет 9
2. Гидравлический расчет 12
3. Тепловой расчет 17
Расчет ламинарного дросселя 19
Заключение 20
Библиографический список 21
2. Ход штока, мм ..........................................................500
3. Максимальное усилие на штоке
при номинальном давлении, Н .....................10290
Содержание
Введение 3
Патентно-информационный поиск 4
Исходные данные для расчета гидропривода подачи стола МРС 8
Расчетная часть 9
1. Энергетический расчет 9
2. Гидравлический расчет 12
3. Тепловой расчет 17
Расчет ламинарного дросселя 19
Заключение 20
Библиографический список 21


Характеристики курсовой работы
Учебное заведение
Программы
Просмотров
1
Размер
180,64 Kb
Список файлов
Записка.doc
Спецификация.spw
СхГПринц.cdw
поршень.cdw
сборка.cdw

Спасибо за покупку! Я буду очень рад, если поставишь справедливую оценку купленному файлу